EasyManua.ls Logo

Sharp CD-C1831V - Page 14

Sharp CD-C1831V
72 pages
Print Icon
To Next Page IconTo Next Page
To Next Page IconTo Next Page
To Previous Page IconTo Previous Page
To Previous Page IconTo Previous Page
Loading...
CD-C1831V
– 14 –
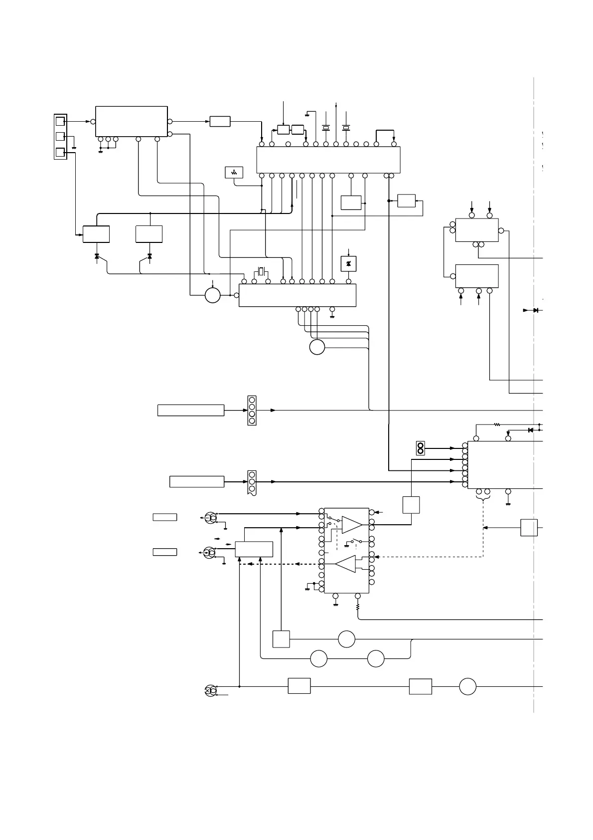
Figure 14 BLOCK DIAGRAM (2/3)
X351
456kHz
FM DET
CF351
+B4
+B4
+B4
+B4
VOLTAGE
REGURATER
+5V
FM +B
VT
T306
T302
CF302
DO
CE
CL
DI
FE301
FM FRONT END
Q360
MPX
VCO
CUT
RL
Q354
Q353
PHASE
Q361
MPX
MPX
IN
FM/AM
OUT
IF IN
IC303
LA1832
FM/AM IF MPX.
IF
OUT
SD
FM MONO/ST
MONO/ST
AM RF IN
AFC
IN
OUT
VR351
FM MUTE LEVEL
AM OSC
REG INOUT VCC
FM IF IN
12 3 4589
17 19
20
18 16
15
14
12
11
10
67
13
21
22
23
24
FM IF
FM
X352
4.5MHz
OSC
STEREO
IC302
LC72131
PLL (TUNER)
INAM
FM IN
FMOSC
T351
AM IF
GND
OSC
F OUT
AM OSC
VOLTAGE
REGULATOR
AM ANT
AM RF
CF352
TUNER MUTE
MUTING
SO301
ANTENNA
TERMINAL
2
8
67 3 4
1
5
4
3 6
5
21
17
1213
10
1116
15
2220
7
1
Q371
1
1
6 7
4
8
3
3
5
FM
75 ohms
GND
AM
1
24
2
23
3
4
4
21
5
20
6
7
17
8
9
16
10
14
11
12
13
18
H/N
T1/T2
R-CH
L-CH
L-CH
R-CH
P.B
REC
TAPE 2
TAPE 1
L NF
L(T1)
R(T1)
L(T2)
R(T2)
R NF
L
R
POP REDUCE
L REC
R REC
L
R
REC
P.B.
REC
ALC
NOR/
HIGH
T1/T2
REF
L NF
R NF
PB HEAD
REC PB HEAD
SWITCHING
Q103~Q106
AC BIAS
IC101
AN7345K
PLAYBACK AND RECORD
/PLAYBACK AMP.
PB
ERASE
HEAD
SWITCHING
BAIS
Q126
Q124
L103
Q128
L104
Q111
Q110
Q109
Q107
Q108
SWITCHING SWITCHING
SWITCHING
+B4
1
2
3
1
2
3
4
CNS11
CNSV2
FROM CD SECTION
CNP11
FROM CD VIDEO SECTION
CNPV2
SWM3
FOOL PROOF
SWM4
F.A.S
SOLM1
SOLENOID
SWM5
CAM
5
16
4
17
3
18
2
19
1
20
9
IC601
M62439SP
AUDIO PROCESSO
L
R
L
R
L
R
L
R
L
R
TUNER
AUX
TAPE
CD
+B7
–B1+B5
MUTING
Q121
Q122
Q113
Q114
FM/
SW
BIAS
OCS
15 19
11
10
JK601
VIDEO/AUX
KIA70
RE
4
8
–B1+B5
IC563
KIA4558P
OPE AMP.
IC562
KIA4558P
OPE AMP.

Related product manuals