EasyManua.ls Logo

Sharp CD-C1831V - Schematic Diagram; Wiring Side of P.w.board

Sharp CD-C1831V
72 pages
Print Icon
To Next Page IconTo Next Page
To Next Page IconTo Next Page
To Previous Page IconTo Previous Page
To Previous Page IconTo Previous Page
Loading...
CD-C1831V
– 16 –
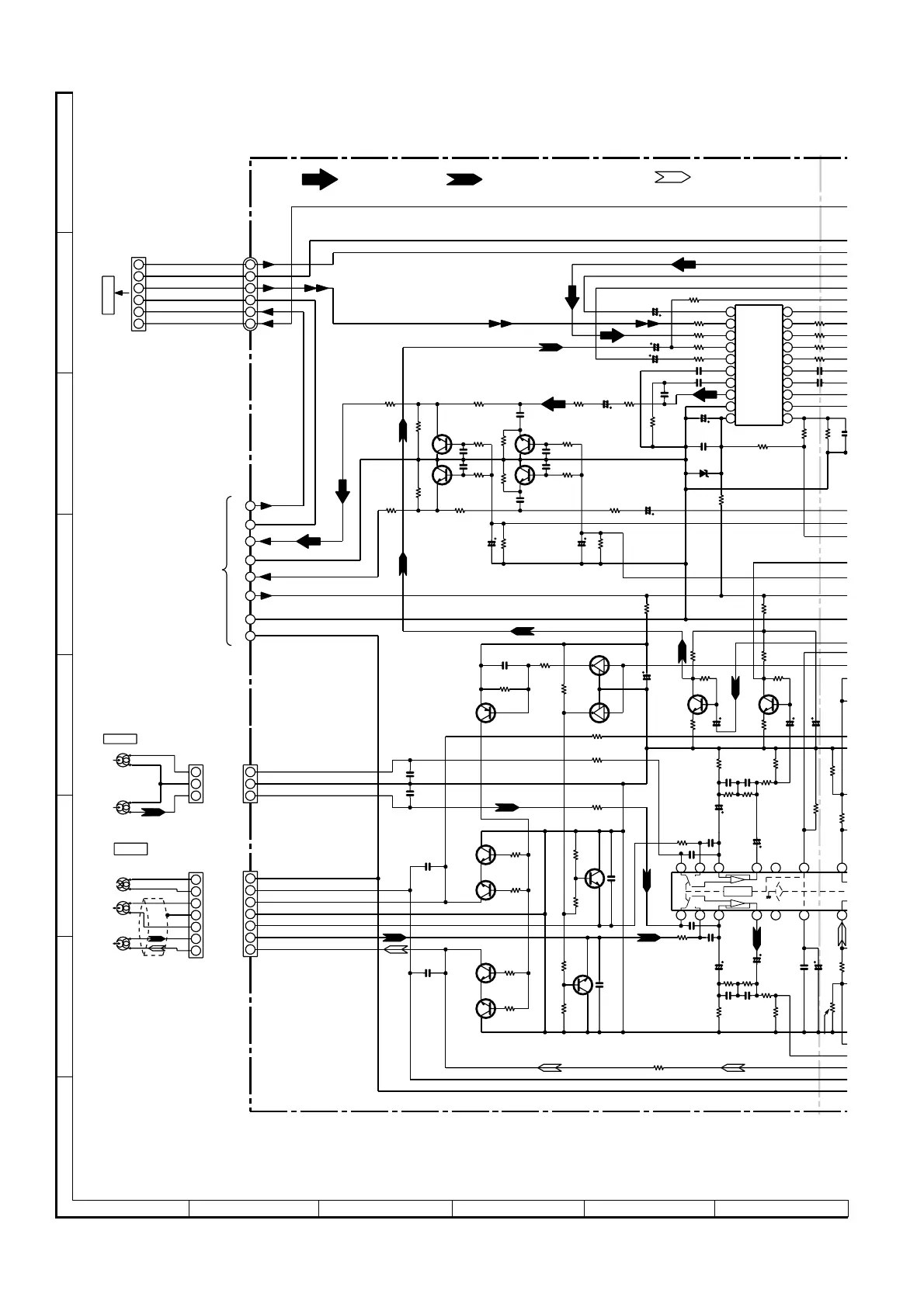
Figure 16 SCHEMATIC DIAGRAM (1/11)
A
B
C
D
E
F
G
H
1
23456
• NOTES ON SCHEMATIC DIAGRAM can be found on page 12.
R602 1.5K
R604 1.5K
R606 1.5K
R608 1.5K
R605 1.5K
R601 1.5K
C603
4.7/50
R603 1.5K
C605
4.7/50
R607 1.5K
C601
4.7/50
C627
22/25
R625
22K
R639
47K
R615
3.9K
R101
1K
C108 0.001
Q108
2SC3331
R108
47K
R110
4.7K
R109
4.7K
R112
10K
R117
1K
C113
330P
R114
10K
Q110
KRC104 M
Q111
KRC104 M
R111
10K
R102
1K
C111
330P
C153
100/16
R155
150
ZD601
MTZJ2.4B
C614 0.22
C612 0.033
R612
22K
R610
10K
C616
10P
C619
0.022
R623
10K
C617
10/50
IC601
M62439SP
AUDIO PROCESSOR
10 11
12
13
14
15
16
17
18
19
20
9
8
7
6
5
4
3
2
1
C613
0.22
C611 0.033
C615
0.22
R609
2.2K
R621
10K
R613
10K
C621
0.1/50
R611
330
R115
4.7K
R104
2.2K
R106
3.3K
R105
3.3K
R103
2.2K
R113
10K
C109
0.047
Q109
2SA1318
Q106
2SC2389 SE
Q104
2SC2389 SE
Q105
2SC2389 SE
Q103
2SC2389 SE
C102
0.001
C101
0.001
C105
180P
C106
180P
CNP102 CNP101
R172
220K
R171
220K
C114
330P
R118
1K
C112
330P
Q107
2SC3331
R107
47K
C107
0.001
R619
2.2K
R620
2.2K
R616
3.9K
R622
10K
C622
0.1/50
R629
330(1/2W)
R635
330
R636
330
C629
22/25
R628
22K
R617
2.2K
R618
2.2K
R614
10K
C623
0.001
C624
0.001
Q602
2SC3331
Q601
2SC3331
C634
0.0047
C635
0.0047
R646 100K
R645
100K
C626
0.001
C625
0.001
Q604
2SC3331
Q603
2SC3331
C115
47/25
C116
47/25
R135
8.2K
C129 470P
C127
0.022
C128
3.3/50
C131
R137
6.8K
C121
1/50
R123
3.9K
C119
560P
C117
0.033
C130
C132
R138
6.8K
R132
33K
R120
56
C120
560P
R126
5.6K
R119
56
C118
0.033
R122
100K
R124
3.9K
C122
1/50
R125
5.6K
R121
100K
R131
33K
7
6
5
4 3 2 1
2
C156
3.3/50
C154
47/16
C155
3.3/50
R173
5.6K
R169
680
Q113
2SC3331
R174
5.6K
R170
680
R175
1K
Q114
2SC3331
P18 1 - E
TO POWER SECTION
BI601
P23 12 - C
TO CD VIDEO PWB
CNP11
1
2
3
2
TAPE1_R
TAPE1_L
A_GND
A_GND
M_GND
ERASE
TAPE2_R2
TAPE2_R1
TAPE2_L1
9.3V
8.6V
9.3V
0V
3.4V
3.4V
0V
0V
0V
0V
0.7V
0V
0.7V
0V
0V
0V
0.7V
0V
0V
0V
0.7V
0V
0V
0V
CNS11
+12V
+7V
CD_GND
L-CH
A_GND
R-CH
+
Hich=T1
+
112K
112K
+B
+B
+B
+B
+B
+B
CD_+B
CD_GND
L
A_GND
A_12V
A_GND
M_GND
3
2
1
1
3
2
CNS101
R-CH
L-CH
PLAYBACK HEAD
TAPE1
CNS102
RECORD/
PLAYBACK HEAD
TAPE2
R-CH
L-CH
ERASE
HEAD
FM SIGNAL
RECORD SIGNAL
1
6
4
5
3
2
1
6
4
5
3
2
7
6
5
4
3
1
2
1
3
2
3
2
1
7
6
5
4
3
1
2
R134
68K
R
12
13
10
14
TAPE2_L2
PLAYBACK SIGNAL
18
1920
21
222324
R136
8.2K
Q109 ~ Q111: SWITCHING
Q103 ~ Q108: SWITCHING
M

Related product manuals