EasyManua.ls Logo

Sharp CD-C1831V - Page 26

Sharp CD-C1831V
72 pages
Print Icon
To Next Page IconTo Next Page
To Next Page IconTo Next Page
To Previous Page IconTo Previous Page
To Previous Page IconTo Previous Page
Loading...
CD-C1831V
– 26 –
A
B
C
D
E
F
G
H
1
23456
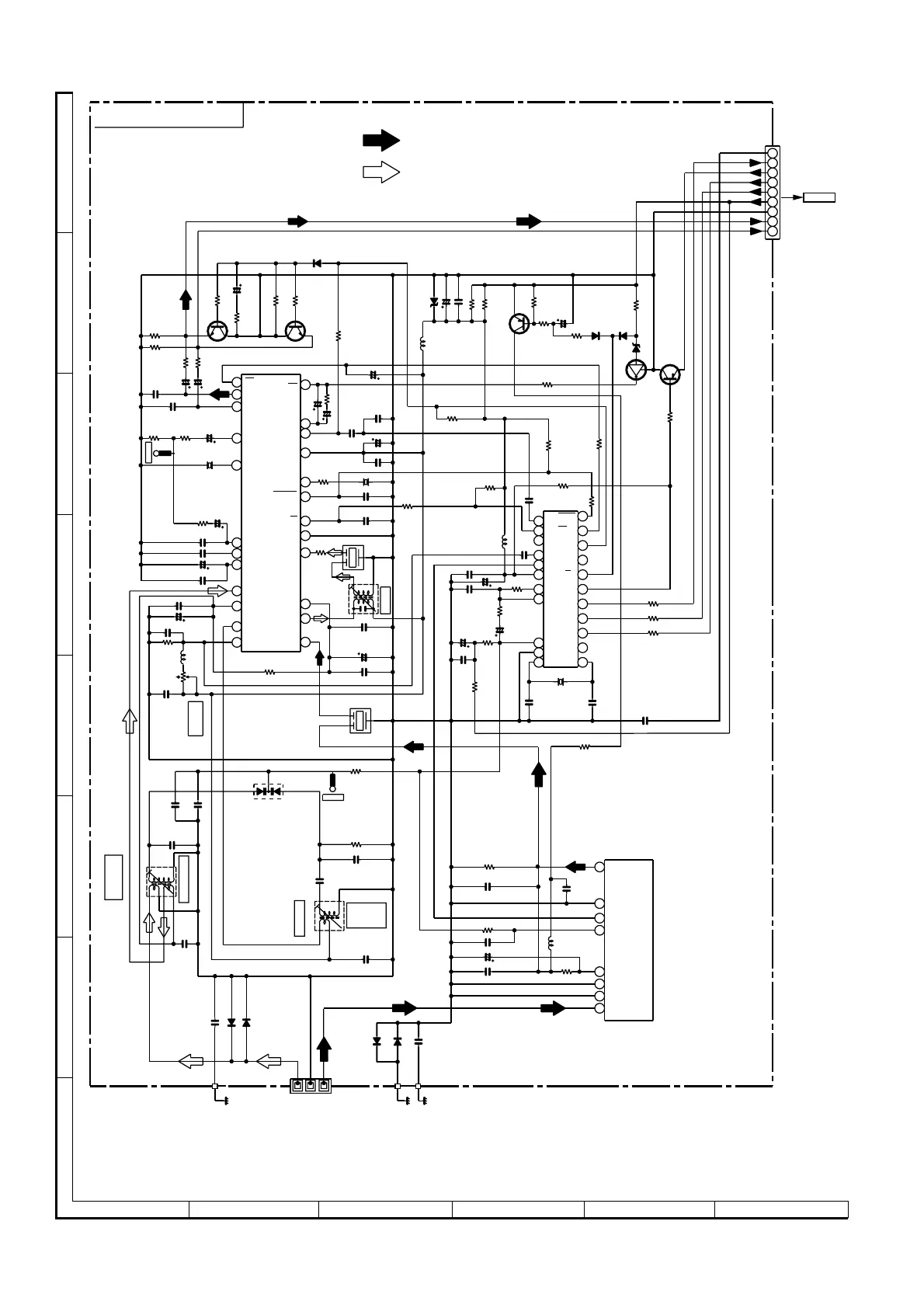
• NOTES ON SCHEMATIC DIAGRAM can be found on page 12.
Figure 26 SCHEMATIC DIAGRAM (11/11)
CNS303
P17 12 - D
TO MAIN PWB
C350 0.022
C352 10/16
R351
5.6K
C351 0.022
FE301
FM FRONTEND
VR351
10K(B)
R356
1K
C368
1/50
R357
470K
C374
0.033
C367
1/50
R350
2.7K
C365 0.022
C366 0.001
C364 10/16
C363 0.022
C343
33P
C361 0.022
C362
3.3/25
R358
8.2K
L353
1mH
C334
27P(UJ)
R323
68K
C323
0.022
C373
0.033
R361
1.2K
C371
1/50
IC303
LA1832
FM IF DET./
FM MPX./AM IF
T302
AM
TRACKING
C331
0.047
C332
0.022
VD301
SVC348S
C380
10/16
C387
0.022
C392
0.001
R382
150
C337
0.022
C375
3.3/50
R392
390
R391
390
R383
5.6K
R365
10K
R366
10K
R368
33K
R367
1K
D353
DS1SS133
C384
0.001
C394
47/16
C397
0.022
C301
0.001
D304
DS1SS133
D303
DS1SS133
SO301
ANTENNA
TERMINAL
D302
DS1SS133
D301
DS1SS133
C338
0.001
C341
0.022
L342
2.2mH
R364
47K
R369
1.2K
R336
1K
AM BAND
COVER
AGE
C335
560P
R371
1K
R374 1K
R372 1K
R373 1K
Q371
KTA1266 GR
D352
DS1SS133
R384
5.6K
R360
4.7K
R387
22K
ZD352
DZ3.9BSB
R376
1K
D351
DS1SS133
C391
47/16
R385
5.6K
Q360
KTA1266 GR
Q361
KRC107 M
R359
1.8K
R355
3.3K
C357
2.2/50
C358
1/50
C381
12P(CH)
C382
15P
(CH)
C393
1/50
C386
330P
R378
82K
L351
100µH
L352
100µH
R354
3.9K
C356
0.001
R363
47K
R398
1.2K
IC302
LC72131
PLL(TUNER)
CF302
C321 100/16
T351
CF352
R352
1K
R344 470
R345 4.7K
C347 0.022
C346 0.022
C345 0.022
R393
1K
C395
0.022
C396
100/10
ZD351
DZ5.1BSB
R395
47K
R381
10K
R380
1.5K
C372
1/50
R362
1.2K
C399
0.022
C398
100/10
C353
0.022
CF351
C354 0.022
C370
1/50
C355
22P
R353
270
Q354
KTC3199 GR
MUTING
Q353
KTC3199 GR
C385
0.01
X352
4.5MHz
R379
2.2K
SD
TUN_MUTE
D GND
DO
CLK
CE
DI
MO/ST
ST IND
MO/ST
B01
A+12V
A GND
L
R
F OUT
IF OUT
VCC
VT
GND
GND
GND
ANT
VSS
AOUT
AIN
PD
VDD
AM IN
DO
CL
DI
CE
X IN
IF IN
REG
AM IF IN
GND
SD
STEREO
FM DET
VCC
IF OUT
PHASE
(FM/AM)
PHASE
L-CH OUT
R-CH OUT
MPX IN
FM/AM OUT
VSM
AM LOW CUT
AM RF IN
AM OSC IN
FM AFC
AM OSC OUT
AM MIX OUT
FM IF IN
9
8
7
6
5
4
3
2
1
9
8
7
6
5
4
3
2
1
8
7
6
5
4
3
2
1
9
8
7
6
5
4
3
2
1
R377
47K
C330
27P
(CH)
T306
OSC AM
FM MUTE
LEVEL
AM ANTENNA
C342
0.022
1
2
3
1
2
3
AM IF
X351
456KHz
MPX VCO
TP302
CNP303
1
2
+B
+B
+B
+B
+B
+B
+B
3
TUNER PWB-C
FM SIGNAL
AM SIGNAL
10
11
12
13
14
15
17
16
18
19
20
21
22
23
24
X OUT
FM IN
10
11
12
13
14
15
16
17
20
21
22
18
19
R375
68
AM
GND
FM
75 ohms
TP302
VOLTAGE
REGULATOR
MUTING
+B

Related product manuals