EasyManua.ls Logo

Sharp CD-C1831V - Page 54

Sharp CD-C1831V
72 pages
Print Icon
To Next Page IconTo Next Page
To Next Page IconTo Next Page
To Previous Page IconTo Previous Page
To Previous Page IconTo Previous Page
Loading...
CD-C1831V
– 54 –
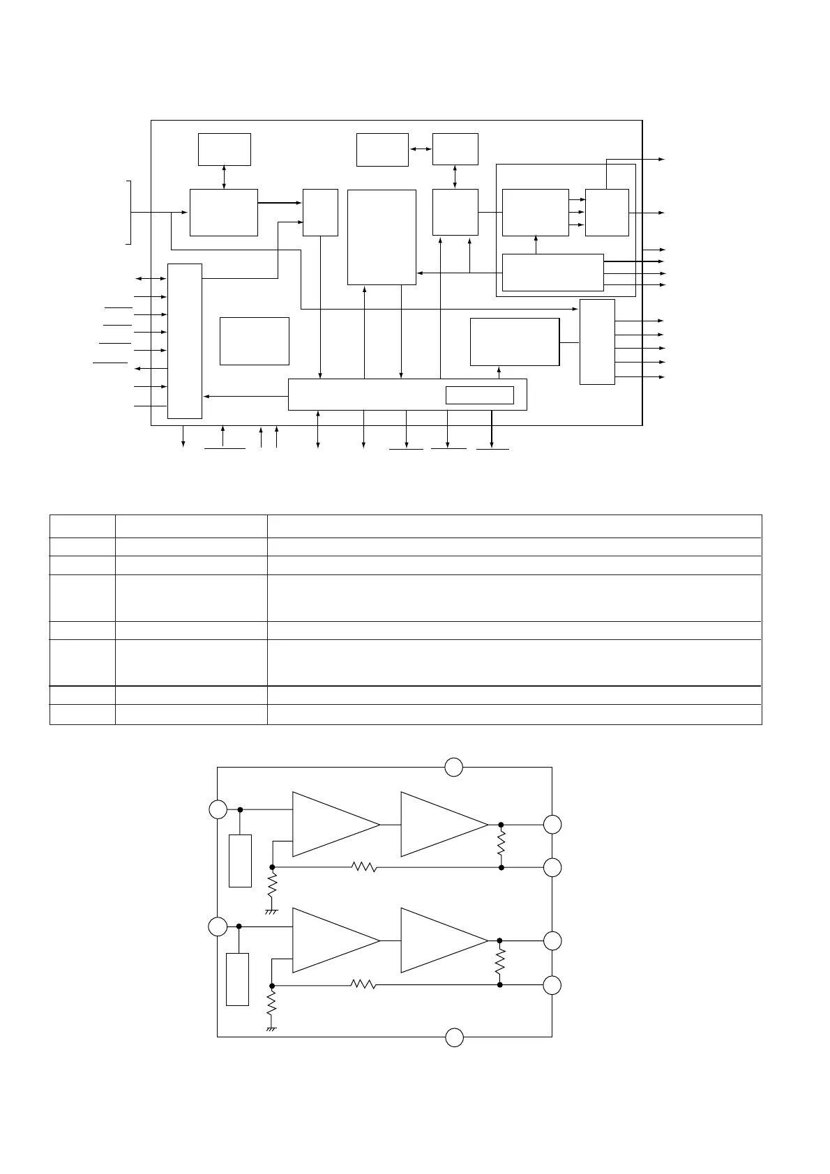
Figure 54 BLOCK DIAGRAM OF IC
CBP3-CBP1
VOUT3-VOUT1
VCLK
HSYNC
VSYNC
CSYNC
AUDO
AUBCK
AULRCK
AUEMPH
AUCLK
MWE
MCAS
MRAS
MA8-0MD15-0
X1,X2RESET
INT
HSELA
HSELX
HDAK
HWR
HRD
HCS
HA
HD7-HD0
CDC2P0
CDEMPH
CDLRCK
CDBCK
CDD
CD-DSP
INTERFACE
SRAM
CD-ROM
DECODER
SRAM
OSD
NTSC/PAL
encoder
3ch
VIDEO
DAC
DRAM interface
A/V
sepa-
ration
Host interface
System
control
Video
decoder
Inter-
lace
Video interface
Synchronized signal
generating circuit
Audio
decoder
Audio
interface
Arbiter
ICV2 VHiD61012GC-1: MPEG Decoder (D61012GC)
Pin No.
Terminal Name
Function
1 Clamp input terminal Input of 1.9 V clamp, 1 Vp-p composite or Y-signal
2 GND Ground
3 Sag correction terminal Able to obtain an output without any sag by feeding back the sag, generated from output
coupling C, using the external C (see block diagram).
When not using the sag correction terminal, connect directly to the pin 4.
4,5 Output terminal 6 dB amplifier output. Able to drive 75? line.
6 Sag correction terminal Able to obtain an output without any sag by feeding back the sag, generated from output
coupling C, using the external C (see block diagram).
When not using the sag correction terminal, connect directly to the pin 5.
7 V+ Power source
8 Clamp input terminal Input of 1.9 V clamp, 1 Vp-p composite or Y-signal.
ICV4 VHiNJM2267M-1: Video operation amp. (NJM2267M)
6dB
Amp
6dB
Amp
75
Driver
75
Driver
Vout2
75
2.2
2.0k
Vout1
75
V5AG2
V5AG1
GND
2.2k
2.0k
Clamp
Clamp
7
5
6
4
3
2
1
8
VIN2
VOUT2
(6dB)
VOUT2
VOUT1
(6dB)
VOUT1
V+
VIN1
Correction terminal
Correction terminal

Related product manuals