EasyManua.ls Logo

Sharp CD-C2800 - Block Diagram (2;3)

Sharp CD-C2800
56 pages
Print Icon
To Next Page IconTo Next Page
To Next Page IconTo Next Page
To Previous Page IconTo Previous Page
To Previous Page IconTo Previous Page
Loading...
CD-C422/C422C/C2800/C2800C
– 16 –
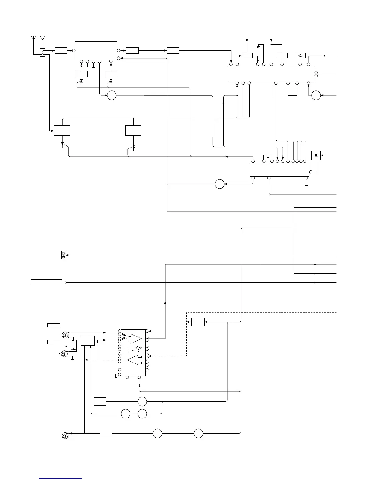
Figure 16 BLOCK DIAGRAM (2/3)
SO401
AUX IN
L-CH
R-CH
PB HEAD
1
2
3
4
L NF
L (T1)
R (T1)
L (T2)
R (T2)
R NF
4
5
13
21
24
23
18
17
10
1915
12
14
16
20
H/N
6
7
8
9
T1/T2
POP REDUCE
L REC
R REC
R NF
REC
L NF
P.B.
REC
L-CH
R-CH
REC/PB
HEAD
ERASE
HEAD
BIAS
OCS
REF
ALC
HIGH
NOR/
T1/T2
1
GND
3
4
5
1
X352
4.5MHz
OSC
7
STEREO
FM/AM
SWITCHING
ST
ST
1
3
4
57
8
6
FM IF
OSC BUFF
AM IF
FM IF IN
VT
FM RF FM OSC
FM
OSC
FM IN
AM IN
FM
5
3
AM MIX
AM IF
6
9
FM/AM
VCC
21
20 13 15
10
111617
MON
O
DET OUT
MPX IN
24
2223
AM OSC IN
AM+B
AM RF IN
FM DET
VCO
FM DET
MO/ST
F
M
+B4
9
AM TRACKING
AM BAND
COVERAGE
+B4
L
R
PLAYBACK&RECORD/
PLAYBACK AMP.
IC501
AN7345K
L
R
P.B
IC301
FM FRONT END
TA7358AP
FM BPF
FM/AM IF MPX.IF
IC303
LA1805
TAPE
VIDEO
TUNER
CD
FROM CD SECTION
Q571
L501
Q566
Q565
BIAS
Q511
Q514
~
P.B
REC
AC BIAS
Q515
Q516
Q583
Q581 Q582
T1/T2
MUTING
Q575
Q576
REC
+B4
L
R
Q351
7
6
CE
DI
CL
DO
22
10
20
15 16
21
17
11
Q381
T382
T381
VR381
CF301
T302
T301
Q301
T331
VD331 VD332
T333
L312
IC302
LC72131
PLL CONTROLLER
FM
MPX VCO ADJ
TAPE 1
TAPE 2
R
L
FM OSC
L301
SWITCHING
SWITCHING
SWITCHING
SWITCHING
SWITCHING
FM&AM LOOP ANT
VOLTAGE
REGURATER
+B4
SWITCHING
BIAS
FM +B

Related product manuals