EasyManua.ls Logo

Sharp CD-C290X - Schematic Diagrams Part 3; Main PWB and Signal Schematics

Sharp CD-C290X
56 pages
Print Icon
To Next Page IconTo Next Page
To Next Page IconTo Next Page
To Previous Page IconTo Previous Page
To Previous Page IconTo Previous Page
Loading...
25
CD-C290X
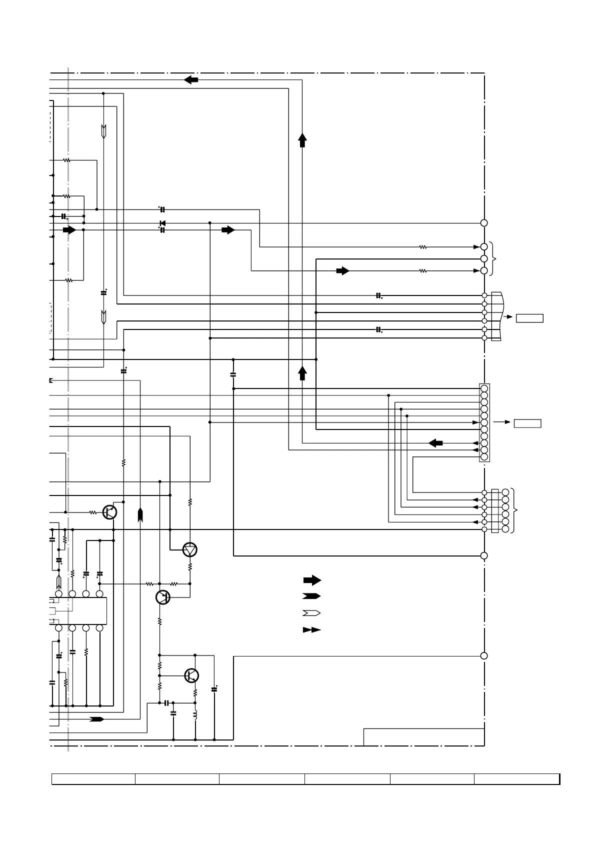
Figure 25 SCHEMATIC DIAGRAM (3/11)
7
8 9 10 11 12
C560
0.0033
R559
10K
C451
1/50
D401
1SS133
+B
+B
C452
1/50
R567
4.7K
9
GR
R576
10K
C456
0.022
R431
4.7K
1
6
R432
4.7K
C455
2.2/50
R453
1.2K
R420
100K
C454
2.2/50
R421
100K
C450
100/16
8
6
7
6
()
Q565
KRC104 M
C561
1/50
L501
330µH
Q571
KTC3203 Y
R571
12
C562
1/50
C570
0.0039
(ML)
R568
150
(1/2W)
R562
1K
C572
0.027
(ML)
C571
47/16
R565
1K
C565
220/10
R563
470
Q575
KTC3199 GR
R566
4.7K
C564
22/16
56
IC501
AN7345K
PLAYBACK AND RECORD
/PLAYBACK AMP
Q566
KTA1266 GR
R570
47K
R577
100K
6
6
R569
100K
C563
0.082
R560
10K
R575
10K
R561
10K
C559
0.0033
19
18
1
2
3
5
9
10
11
12
13141516
7
6
5
4
2
8
CNS702
1
CNS303
CNS201
CNP303
P33 11-H
CNP201
P33 12-A
7
6
5
10
11
9
8
4
3
2
C461
2.2/50
C462
2.2/50
TAPE_L
3
2
1
REC_L
GND
A_GND
+12V(AUDIO)
MAIN_L
MAIN_R
R_IN
R_OUT
L_OUT
L_IN
A_GND
REC
56K
56K
M
E
Nor/CrO2
RIPPLE
ALC
GND
ALC
Vcc
A_GND
+12V(AUDIO)
+12V(AUDIO)
TUN_R
TUN_L
GND(MOTOR)
D_GND
D_GND
CL
CE
DI
TO
TUNER PWB
TO
SRS PWB
TO MAIN
PWB(2/3)
P27 12-E
TO MAIN
PWB(2/3)
P27 9-G
MAIN PWB-A1(1/3)
TO MAIN
PWB(3/3)
P28 1-E
TO MAIN
PWB(3/3)
P28 1-B
TO
DISPLAY PWB
P30 1-F
P31 8-G
FM SIGNAL
RECORD SIGNAL
PLAYBACK SIGNAL
CD SIGNAL

Related product manuals