EasyManua.ls Logo

Sharp CD-C662 - Page 19

Sharp CD-C662
60 pages
Print Icon
To Next Page IconTo Next Page
To Next Page IconTo Next Page
To Previous Page IconTo Previous Page
To Previous Page IconTo Previous Page
Loading...
– 19 –
CD-C662
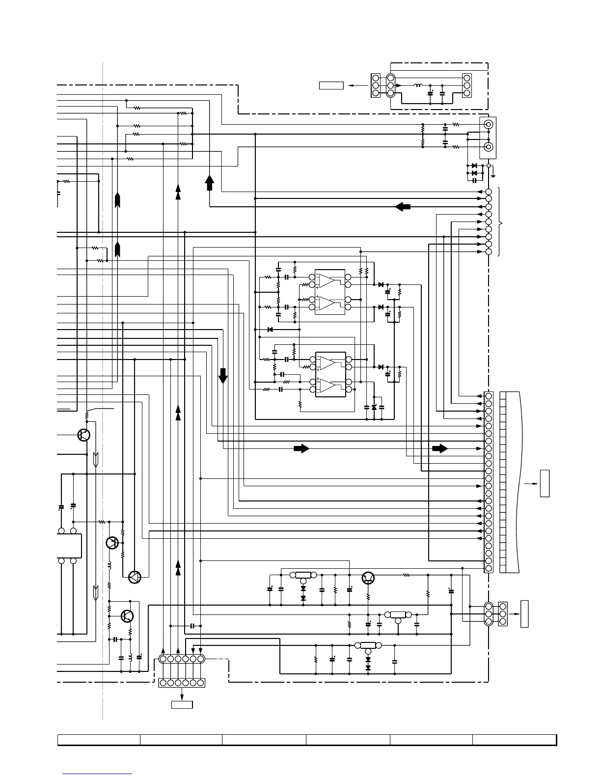
Figure 19 SCHEMATIC DIAGRAM (2/10)
7
8 9 10 11 12
E
C_R
REC_L
CHASIS
+12V
–15V
SPA SIG
A_+12V
M_+12V
M_GND
A_GND
CD_GND
+5V
GND
+B
Vcc
GND
0.7V
0V
0V
0V
11.7V
11.6V
0V
0V
ALC
RIPPLE
TUN_R
TUN_L
CLK
D_GND
DI
CE
DO
A_+12V
A_GND
SPEANA3 NC
M_+12V NC
TUN_SM
3
2
1
P26 5 - A
TO TUNER SECTION
L-CH
R-CH
0V
0V
0V
–B
–B
+B
+B
+B
+B
–B
CD GND
CNS99
+4.3V
D_OUT 1
DIGITAL OUTPUT PWB-A4
CNP99
P25 12 - D
TO CD SERVO PWB
VIDEO/AUX
IN
–B
DI
CE
DO
HP-R CH
CLK
HP_RLY
HP_GND
HP-L CH
SPEANA1
SPEANA2
SP_DET
SP_RLY
HI_CUT
S_MUTE
T_T1 T2
T_BIAS
REC/PLAY
D_GND
+5V
SPN_P NC
P20 1 - D
TO DISPLAY PWB
+B
+B
+B
+B
+B
+B
+B
3
2
1
CNS801
CNP801
P23 7 - F
TO POWER SUPPLY PWB
CNS11
+12V
+7V
CD_GND
L-CH
A_GND
R-CH
+B
1
2
3
BIAS OCS
+B
11.6V
C641
0.001
R650
1K
R651
1K
R642
47K
R640
47K
R641
22K
R639
@
22K
C850
3300/25
C556
0.0068
R567
270K
C559
0.0027
C555
0.0068
R555
56K
R566
2.2M
IC563
KIA4558P
OPE AMP.
C553
0.0027
D551
1SS133
R570
220K
R562
390K
R551
10K
R573
560K
R572
2.2M
C562
0.022
R568
220K
R553
12K
R561
15K
C551
270P
R560
470K
C557
270P
R558
68K
R564
390K
C561
0.022
R556
33K
D602
1SS133
C632
390P
R632
8.2K
D601
1SS133
R633
39K
C630
0.001
R634
39K
R631
8.2K
C631
390P
C145
22/25
3
5
K
R160
150 (1/2W)
C628
0.22
R638
220K
R158
220
@
4.7/50
R
624
3
30
R167
100K
Q126
KRC104 M
BIAS
R164
4.7K
R162
47K
L103
100µH
C146
220/16
Q121
T
C3199 GR
MUTING
R157
220K
R626
2.2K
R637
220K
Q124
2SA1015 GR
SWITCHING
R166
47K
C853
0.047(ML)
C854
47/25
D853
1SS133
C852
0.047(ML)
R852
22K
C851
22/25
R851
33
D852
1SS133
Q853
AN78L05
3 1
Q850
KTD2058Y
R850
3.3(1/2W)
D851
1SS133
C859
0.1(ML)
C856
0.1(ML)
C855
0.1(ML)
C858
0.1(ML)
C860
47/25
R854
10K
Q852 KIA7806P
3
1
C857
47/25
R853
22K
D850
1SS133
Q851
KIA7812P
3
1
14
13
12
11
2
2
2
1
4 2
3
5
6
8
7
R580
100K
R579
100K
R578
100K
C568
2.2/50
C567
2.2/50
C566
2.2/50
D554
1SS133
D555
1SS133
D556
1SS133
ZD551
MTZJ6.2C
C563
0.022
R574
330
R575
330
IC562
KIA4558P
4
1
8
7
2
3
5
6
C569
0.022
10
9
8
7
6
5
4
3
2
1
20
19
18
17
16
15
14
13
12
11
21
22
23
24
JK601
C151
0.027(ML)
L104 330µH
R168
12
Q128
KTC3203 Y
C152
47/25
C150
0.0039
3 3
2 2
1 1
BI99
3
2
1
IC99
C98
0.022
C99
100/10
L99
2.2µH
2
3
4
5
7
9
1
CNP701
R855
3.3
(1/2W)
BI801
1
1
2
2
3
3
4
4
5
5
6
6
BI11
6
8
CNS701
+B
OPE AMP.
SUR_ON/OFF
CNP11
P25 12 - B
TO POWER SUPPLY PWB

Related product manuals