EasyManua.ls Logo

Sharp CD-C662 - Block Diagram

Sharp CD-C662
60 pages
Print Icon
To Next Page IconTo Next Page
To Next Page IconTo Next Page
To Previous Page IconTo Previous Page
To Previous Page IconTo Previous Page
Loading...
– 15 –
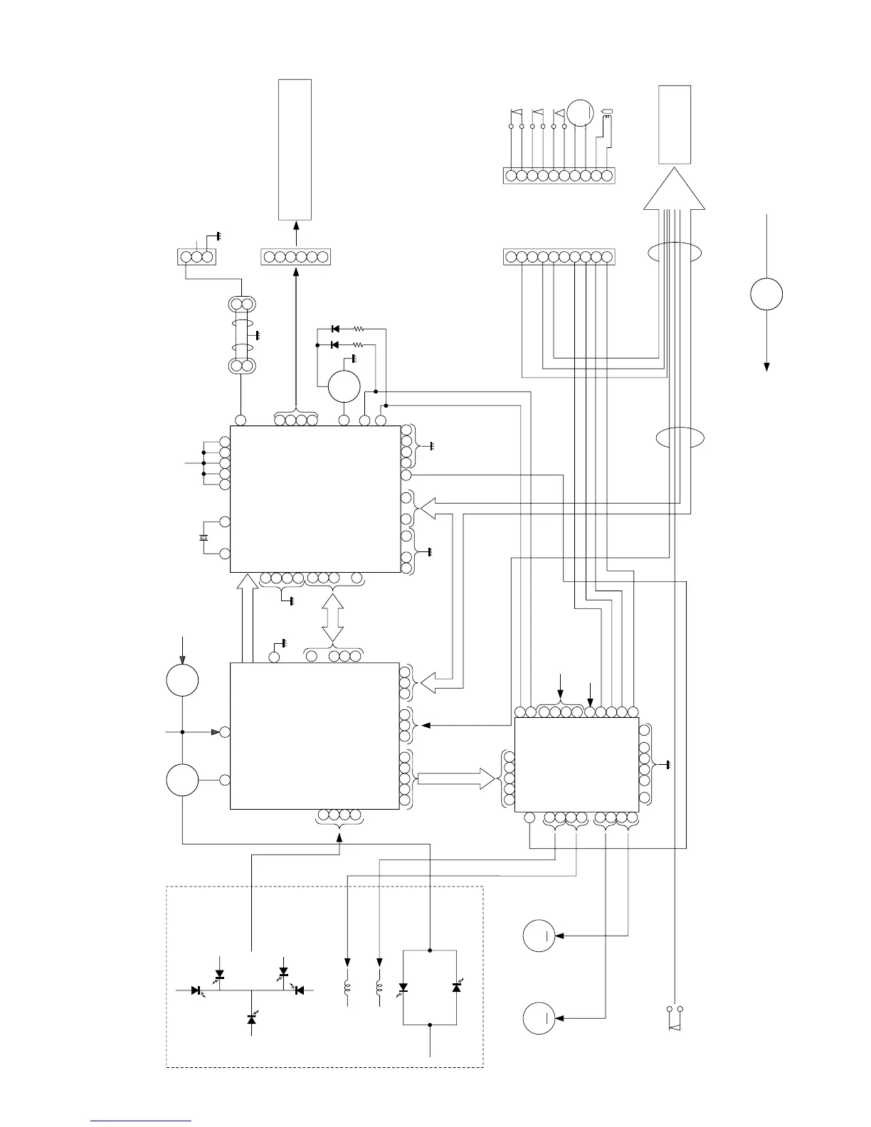
CD-C662
Figure 15 BLOCK DIAGRAM (1/3)
27
1
2
3
4
1
8
6
7
18
24
40
20
4
5
15
23
16
26
27
7
2
2520
29
21
22
35
14
38
39
28
41
42
37
36
PU-IN SW
XL1
XIN
LD0
FIN2
JP–
CV+
SLC
SL1
FIN1
E
F
TO
FD
SPO
NC
SLD
SL–
SL+
DRF
CL
DAT
CE
VCC1
6
+5V
PICKUP IN
SW4
FOCUS COIL
TRACKING COIL
M1
SPINDLE
MOTOR
M
M
M2
SLED
MOTOR
PICKUP UNIT
9
IC2
LC78622NE
SERVO/SIGNAL
CONTROL
+B1
IC3
M63001FP
FOCUS/
TRACKING/
SPIN/SLED
DRIVER
IC1
LA9241M
SERVO AMP.
RES. CQCK. COIN
SQOUT. RWC. WRQ
~
~
~
CL, DAT, SELIAL CONTROL/CE
Q51
SL+. SL–. DRF
9
8
7
6
5
4
3
2
1
GND (D)
MECHA UP
GND (D)
DISK NO.
OPEN/CLOSE
GND (D)
M–
M+
GND (M)
9
8
7
6
5
4
3
2
1
CNP10
M
+5V
+B1
62
64 45 3623 43
37
31
38
39
40
24
25
10
1
2
2
1
3
3
2
1
4
5
6
10
265853
10
12
20
32
40
43
44
5352515431302923271615
4144
Q1
Q52
+4.3V
Q81 +7.3V (+B1)
REGULATOR
TO MAIN SECTION
(TO IC601)
XOUT
EFMO
EFMIN
CLV+
JP–
CONT2
CONT1
LCHO
LVSS
RVSS
RCHO
VVDD
VDD
LVDD
RVDD
XVDD
SW1
OPEN/CLOSE
SW2
MECHA UP
SW3
DISC No.
M3
LOADING
SOLM1
TO MAIN
SECTION
CNS10
+B5
~~
CNP11
BI1B
2
1
BI1A
CNP99
+5V
2
4
8
33
38
39
46
~
646251
11
22

Related product manuals