EasyManua.ls Logo

Sharp CD-C662 - Page 16

Sharp CD-C662
60 pages
Print Icon
To Next Page IconTo Next Page
To Next Page IconTo Next Page
To Previous Page IconTo Previous Page
To Previous Page IconTo Previous Page
Loading...
CD-C662
– 16 –
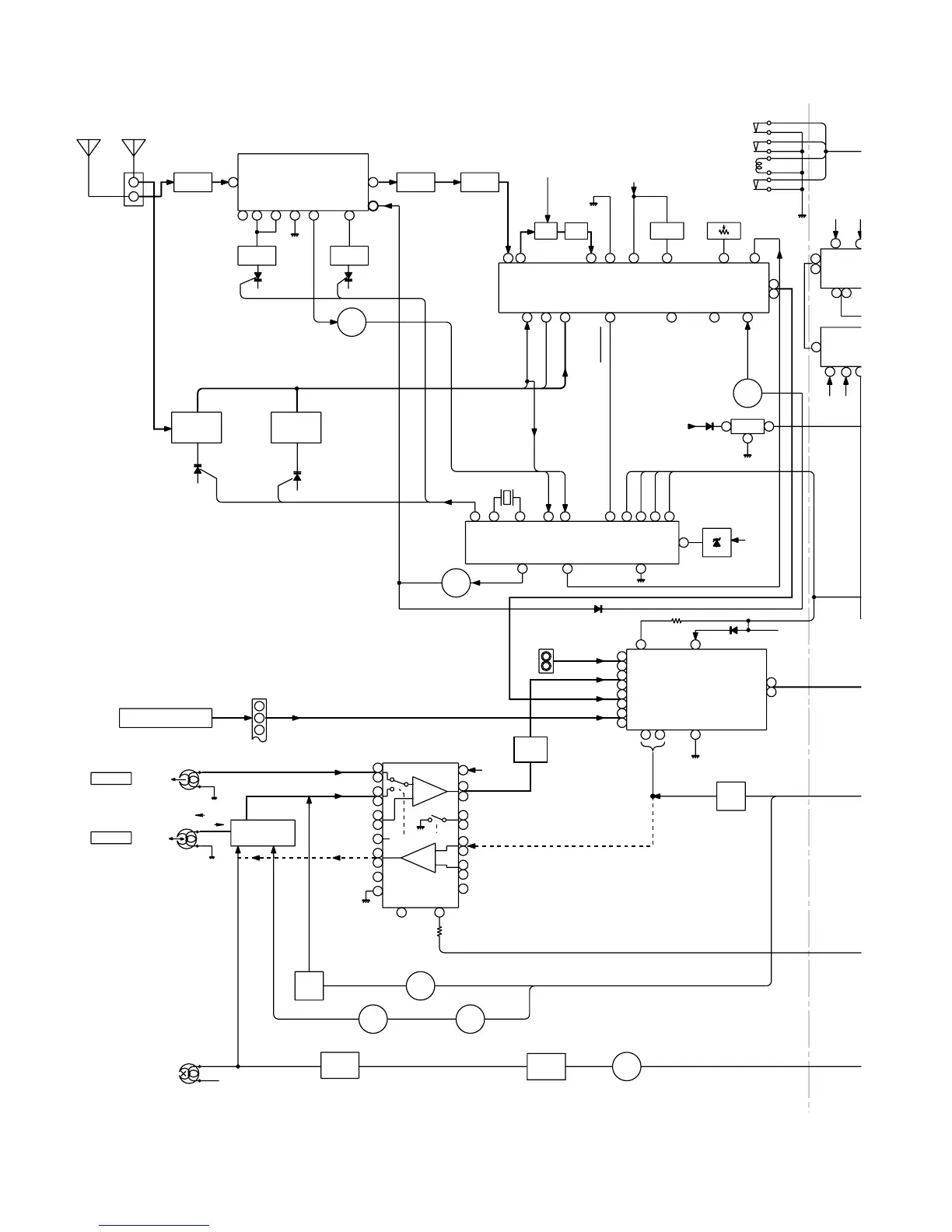
Figure 16 BLOCK DIAGRAM (2/3)
Q113
Q114
5
6
21
16
22
13
20
16
21
17
1 3
24
23
15
20
1
22
15
9
10
11
7
11
3 4
5
6
10
GND AM IF
FM DET
FM DET
FM IN
IC302
LC72131
PLL (TUNER)
OSC
VR351
MPX VCO ADJ
AM IF
AM MIX
AM IN
AM+B
AM RF IN
X352
4.5MHz
FMOSC
AM TRACKING
AM BAND
COVERAGE
T351
+B4
+B4
T352
IC303
LA1805
FM/AM IF MPX.
DET OUT
L
R
STEREO
AM OSC IN
Q343
VT
DO
DI
CL
CE
1
24
2
23
3
4
4
21
5
20
6
7
17
8
9
16
10
14
12
13
18
H/N
T1/T2
R-CH
L-CH
L-CH
R-CH
P.B
REC
TAPE 2
TAPE 1
L NF
L(T1)
R(T1)
L(T2)
R(T2)
R NF
L
R
POP REDUCE
L REC
R REC
L
R
REC
P.B.
REC
ALC
NOR/
HIGH
T1/T2
REF
L NF
R NF
PB HEAD
REC PB HEAD
SWITCHING
Q103~Q106
AC BIAS
IC101
AN7345K
PLAYBACK AND RECORD
/PLAYBACK AMP.
PB
ERASE
HEAD
SWITCHING
BAIS
Q126
Q124
L103
Q128
L104
Q111
Q110
Q109
Q107
Q108
SWITCHING SWITCHING
SWITCHING
+B4
1
2
3
CNS11
FROM CD SECTION
CNP11
17
+B4
VOLTAGE
REGURATER
SWM3
FOOL PROOF
SWM4
F.A.S
SOLM1
SOLENOID
SWM5
CAM
5
16
4
17
3
18
2
19
1
20
9
IC601
M62439SP
AUDIO PROCESSOR
L
L
R
R
L
R
L
R
L
R
L
R
TUNER
AUX
TAPE
CD
1
IC704
3
+B7
2
MUTING
Q121
Q122
–B4
FM/AM
SWITCHING
13
8
9
1
2 3 4
5
7
8
6
Q302
FM IF IN
FM IF
FM RF
FM
OSC
T301
FM OSC
FM
ANTENNA
FM B.P.F
IC301
TA7358AP
FM FRONT END
L303
L302
OSC BUFF
BF301
7
FM
Q344
FM +B
SWITCHING
CF301
FM+B MO/ST
VCO
FM/AM
BIAS
OCS
15 19
11
10
MONO/ST
JK601
VIDEO/AUX
MPX IN
AM LOOP
ANTENNA
T331 T333
CF351
1
6 7
4
8
3
3
5
B
+B5
4
8
–B1+B5
IC56
3
KIA455
8
OPE A
M
IC56
2
KIA455
8
OPE A
M

Related product manuals