EasyManua.ls Logo

Sharp CD-C662 - Schematic Diagram;Wiring Side of P.w.board

Sharp CD-C662
60 pages
Print Icon
To Next Page IconTo Next Page
To Next Page IconTo Next Page
To Previous Page IconTo Previous Page
To Previous Page IconTo Previous Page
Loading...
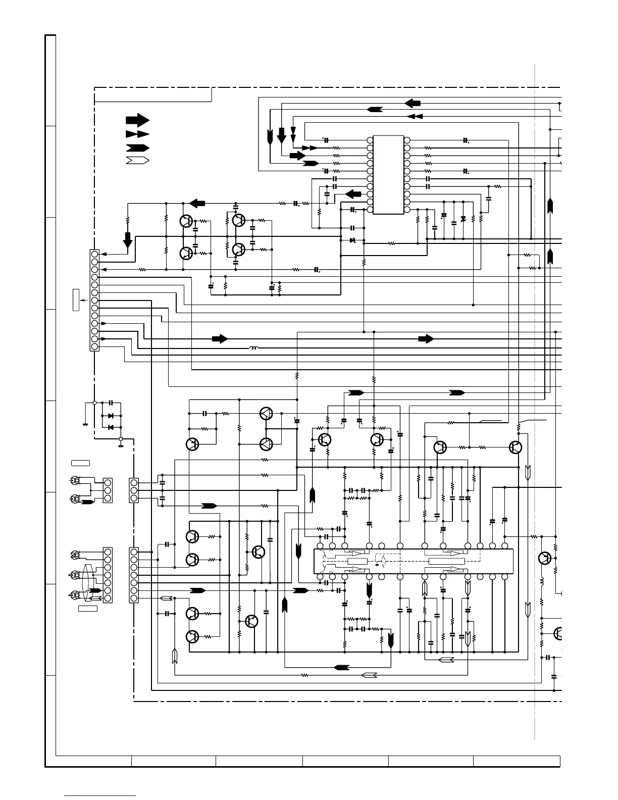
CD-C662
– 18 –
Figure 18 SCHEMATIC DIAGRAM (1/10)
A
B
C
D
E
F
G
H
1
23456
• NOTES ON SCHEMATIC DIAGRAM can be found on page 13.
REC_R
REC_L
CHASSIS
MECHA BASE
L
R
R L
Vcc
GND
T1_R
T1_L
A_GND
A_GND
M_GND
ERASE
T2_R2
T2_R1
T2_L1
T2_L2
9.3V
8.6V
9.3V
0V
3.4V
3.4V
0V
0V
0V
0V
0.7V
0V
0.7V
0V
0V
0V
0.7V
0V
0V
0V
0.7V
0V
0V
0V
0V
0V
0.7V
0.7V
0V
0V
0V
11.7V
11.6V
R-CHL-CH
1
2
9
5
3
4
3
2
10
13
6
12
5
7
11
4
1
7
8
6
NC
NC
ALC
NC
ALC
RIPPLE
Nor/CrO2
+
+
Hich=T1
+
+
Hich=CHROME
56K
112K
56K
112K
0V
0V
1
3
2
1
3
2
1
3
2
6
5
7
4
ERASE
HEAD
R-CH
L-CH
P22 2 - E
TO POWER AMP.PWB
CNP901
HP_RLY
HP_GND
HP-R CH
HP-L CH
SP_RLY
SP_DET
–15V
GND
M_GND
M_+12V
A_GND
R_CH
L_CH
+B
–B
+B +B
–B
+B
2
MUTING
1
2
3
1
2 3
+B
+B
TAPE2
RECORD/
PLAYBACK HEAD
CNS102
CNS101
TAPE1
PLAYBACK HEAD
+B
MAIN PWB-A1(2/2)
FM SIGNAL
CD SIGNAL
PLAYBACK SIGNAL
RECORD SUGNAL
11.6V
R123
3.9K
R121
100K
C121
1/50
C115
47/25
R623
5.6K
C627
22/25
R132
33K
R120
56
C122
1/50
C116
47/25
R635
330
R636
330
R625
22K
R652
100K
R653
100K
R620
2.2K
R619
2.2K
C604
4.7/50
R616
4.7K
R615
4.7K
R146
10K
C145
22/25
C102
0.001
Q104
KTC3200 GR
R102
1K
C117
0.033
C107
0.001
R630 560(1/2W)
C612 0.033
C141
1/50
C106
180P
C105
180P
R108
47K
R155
150
R175
1K
CNS901
R629
560(1/2W)
R610
10K
R153
10K
C156
3.3/50
R109
4.7K
R605 1.5K
R145
10K
Q604
KTC3199 GR
R611
330
C153
100/16
C129
470P
R603 1.5K
C634
8200P
C635
8200P
C112
330P
R609
2.2K
R125
5.6K
R160
150 (1/2W)
C615
0.22
C616
4.7P
R607 1.5K
R126
5.6K
Q105
KTC3200 GR
R136
18K
C628
0.22
R101
1K
C127
0.022
R638
220K
C605
4.7/50
Q111
KRC104 M
SWITCHING
R137
6.8K
C133
22/25
R140
560
R172
220K
Q114
KTC3199 GR
C134
22/25
C624
0.001
CNP101
ZD602
MTZJ2.4B
C620
10/50
C603
4.7/50
C120
560P
Q113
KTC3199 GR
R104
2.2K
R170
1.8K
R142
56
R174
5.6K
Q601
KTC3199 GR
R113
10K
Q107
KTC3199 GR
SWITCHING
C111
330P
Q106
KTC3200 GR
C614 0.22
R606 1.5K
R158
220
R613
10K
Q603
KTC3199 GR
R156
220K
R118
1K
C606
@
4.7/50
R624
330
CNP102
R167
100K
R617
2.2K
C623
0.001
Q602
KTC3199 GR
R115
4.7K
R141
56
C617
10/50
R105
3.3K
C119
560P
IC601
M62439SP
AUDIO PROCESSOR
20
19
18
17
16
15
14
13
12
11
10
9
8
7
6
5
4
3
2
1
C101
0.001
C625
0.001
ZD601
MTZJ2.4B
C619
0.022
R103
2.2K
C130
470P
R173
5.6K
R122
100K
L103
100µH
R614
10K
C109
0.047
R106
3.3K
C132
0.001
R604 1.5K
Q103
KTC3200 GR
R135 18K
Q122
KTC3199 GR
C626
0.001
R114
10K
R124
3.9K
C602
4.7/50
C118
0.033
C611 0.033
C136
0.082
R134 68K
R107
47K
R112
10K
C146
220/16
C114
330P
C629
22/25
R628
22K
IC101
AN7345K
PLAYBACK AND
RECORD/
PLAYBACK
AMP.
R169
1.8K
C131
0.001
Q110
KRC104 M
SWITCHING
R117
1K
Q121
KTC3199 GR
MUTING
C155
3.3/50
R110
4.7K
R131
33K
R608 1.5K
C154
47/16
C140
0.0033
C108
0.001
Q108
KTC3199 GR
SWITCHING
R171
220K
C622
10/50
Q109
2SA1318
SWITCHING
R154
10K
R618
2.2K
C142
1/50
R157
220K
R111 10K
C139
0.0033
C621
10/50
R626
2.2K
R637
220K
R138
6.8K
C135
0.082
Q124
2SA1015 GR
SWITCHING
R166
47K
R602 1.5K
C618
0.022
R139
560
C128
3.3/50
C113
330P
C613 0.22
R601 1.5K
C601
4.7/50
R612
15K
24
23
22
21
20
19
18
17
16
15
14
13
12
11
10
9
8
7
6
5
4 3 2 1
C151
0.027(ML)
L104 330
H
R168
12
Q12
KTC32
C150
0.0039
L601
2.2µH
D101
1SS133
D102
1SS133
C103
0.01
R119
56

Related product manuals