EasyManua.ls Logo

Sharp CD-C662 - Page 17

Sharp CD-C662
60 pages
Print Icon
To Next Page IconTo Next Page
To Next Page IconTo Next Page
To Previous Page IconTo Previous Page
To Previous Page IconTo Previous Page
Loading...
– 17 –
CD-C662
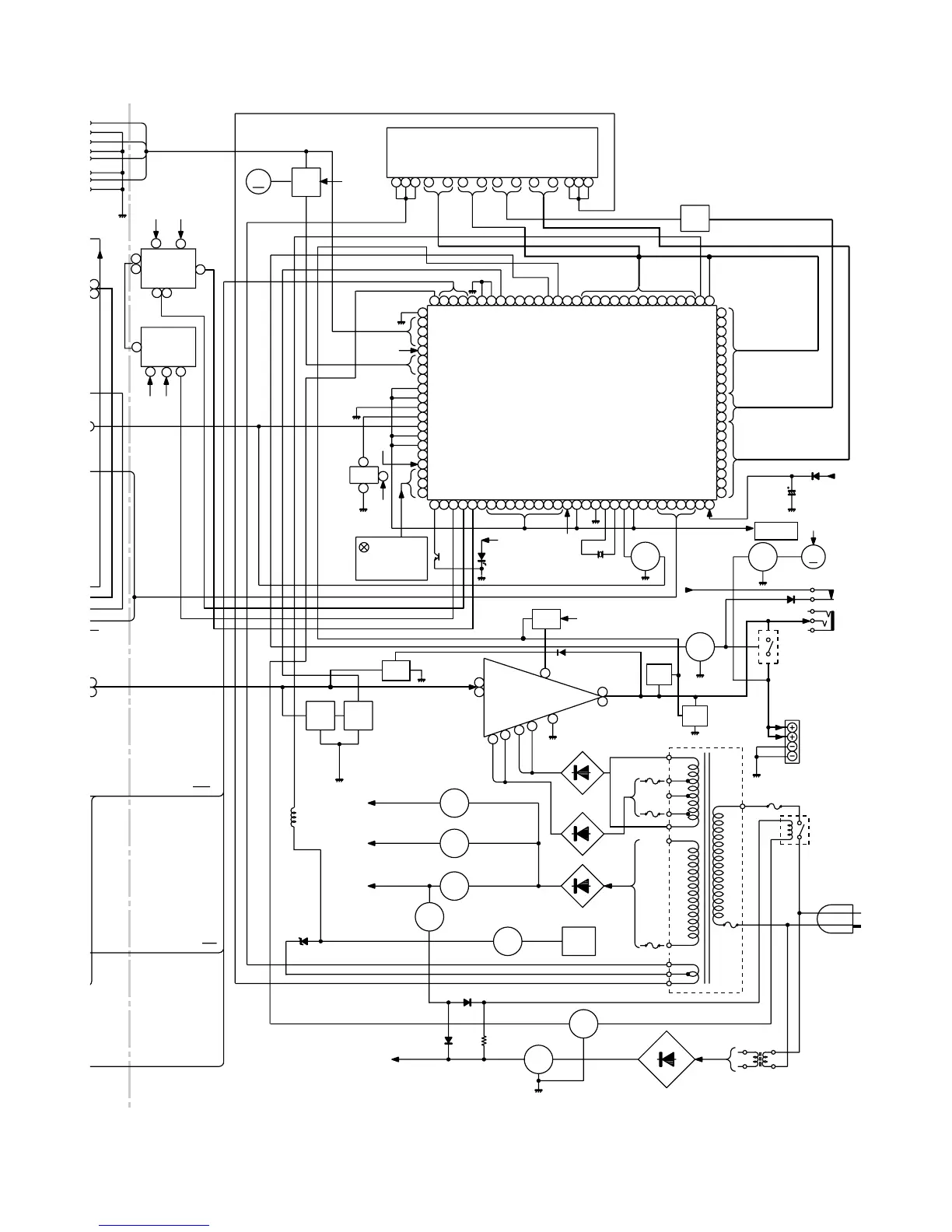
Figure 17 BLOCK DIAGRAM (3/3)
Q704
+B5
Q908
Q909
Q910
Q911
+B5
D810
9
1
0
1 2 3
4
15 2516
26
28
37 38 39
FL701
DISPLAY
9
8
7
6
5
4 3 2 1
IC701
IX0280AW
SYSTEM CONTROL
MICROCOMPUTER
L
R
VDD
UNSWITCH
+B7
MEMORY
BACK UP
VDD
XL701
4.19MHz
+B5
+B7
KEY
SW701,
SW703~SW717,
SW722~SW725,
SW728~SW730
Q905
Q903
Q904
Q901
Q902
+B5
M
Q907
+B1
RL901
TO CD
SECTION
M901
FAN MOTOR
JK671
HEADPHONES
SO901
SPEAKER
TERMINAL
T.F
F801
5A/125V
T801
POWER
TRANSFORMER
RL801
AC POWER
SUPPLY CORD
AC 120V, 60Hz
T802
POWER
TRANSFORMER
Q801
Q802
+B7
UNSWITCH
1
BAIS
T1/T2
REC
–B4
D809
D811~D814
Q803
D815
~D817
2
3
1
+B7
RX701
Q705
Q706
Q707
7
8
1
4
15
14
13
L-OUT
IC901
STK40704
POWER AMP.
VH–
VH+
VL–
VL+
R-OUT
1
3
8
Q601
Q602
ZD802
Q603
Q604
+B1
+B4
+B5
+7.3V
+12V(ANALOG)
+12V(MOTOR)
Q853
Q852
Q851
Q850
VOLTAGE
REGULATOR
VOLTAGE
REGULATOR
VOLTAGE
REGULATOR
VOLTAGE
REGULATOR
Q702
Q703
AVDD
~~~
18
22
2
101112131415161718192021222324
25
2627
282930
31
32
33
34
35
36
37
38
39
40
41
42
43
44
45
46
47
48
49
50
100
99
98
97
96
95
94
93
92
91
90
89
88
87
86
85
84
83
82
81
7170696867666564636261 80797877
767574
737260595857
56
5554
535251
N
O/ST
VDD
PHM1
D802~D805
FRONT
SPEAKER
F804
5A/125V
F805
5A/125V
F806
2A/250V
29
36
~
M
MM1
TAPE MOTOR
+B7
+B7
1
1
6 7
4
8
3
3
5
–B1+B5
4
8
–B1+B5
IC563
KIA4558P
OPE AMP.
IC562
KIA4558P
OPE AMP.

Related product manuals