EasyManua.ls Logo

Sharp CD-C662 - Page 23

Sharp CD-C662
60 pages
Print Icon
To Next Page IconTo Next Page
To Next Page IconTo Next Page
To Previous Page IconTo Previous Page
To Previous Page IconTo Previous Page
Loading...
– 23 –
CD-C662
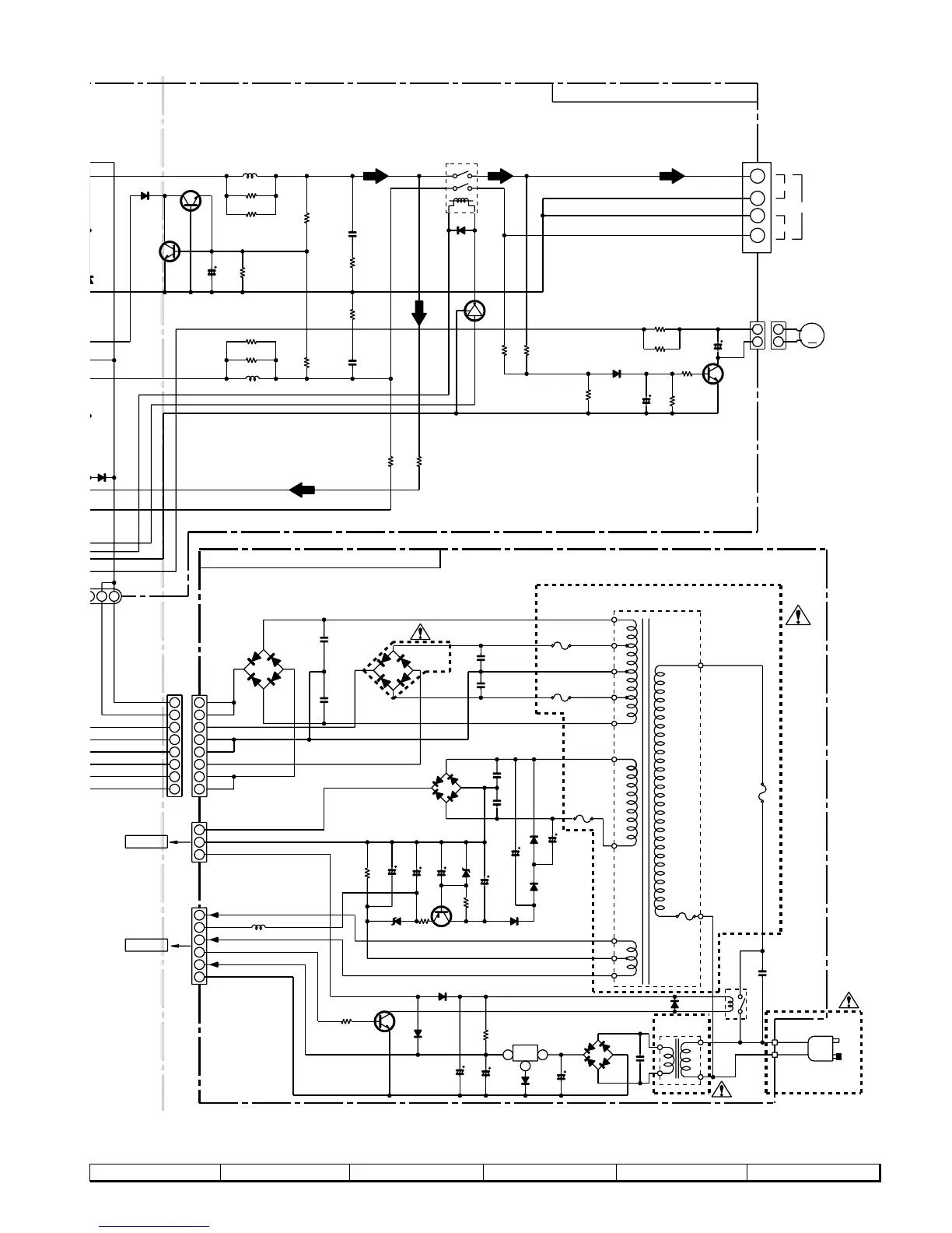
Figure 23 SCHEMATIC DIAGRAM (6/10)
7
8 9 10 11 12
+
VH+
VH+
M903
FAN MOTOR
CNS903
+5V
+B
GND
8
7
6
1
2
3
+B
+
+
L-CH
R-CH
6ohms
POWER AMP.PWB-B2
GND
VL–
VL+
VH–
VH+
UN_SW_5V
D_GND
AC_RLY_CON
VF1
–VP
VF2
CNS802
+
~
~
–B
+B
+B
+B
+B
VOLTAGE
REGULATOR
AC POWER
SUPPLY CORD
(249)
AC 120V/60Hz
T.F
POWER SUPPLY PWB-B1
F804
5A/125V
F805
5A/125V
F806
2A/250V
F801
5A/125V
L802
100µH
C801
0.0047
R805
10
D810
BR102J02
T801
POWER TRANSFORMER
R804
1K
Q802
KTC3199 GR
T802
POWER
TRANSFORMER
C811
0.22(ML)
C812
0.22
(ML)
R936
220(1/2W)
D905
1N5402M
D909
1SS133
Q904
KTC3199 GR
Q903
KTC3199 GR
C925
47/50
R923
56K
D815
1N4004S
D816
1N4004S
CNP801
Q905
KRC107 M
R938
68K
R937
15K
D912
1SS133
C943
10/50
R939
3.9K
C945
47/25
Q907
KTC3199 GR
ZD801
MTZJ30C
C818
47/50
R802
2.2K
CNP704
C903
4700/35
L902
0.29µH
R928
10(1/2W)
R926
10(1/2W)
R932
4.7(1/2W)
R929
56K
C929
0.1(ML)
L901
0.29µH
R925
10(1/2W)
R927
10(1/2W)
R931
4.7(1/2W)
RL901
D911
1SS133
D901
1N4004S
SO901
SPEAKER
TERMINAL
R935
220(1/2W)
R933
4.7K
R934
4.7K
D803
1N4004S
D809
TS6B04GM
D817
1N4004S
C817
220/50
Q803
KTA1274 Y
R803
12K
C820
100/35
ZD802
MTZJ6.2A
C819
47/50
D811
1N4004S
D814
1N4004S
D812
1N4004S
Q801
AN78L05
3 1
D808
1SS133
D807
1SS133
D805
1N4004S
D802
1N4004S
C809
0.22
C810
0.22
D806
1SS133
C803
470/25
R801
100
D804
1N4004S
C815
100/50
C816
100/50
D813
1N4004S
C805
2200/6.3
C804
10/16
C814
0.047
(ML)
C813
0.047
(ML)
2
1 1
2 2
CNP903
M
BI802
1
2
3
4
5
6
7
8
1
2
3
4
5
6
7
8
CNP802
1
2
3
4
5
6
1
2
3
RL801
D801
1SS133
C802
0.047
(ML)
R942
560
(2W)
R941
560(2W)
C930
0.1(ML)
R930
56K
+B
P21 12 - E
TO DISPLAY PWB
CNS801
TO MAIN PWB
P19 12 - G
CNS704

Related product manuals