EasyManua.ls Logo

Sharp CD-DH790N - Page 26

Sharp CD-DH790N
86 pages
Print Icon
To Next Page IconTo Next Page
To Next Page IconTo Next Page
To Previous Page IconTo Previous Page
To Previous Page IconTo Previous Page
Loading...
CD-DH790N
6 – 6
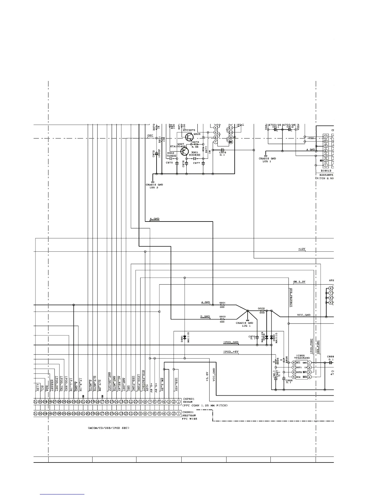
Figure 6-5: MAIN SCHEMATIC DIAGRAM (5/6)
TO SERVO PWB
C992
100P
47P
47P
47P
7
8 9 10 11 12

Other manuals for Sharp CD-DH790N

Related product manuals