EasyManua.ls Logo

Sharp CD-DH790N - Page 28

Sharp CD-DH790N
86 pages
Print Icon
To Next Page IconTo Next Page
To Next Page IconTo Next Page
To Previous Page IconTo Previous Page
To Previous Page IconTo Previous Page
Loading...
CD-DH790N
6 – 8
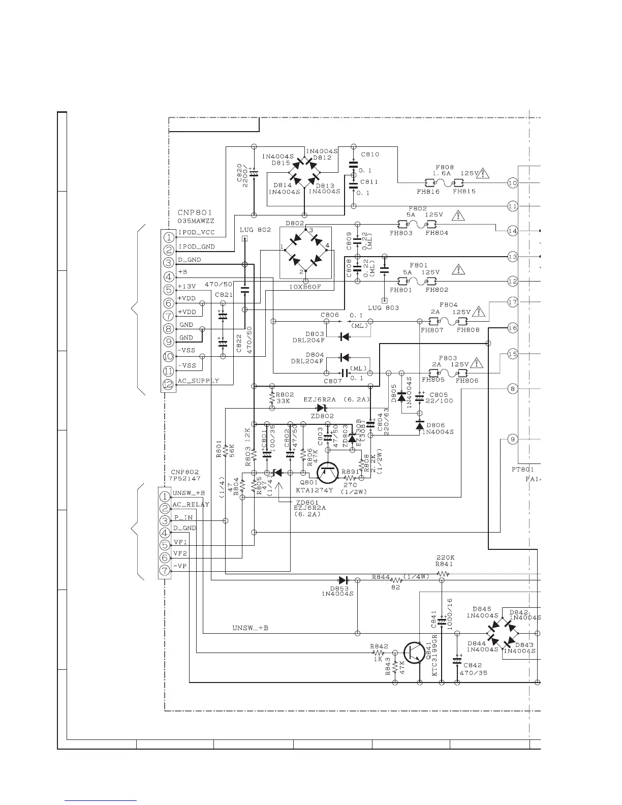
Figure 6-7: POWER SCHEMATIC DIAGRAM (1/2)
POWER PWB-A2
25V
C814
0.1u
TO DISPLAY SECTION TO AMP SECTION
0812
0.1u
A
B
C
D
E
F
G
H
1
23456

Other manuals for Sharp CD-DH790N

Related product manuals