EasyManua.ls Logo

Sharp CD-DH790N - Page 29

Sharp CD-DH790N
86 pages
Print Icon
To Next Page IconTo Next Page
To Next Page IconTo Next Page
To Previous Page IconTo Previous Page
To Previous Page IconTo Previous Page
Loading...
CD-DH790N
6 – 9
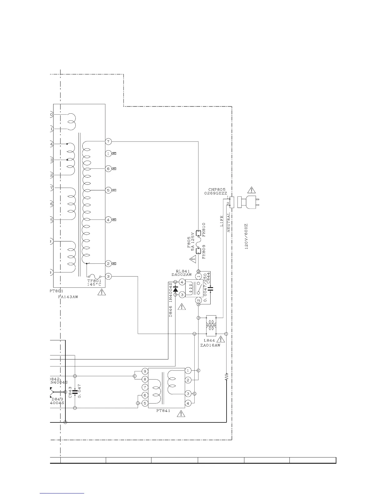
Figure 6-8: POWER SCHEMATIC DIAGRAM (2/2)
PA078AWZZ
AC POWER SUPPLY CORD
R845
4.7M (1/2w)
7
8 9 10 11 12

Other manuals for Sharp CD-DH790N

Related product manuals