EasyManua.ls Logo

Sharp CD-DH790N - Page 30

Sharp CD-DH790N
86 pages
Print Icon
To Next Page IconTo Next Page
To Next Page IconTo Next Page
To Previous Page IconTo Previous Page
To Previous Page IconTo Previous Page
Loading...
CD-DH790N
6 – 10
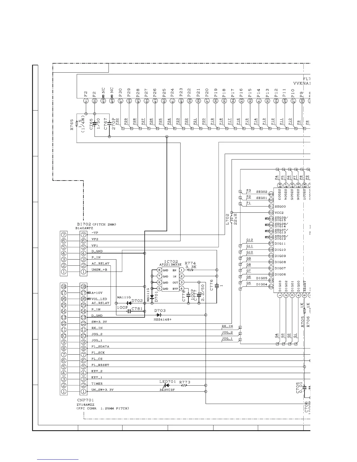
Figure 6-9: DISPLAY SCHEMATIC DIAGRAM (1/2)
FROM SERVO PWB
DISPLAY PWB-A3
FROM SERVO PWB
680
A
B
C
D
E
F
G
H
1
23456

Other manuals for Sharp CD-DH790N

Related product manuals