EasyManua.ls Logo

Sharp CD-DH790N - Page 35

Sharp CD-DH790N
86 pages
Print Icon
To Next Page IconTo Next Page
To Next Page IconTo Next Page
To Previous Page IconTo Previous Page
To Previous Page IconTo Previous Page
Loading...
CD-DH790N
6 – 15
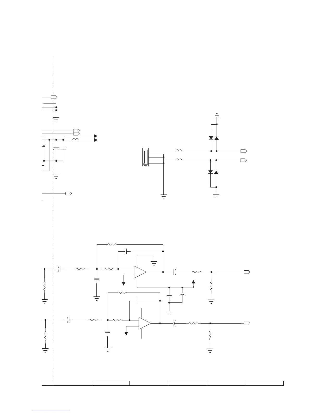
Figure 6-14: SERVO SCHEMATIC DIAGRAM (2/6)
)
C500.1uF
C
53
2pF
FB93 300RH
R620K(NC)
R630K
R64
0K(NC)
EC4220uF
XIN
SW+3_3V
TUNER-R
TUNER-L
GND
T3V3
GND
XIN
FB85
300RH-->0R
1
2
3
4
5
CON2
CON5P-2.5MM
5P,2mm
FB86
300RH-->0R
D121N4148
D13
1N4148
D141N4148
D15
1N4148
AMI
GND
FMI
GND
GND
-
+
3
2
1
84
U8-A
NJM4558
-
+
U8-B
NJM4558
R82
100k
R130
1K
R140
5.1k
R141 31k
R131 10k
R148
100k
R155
5.1K
R138
10k
R13631k
R166100k
R137
1K
R139
100k
EC5
100uF
C58
4.7uF
C113
4.7uF
C41 1000pF
C59 1000pF
C112
0.1uF
C48
82pF
C56
82pF
C144
4.7uF
C57
4.7uF
GND
GND
GND
G
ND
GND
VER
GND
TUN-L
A9V
TUN-R
GND
GND
VER
7
8 9 10 11 12

Other manuals for Sharp CD-DH790N

Related product manuals