EasyManua.ls Logo

Sharp CD-M4000 - Page 28

Sharp CD-M4000
54 pages
Print Icon
To Next Page IconTo Next Page
To Next Page IconTo Next Page
To Previous Page IconTo Previous Page
To Previous Page IconTo Previous Page
Loading...
CD-*iil4000W/CP-M4000
A
3
_
.,
-
D
E
F
-
G
H
1
so301
FM
ANTENNA
TERMINAL
,-P-P--_-_
-------
MAIN
PWB-A
(2/2)
r-
-----_-_
c314
0.0047
D305,DS1SSW
---I?
c315
0.0047
^^.
^^^^
FM FRONT END
-
22P
R309
CF303
(WI
iOK
FM SIGNAL
R316
(fS
AM SIGNAL
47K
I
-e
I
s
IC302
LC72131
PLL(TUNER
IC303
LA1
8328
FM
IF
DET./FM
MPX./AM
IF
.I
l
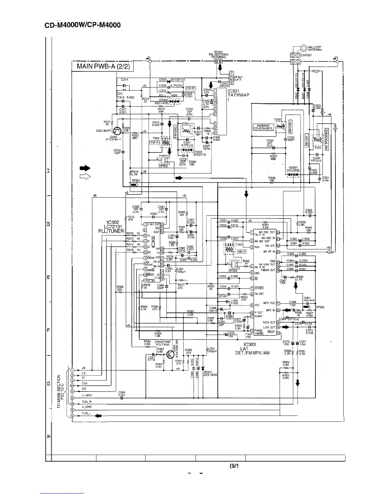
NOTES ON SCHEMATIC DIAGRAM can be found on page 39.
1
2
3
4
5
I
6
J
Figure 28 SCHEMATIC DIAGRAM
(9/l
0)
-
28
-

Other manuals for Sharp CD-M4000

Related product manuals