EasyManua.ls Logo

Sharp CD-XP200 - Page 26

Sharp CD-XP200
64 pages
Print Icon
To Next Page IconTo Next Page
To Next Page IconTo Next Page
To Previous Page IconTo Previous Page
To Previous Page IconTo Previous Page
Loading...
CD-XP200/CD-XP2200
– 26 –
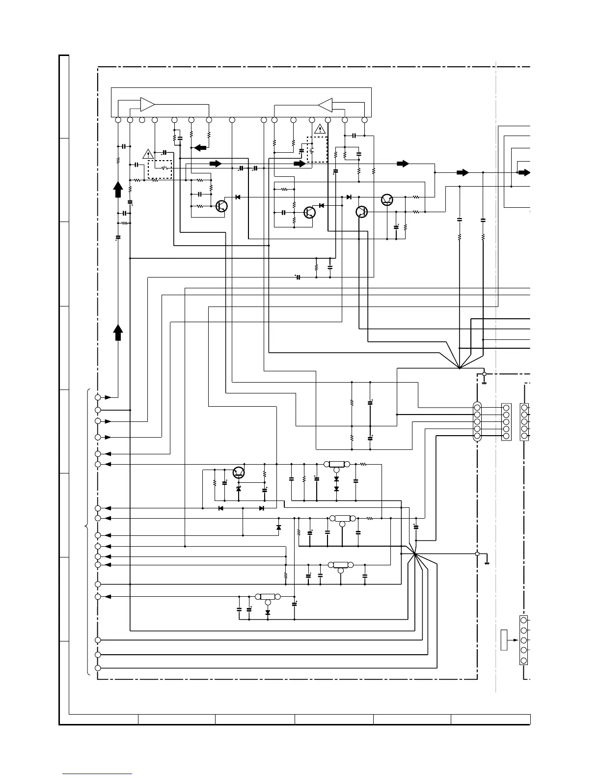
Figure 26 SCHEMATIC DIAGRAM (5/10)
A
B
C
D
E
F
G
H
1
23456
• NOTES ON SCHEMATIC DIAGRAM can be found on page 18.
18V
13V
3
1
3 1
3 1
3 1
2
2
2
2
+B_PROTECT
GND (D_GND)
GND (M_GND)
+B2
R-CH
L-CH
SP_RLY
SP_DET
GND
(CD_GND)
CD(A_GND)
A_+10V
M_+13.5V
L
R
R
L
L
R
FAN MOTOR 5V
UNSW_5.6V
D_5V
SW_5V
LD+7V
A_5V
(A_GND)
GND
5
4
3
2
1
4
5
2
3
1
15
1413121110
9 8 7 6
5 4 3 2 1
1
2
3
4
5
1
2
3
4
5
CH1
OUT
OUT
CH2
CH2
CH1
+
+
+VCC
–VCC
R-CH
L-CH
CNS705
P29 12 - E
FROM DISPLAY PWB
P22 2 - B~D
TO MAIN SECTION
1
2
3
4
5
6
7
8
9
10
11
12
13
14
15
16
17
SP R
E
ON-
O
VOLTAGE REGULATOR
+B
+B
+B
+B +B
+B
+B
+B
+B
+B
+B
+B
+B
+B
+B
+B
+B
+B
+B
+B
+B
+B
+B
+B
IC901
STK4029S
POWER AMP.
C907
100P
R903
1K
C905
3.3P
(CH)
C903
0.001
R907
56K
R909
1K
R911
820
C909
4.7/50
R901
56K
C901
0.22/50
R921
100(1/4W)
Fusible
C913
100/63
R925
22K
C932
0.22
R923
1K
R915
1.5K
C911
0.022
R913
0.1 (1W)
Q901
KTC3199 GR
D905
DS1SS133
C915
10/63
C916
10/63
R919
0.22(2W)
R917
0.22(2W)
R922
100(1/4W)
Fusible
C914
100/63
R920
0.22(2W)
R918
0.22(2W)
R912
820
C910
4.7/50
R904
1K
R910
1K
C908
100P
C906
3.3P(CH)
R908
56K
R914
0.1 (1W)
C912
0.022
R916
1.5K
R924
1K
D906
DS1SS133
Q902
KTC3199 GR
D907
DS1SS133
Q904
KTC3199 GR
Q903
KTC3199 GR
R936
56K
R935
56K
R937
56K
C925
47/50
C928
0.1(ML)
R940
4.7
R941
4.7
C929
0.1(ML)
R93
8
680
R94
3
680
D
9
DS1
S
Q
9
KTC3
1
BI801
CNS801
C
CNP802
C856
3300/35
R857
3.3(1/2W)
C855
0.1(ML)
IC852
KIA7810AP
C854
0.1(ML)
C853
47/25
R853
22K
D852
DS1SS133
D857
DS1SS133
R859
22K
C863
22/50
IC855
KTC2026
R860
220
C865
10/50
ZD852
DZ8.2BSB
D851
DS1SS133
C851
0.047(ML)
R854
22K
C852
22/50
D859
DS1SS133
IC851
KIA7812AP
R927
22K
C949
2200/63
C948
2200/63
R926
22K
R856
3.3 (1/2W)
C864
0.1(ML)
D858
DS1SS133
IC853
KIA7805AP
C859
0.1(ML)
C858
0.022
C857
47/25
R852
10K
IC854
AN78L05
IC851~IC854
VOLTAGE REGULATOR
C861
0.047(ML)
C860
47/25
D856
DS1SS133
C862
10/50
C904
0.001
R902
56K
C902
0.22/50

Related product manuals