EasyManua.ls Logo

Sharp CD-XP300H - Page 12

Sharp CD-XP300H
43 pages
Print Icon
To Next Page IconTo Next Page
To Next Page IconTo Next Page
To Previous Page IconTo Previous Page
To Previous Page IconTo Previous Page
Loading...
CD-XP300H
– 20 –
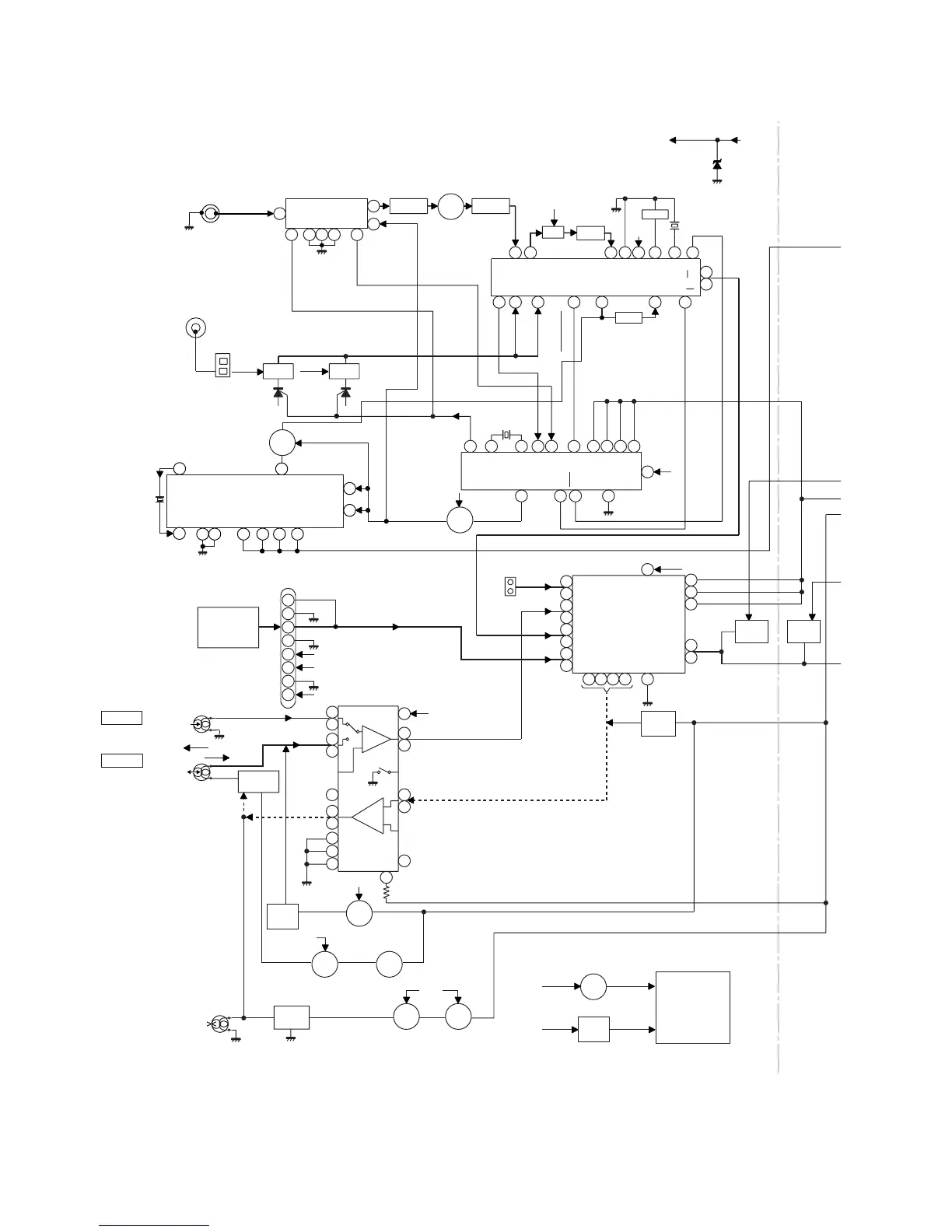
Figure 20 BLOCK DIAGRAM (2/3)
+B6
7
8
6
5
4
+B4
IC101
AN7345K
PLAYBACK AND RECORD
/PLAYBACK AMP.
AUX
L
R
JK690
VIDEO/AUX IN
VCC
+B5
CLK
+B6
+B6
+B6
+B5
AM IF
VT
AM LOOP
ANTENNA
CNP301
BI601
–20dB
ATT
Q101~
Q104
Q107
Q108
Q601
Q602
Q603
Q604
10.7 MHz
450 kHz
REC/PLAY
CLK
CE
DI
DO
DI
CE
MO/ST
SWITCHING
+B5
FM/AM
IC302
LC72131
PLL
(TUNER)
FM/AM
OUT
R
L
BIAS
T1/T2
MUTING
P.B.
REC.
AC BIAS
TAPE
TUNER
CD
PB
CNP7
FROM
CD SERVO
SECTION
HEAD
ERASE
SWITCHING
SWITCHING
SWITCHING
BIAS
Q113
Q114
Q112
Q110
Q706
Q707
Q708
SWITCHING
Q109
BIAS OSC
Q111
L103
Q105
Q106
RECORD/
PLAYBACK
HEAD
TAPE 2
PLAYBACK
HEAD
TAPE 1
L-CH
R-CH
L-CH
R-CH
IC601
LC75341
AUDIO
PROCESSOR
+B5
R
L
REC
R
L
ALC
R REC
L REC
POP
REDUCE
SWITCHING
L(T2)
R(T2)
R(T1)
L(T1)
+B7
+B8
R
L
PHASE
(FM/AM)
MPX IN
STEREO
AM RF IN
AM OSC IN
AM OSC OUT
FM
Q360
X OUT
X352
4.5 MHZ
AM BAND
COVERAGE
AM
TRACKING
T303 T306
X351
456 kHz
ZD351
5.1V
MO/ST
VCO
FM
DET
FM+B
GND
AM IF
CF351
IC303
LA1832S
FM IF DET.
FM MPX./AM IF
AM MIX
CF352
T351
CF302
CF301
Q301
FE301
FM FRONT END
21
4
24
2
1
81817
3
9
10
18
11
16
3
15
10
9
7
23
14
12
13
1
2
19
7
18
10
13
21
4
2
24
23
6
9
16
12
11
15
1
5413
7
2
4
1
21
7
985
17
6
21
21
20 22 11
17
1615
5
1
6
3
13
14
12
15
162324
4
7
H/N
P.B
REC
T1/T2
T1/T2
ALC
+B5
+B5
+B5
SYSTEM
MUTE
TAPE
MECHANISM
ASS'Y
MOTOR
DRIVER
SOLENOID
DRIVER
+B3
+B3
ICT21
LC72723
RDS DEORDER
16
15
14
13
8
9
10
2
3
11
7
SO301A
FM ANTENNA
TERMINAL
MPX IN
VDDA
X OUT
X IN
QT21
XT21
4.332 MHz
RST
RDDA
RDCL
RD-ID/
READY
AOUT
X IN
L354
LOW PASS LOW
FM IF
AMP.
R
L
+B5
VSSD
TEST
L
R
L
R
L
R
L
R
VDDD

Other manuals for Sharp CD-XP300H

Related product manuals