EasyManua.ls Logo

Sharp CD-XP3300 - Page 26

Sharp CD-XP3300
68 pages
Print Icon
To Next Page IconTo Next Page
To Next Page IconTo Next Page
To Previous Page IconTo Previous Page
To Previous Page IconTo Previous Page
Loading...
CD-XP300/CD-XP3300
– 26 –
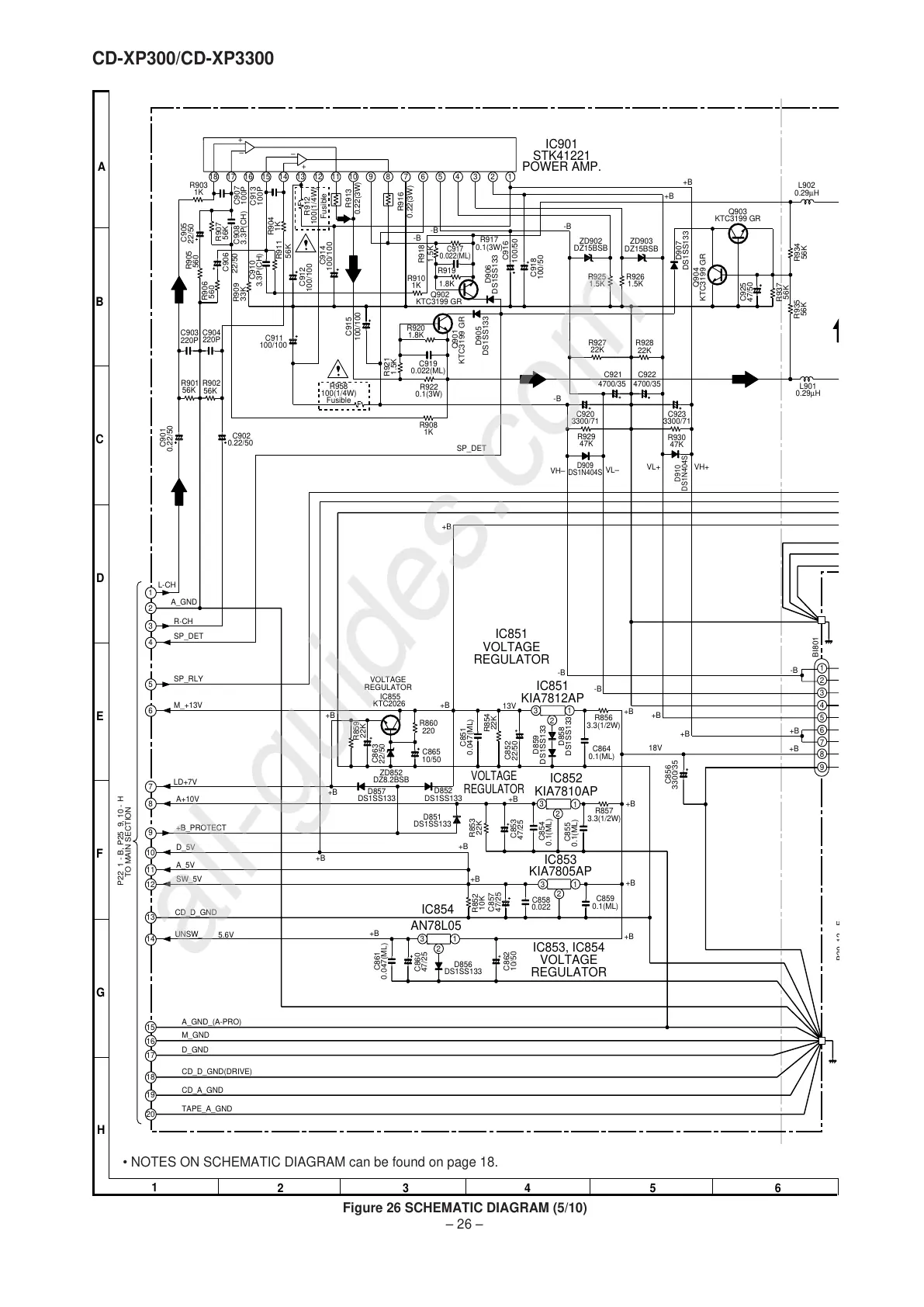
Figure 26 SCHEMATIC DIAGRAM (5/10)
A
B
C
D
E
F
G
H
1
23456
• NOTES ON SCHEMATIC DIAGRAM can be found on page 18.
31
31
3
1
31
9
101112131415161718
87654321
2
2
2
2
CD_D_GND(DRIVE)
CD_A_GND
TAPE_A_GND
L-CH
A_GND
+B_PROTECT
+B
SP_RLY
R-CH
A+10V
SP_DET
A_5V
LD+7V
SW_5V
D_5V
M_+13V
D_GND
M_GND
A_GND_(A-PRO)
UNSW_
5.6V
CD_D_GND
VH+
VH–
VL–
VL+
SP_DET
18V
13V
P22 1 - B, P25 9, 10 - H
TO MAIN SECTION
4
5
1
6
8
9
2
7
3
+
+
P29 12 E
1
2
3
4
5
6
7
8
9
10
11
12
13
14
15
16
17
18
19
20
+B
+B
+B
+B
+B
+B
+B
+B
+B
+B
+B
+B
+B
+B
+B
+B
+B
+B
-B
-B
-B
-B
-B
-B
-B
VOLTAGE
REGULATOR
L901
0.29µH
C925
47/50
R934
56K
R935
56K
R937
56K
D907
DS1SS133
Q904
KTC3199 GR
Q903
KTC3199 GR
ZD903
DZ15BSB
ZD902
DZ15BSB
R926
1.5K
R925
1.5K
C918
100/50
C916
100/50
D906
DS1SS133
Q902
KTC3199 GR
C917
0.022(ML)
R917
0.1(3W)
R919
1.8K
D905
DS1SS133
R918
1.5K
R910
1K
Q901
KTC3199 GR
R908
1K
R922
0.1(3W)
R920
1.8K
R921
1.5K
C919
0.022(ML)
R958
100(1/4W)
Fusible
C915
100/100
R902
56K
C904
220P
C903
220P
C911
100/100
C901
0.22/50
C902
0.22/50
R901
56K
R928
22K
R927
22K
IC901
STK41221
POWER AMP.
R929
47K
R930
47K
C923
3300/71
D910
DS1N404S
D909
DS1N404S
C922
4700/35
C920
3300/71
C921
4700/35
C856
3300/35
C855
0.1(ML)
C864
0.1(ML)
D859
DS1SS133
D858
DS1SS133
IC851
KIA7812AP
IC851
VOLTAGE
REGULATOR
IC852
KIA7810AP
VOLTAGE
REGULATOR
R856
3.3(1/2W)
C852
22/50
R854
22K
C851
0.047(ML)
R857
3.3(1/2W)
R853
22K
C853
47/25
C854
0.1(ML)
C857
47/25
C858
0.022
C859
0.1(ML)
C862
10/50
BI801
L902
0.29µH
IC853
KIA7805AP
IC853, IC854
VOLTAGE
REGULATOR
IC854
AN78L05
C861
0.047(ML)
C860
47/25
D856
DS1SS133
R852
10K
C865
10/50
R859
22K
R860
220
ZD852
DZ8.2BSB
C863
22/50
IC855
KTC2026
D857
DS1SS133
D852
DS1SS133
D851
DS1SS133
C913
100P
C912
100/100
R911
56K
R913
0.22(3W)
R904
1K
R916
0.22(3W)
R912
100(1/4W)
Fusible
C914
100/100
R909
33K
C908
3.3P(CH)
R907
56K
C905
22/50
R905
560
R906
560
C906
22/50
R903
1K
C907
100P
C910
3.3P(CH)
All manuals and user guides at all-guides.com
all-guides.com

Related product manuals