EasyManua.ls Logo

Sharp CE-150 - Page 63

Sharp CE-150
412 pages
Print Icon
To Next Page IconTo Next Page
To Next Page IconTo Next Page
To Previous Page IconTo Previous Page
To Previous Page IconTo Previous Page
Loading...
All and more about Sharp PC-1500 at http://www.PC-1500.info
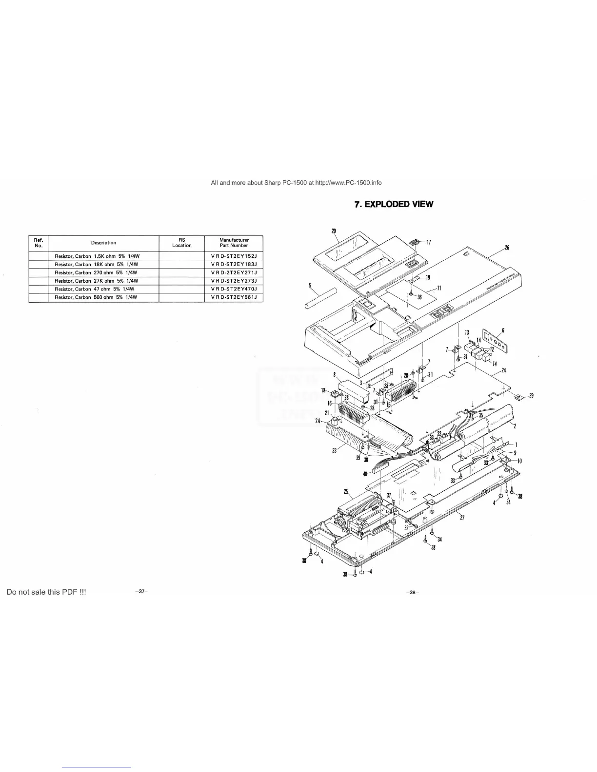
7.
EXPLODED
VIEW
Ref.
Description
RS
Manufacturer
No.
Location Part Number
26
Resistor, Carbon 1.5K ohm
5%
1/4W V R
D-ST2EY152J
Resistor, Carbon 18K ohm
5%
1/4W
V R
D-ST2EY183J
Resistor, Carbon 270 ohm
5%
1/4W V R
D-2T2EY271J
Resistor, Carbon 27K ohm
5%
1 /4W
V R
D-ST2EY273J
Resistor, Carbon 47 ohm
5%
1/4W
V R
D-ST2EY470J
Resistor, Carbon 560 ohm
5%
1 /4W
V R
D-ST2EY561J
I
)~ll!
4
34
Do not sale this PDF !!!
-
37-
-38-

Related product manuals