EasyManua.ls Logo

Sharp CK32S4 - Block Diagram

Sharp CK32S4
38 pages
Print Icon
To Next Page IconTo Next Page
To Next Page IconTo Next Page
To Previous Page IconTo Previous Page
To Previous Page IconTo Previous Page
Loading...
14
32K-S400, CK32S40
36K-S400, CK36S40
H
G
F
E
D
C
B
A
1 23456
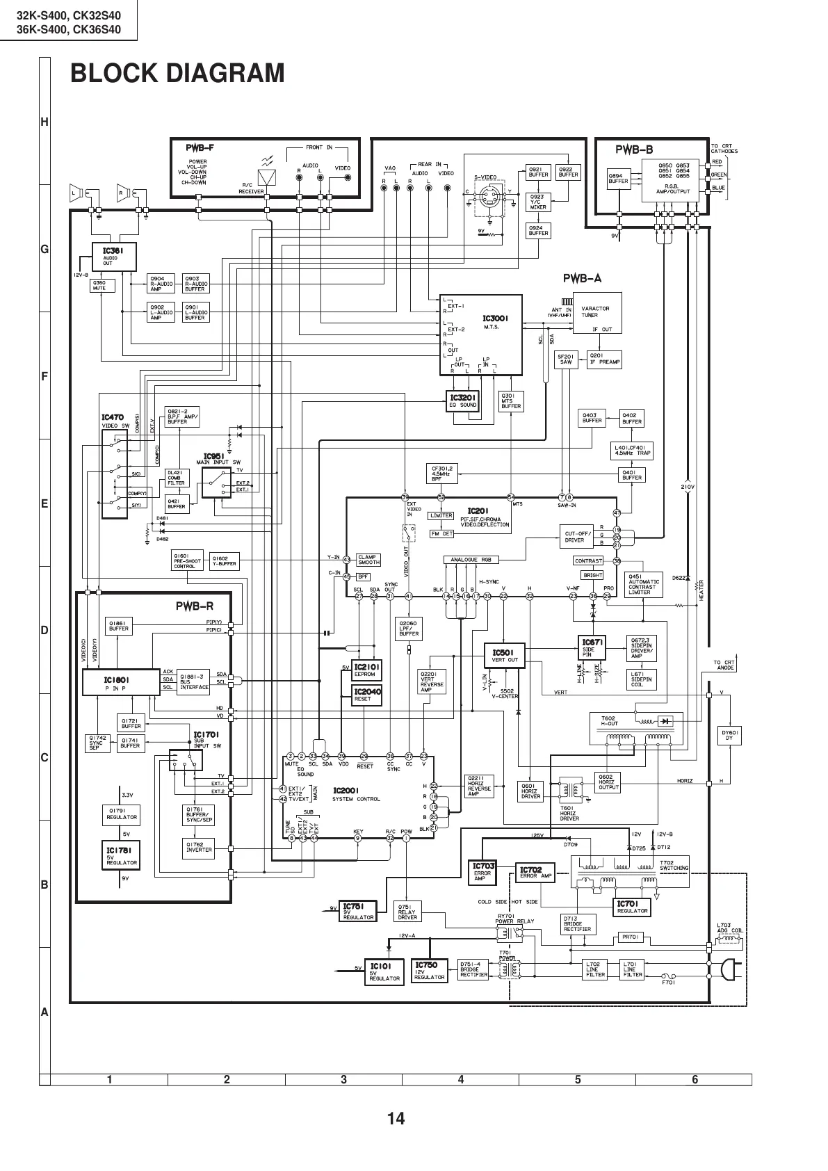
BLOCK DIAGRAM
All manuals and user guides at all-guides.com

Related product manuals