EasyManua.ls Logo

Sharp HT-DP4000 - Page 17

Sharp HT-DP4000
44 pages
Print Icon
To Next Page IconTo Next Page
To Next Page IconTo Next Page
To Previous Page IconTo Previous Page
To Previous Page IconTo Previous Page
Loading...
HT-DP4000
– 17 –
7
8 9 10 11 12
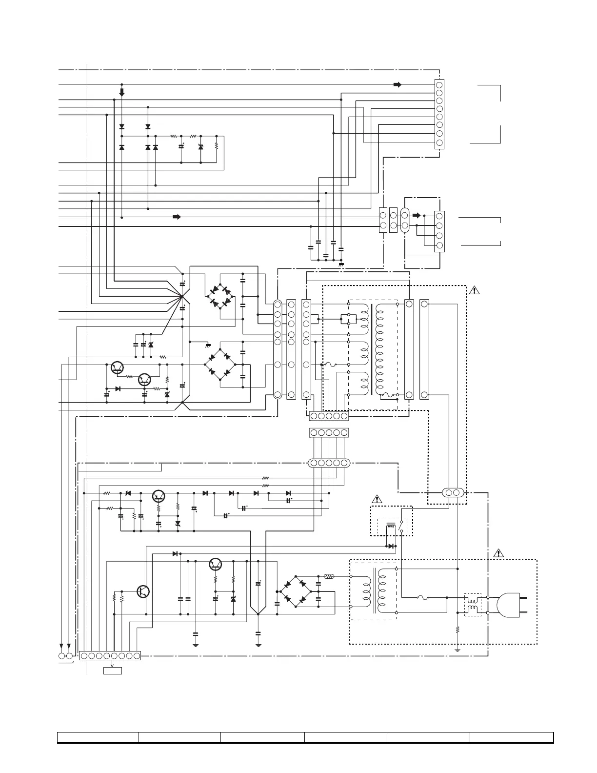
Figure 17 DIAGRAM (4/7)
T602
120V,60Hz
VF2
POW_1
POW_2
D_GND
POW_SW
-VPP
A-12V
VF1
U-COM5V
T.F
SUB WOOFER
SUB WOOFER GND
TO DISPLAY PWB
P19 8-H
CENTER GND
CENTER
R-ch
R-ch GND
L-ch GND
L-ch
FRONT L-CH GND
FRONT R-CH GND
SO701
FRONT/
CENTER/
SUB SPEAKER
FRONT R-CH
FRONT L-CH
5
4
3
21
5
4
3
21
2
1
2
1
SURROUND
PWB-C6
BI702
SO702
SURROUND
SPEAKER
POWER SUPPLY PWB-C2
5
4
3
21
CNW4
T602
POWER TRANSFORMER
-B
-B
+B
4-B
POWER AMP. PWB-C3
10.9V
11.6V
17.4V
17.4V
11.6V
12.1V
7.6V
5.8V
6.4V
0V
0.77V
0V
-B
LF601
LINE FILTER
F601
4A/125V
R601
4.7M(1/2W)
T601
POWER SUB
D607
1N4004
R610
THERMISTOR
D601
1N4004
D604
1N4004
D602
1N4004
C602
0.047
C601
0.047
RLY601
RELAY
BI603
CNP603
CNW603
CNW702
CNP702
F611
800mA
CNP601 CNW601
C666
0.01
C667
0.01
C668
0.01
C669
0.01
C670
0.01
R626
10K
R624
2.2K
D636
1N4148
D638
1N4148
D639
1N4148
D640
1N4148
MTZJ5.1A
ZD632
R627
18K
C641
10/50
D635
1N4148
C630
0.1
C631
0.1
C620
0.1
C621
0.1
D623
1N4004
D621
1N4004
D622
1N4004
D624
1N4004
D630
S4VB20
R623
560
ZD630
MTZJ110A
C634
220/25
C635
0.022
C633
4700/35
C632
4700/35
Q622
2SD2012 Y
D625
1N4148
C622
2200/25
C624
47/25
R620
560
ZD621
MTZJ120B
R621
1K
C623
220/25
Q621
KTC3199GR
R622
47
R611 1
C611
100/50
C613
47/63
C612
100/50
R612 1
D611
1N4004
D612
1N4004
D613
1N4004
D614
1N4004
C614
220/63
C609
0.047
C619
0.047
C618
0.047
Q601
2SD468 C
R604
47
C604
47/16
C607
0.022
C605
0.022
C610 2200/16
R603
1.2K
ZD601
MTZJ6.8A
D608
1N4004
C615
47/50
3.3K
R607
R608
47K
CNP4
Q603
KTC3199 GR
SWITCHING
ZD611
MTZJ330C
C617
100/35
R615
12K
ZD612
MTZJ6.8C
R613
2.2K
R614
100
R616
220
Q611
KTA1266GR
C616
47/50
R617
220
D603
1N4004
CNW602
CNP602
2 3 4 51 7 86
2
3
4
5
1
2
1
2
3
4
1
2
1
2
3
4
5
6
7
1
2
3
4
5
6
7
1
2
3
4
5
6
7
1
2
1
2
1
7
8
6
19 20
BI601
/CNW601
VOLTAGE
REGULATOR
AC POWER
SUPPLY CORD(220)
AC120V 60Hz
BI602
-46V
-32.8V
-33.4V

Related product manuals