EasyManua.ls Logo

Sharp HT-DV40H - Page 113

Sharp HT-DV40H
160 pages
Print Icon
To Next Page IconTo Next Page
To Next Page IconTo Next Page
To Previous Page IconTo Previous Page
To Previous Page IconTo Previous Page
Loading...
HT-DV40H
8 – 28
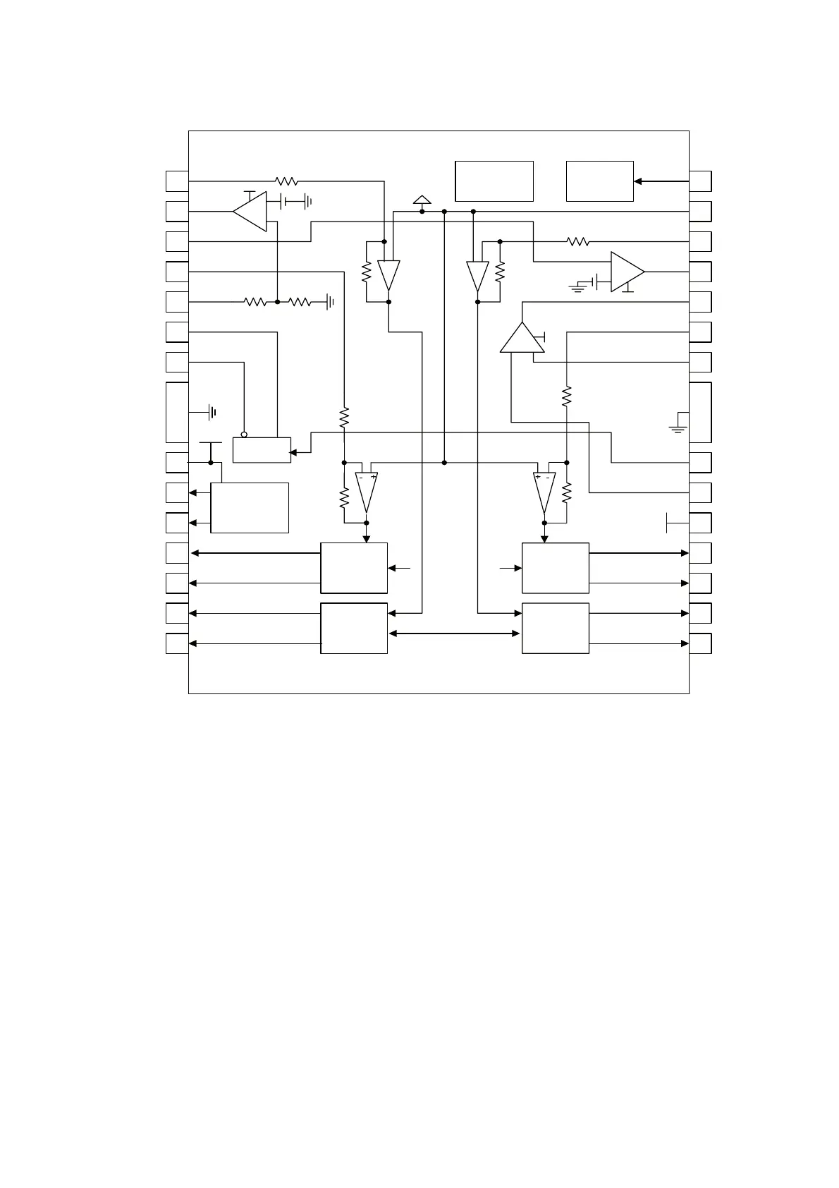
IC2 VHIAT5669H++1 : 5 CHANNEL MOTOR DRIVER (AT5669) (1/2 )
BLOCK DIAGRAM
Figure 8-2 BLOCK DIAGRAM OF IC
8.5K
34K
34K
8.5K
TSD
STAND-BY
VBIAS
IN4
DL2
CPO
IN3
CPIN
GND
VCTL
CPIP
VCC2
OUT3-
OUT4-
OUT3+
OUT4+
MUTE
1_2_3_4
28
27
26
25
24
23
22
21
20
19
18
17
16
15
7.5K
IN1
1
2
3
4
5
6
7
8
9
10
11
12
13
14
DL1
FB2
IN2
3V3
FWD
REV
PGND
VCC1
VCC1
VCC1
VCC2
VCC2
VCC2
VCC1
VREF
12K
8.0K
VCC2
VCC1
VREF
-
--
-
-
+
+
+
+
+
Pre-DRV
OUT5-
TRAY
DRIVER
SLED
DRIVER
4X
FOCUS
DRIVER
4X
TRACK
DRIVER
4X
SPINDLE
DRIVER
4X
18.75K
OUT5+
OUT2+
OUT2-
OUT1+
OUT1-

Other manuals for Sharp HT-DV40H

Related product manuals