EasyManua.ls Logo

Sharp HT-DV40H - Page 115

Sharp HT-DV40H
160 pages
Print Icon
To Next Page IconTo Next Page
To Next Page IconTo Next Page
To Previous Page IconTo Previous Page
To Previous Page IconTo Previous Page
Loading...
HT-DV40H
8 – 30
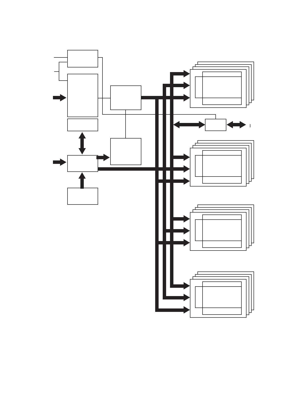
IC4 VHIEM638165-1 : 16 Bit, SDRAM ( EM638165 ) ( 1/2 )
BLOCK DIAGRAM
Figure 8-3 BLOCK DIAGRAM OF IC
CLOCK
BUFFER
COMMAND
DECODER
COLUMN
COUNTER
ADDRESS
BUFFER
MODE
REGISTER
CONTROL
SIGNAL
GENERATOR
Buffer
Column Decoder
1MX16
CELL ARRAY
(BANK #A)
Decoder
REFRESH
COUNTER
CLOCK
CKE
CS#
RAS#
CAS#
WE#
UDQM
LDQM
A0
A11
BA0
BA1
~
DQ0
DQ15
Column Decoder
1MX16
CELL ARRAY
(BANK #B)
Decoder
Column Decoder
1MX16
CELL ARRAY
(BANK #C)
Decoder
Column Decoder
1MX16
CELL ARRAY
(BANK #D)
Decoder

Other manuals for Sharp HT-DV40H

Related product manuals