EasyManua.ls Logo

Sharp HT-DV40H - Page 125

Sharp HT-DV40H
160 pages
Print Icon
To Next Page IconTo Next Page
To Next Page IconTo Next Page
To Previous Page IconTo Previous Page
To Previous Page IconTo Previous Page
Loading...
HT-DV40H
8 – 40
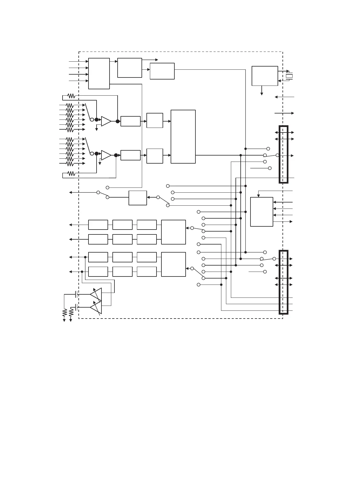
IC13 VHIAK4683EQ-1 : MULTI CHANNEL AUDIO CODEC ( AK4683 ) ( 1/3 )
BLOCK DIAGRAM
Figure 8-8 BLOCK DIAGRAM OF IC
ADC
Audio
I/F
ADC
LIN1
LIN2
LIN3
LIN4
LIN5
LIN6
HPF,
DVOL
DAC DVOLLPF
LOUT1
ROUT1
LOUT2
ROUT2
HPL
HPR
DAC DVOLLPF
DAC DVOLLPF
DAC DVOLLPF
DAC1
Audio
I/F
4:2
Input
Selector
Clock
Recovery
X’tal
Oscillator
P I/F
XTO
XTI
BICKB
LRCKB
TX
SDTOBSDOUT
DAIF
Decoder
ADC
DIT
SDTIB
RIN1
RIN2
RIN3
RIN4
RIN5
RIN6
ROPIN
RISEL
I2C
CSN
CCLK
CDTI
CDTO
RX0
RX1
RX2
RX3
LISEL
LOPIN
SDTOB0/1 bit
DIT0/1 bit
DIT bit
MCLK2
SDTOA
OLRCKA
BICKA
ILRCKA
SDTIA1
SDTIA2
SDTIA3
MCKO
SDTOA0/1 bit
DIR
ADC
SDTIB
SDTIA1
Through
DIT
RMCLK
DAC10/11/12,
DAC20/21/22 bit
IPS0/1, OPS0/1 bit
LIN0/1/2, RIN0/1/2 bit
DIR
ADC
SDTIA1
off
DIR
ADC
SDTIB
off
DAC2
Audio
I/F
DIR
ADC
SDTIB
SDTIA1
SDTIA2
SDTIA3
HPF,
DVOL
DIR
ADC
SDTIB
SDTIA1
SDTIA2
SDTIA3
PORTB
PORTA

Other manuals for Sharp HT-DV40H

Related product manuals