EasyManua.ls Logo

Sharp HT-DV40H - Page 45

Sharp HT-DV40H
160 pages
Print Icon
To Next Page IconTo Next Page
To Next Page IconTo Next Page
To Previous Page IconTo Previous Page
To Previous Page IconTo Previous Page
Loading...
HT-DV40H
6 – 15
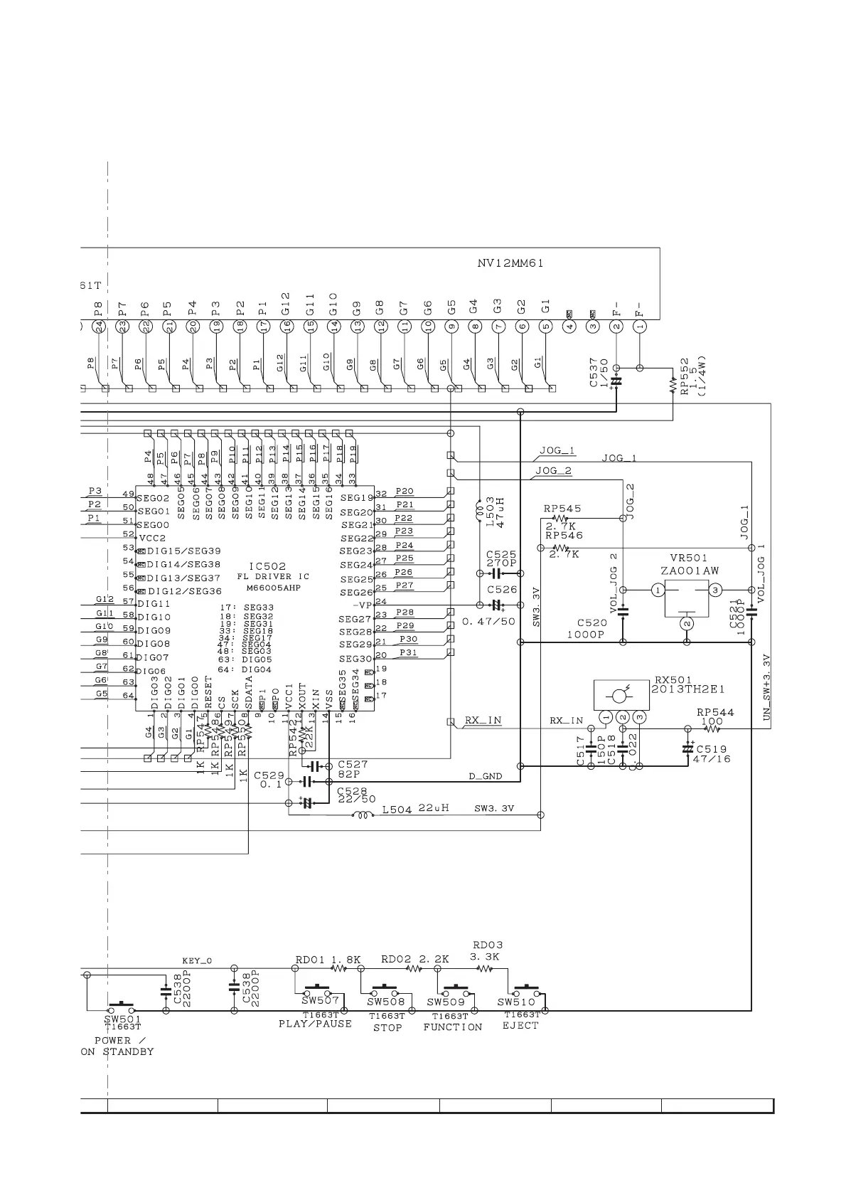
Figure 6-13: DISPLAY SCHEMATIC DIAGRAM (2/2)
7
8 9 10 11 12

Other manuals for Sharp HT-DV40H

Related product manuals