EasyManua.ls Logo

Sharp HT-DV40H - Page 46

Sharp HT-DV40H
160 pages
Print Icon
To Next Page IconTo Next Page
To Next Page IconTo Next Page
To Previous Page IconTo Previous Page
To Previous Page IconTo Previous Page
Loading...
HT-DV40H
6 – 16
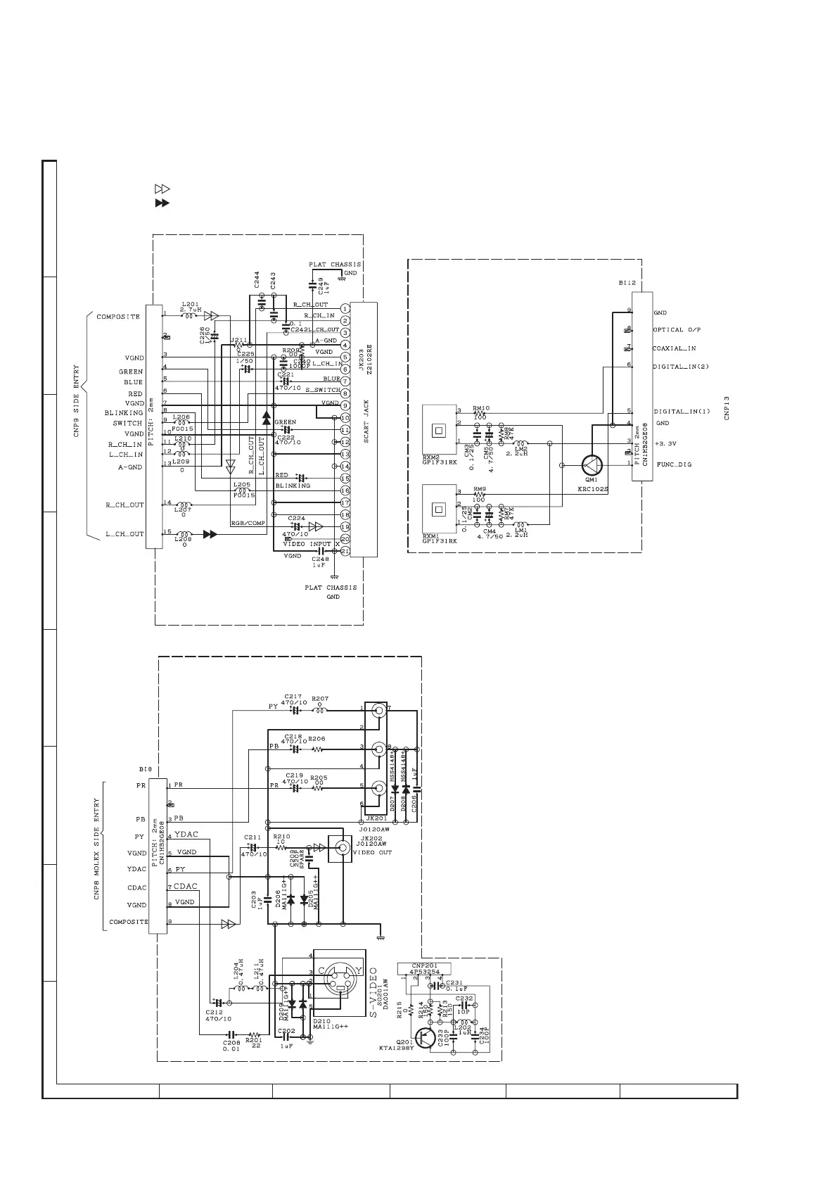
Figure 6-14: SCART, DIGITAL IN & VIDEO OUT SCHEMATIC DIAGRAM
SCART PWB-B3
1000P
DIGITAL-IN PWB-B5
VIDEO OUT PWB-B4
1000P
Bi9
TO DVD PWB-C
FROM DVD PWB-C
FROM DVD PWB-C
VIDEO SIGNAL
CD SIGNAL
FROM DVD PWB-C
0.47uH
A
B
C
D
E
F
G
H
1
23456

Other manuals for Sharp HT-DV40H

Related product manuals