EasyManua.ls Logo

Sharp HT-DV40H - Page 55

Sharp HT-DV40H
160 pages
Print Icon
To Next Page IconTo Next Page
To Next Page IconTo Next Page
To Previous Page IconTo Previous Page
To Previous Page IconTo Previous Page
Loading...
HT-DV40H
6 – 25
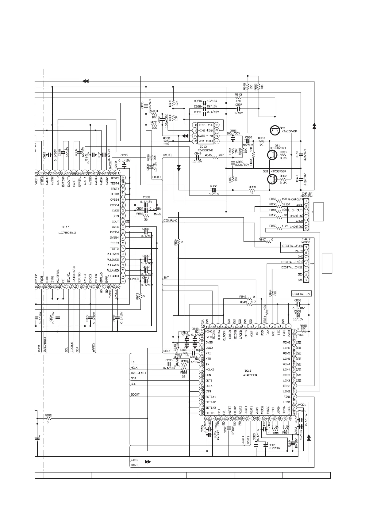
Figure 6-22: DVD SCHEMATIC DIAGRAM (8/8)
TO MAIN
PWB-A
TO DIGITAL
IN PWB-B5
ILRCKA
BICKA
7
8 9 10 11 12

Other manuals for Sharp HT-DV40H

Related product manuals