EasyManua.ls Logo

Sharp HT-DV40H - Page 56

Sharp HT-DV40H
160 pages
Print Icon
To Next Page IconTo Next Page
To Next Page IconTo Next Page
To Previous Page IconTo Previous Page
To Previous Page IconTo Previous Page
Loading...
HT-DV40H
6 – 26
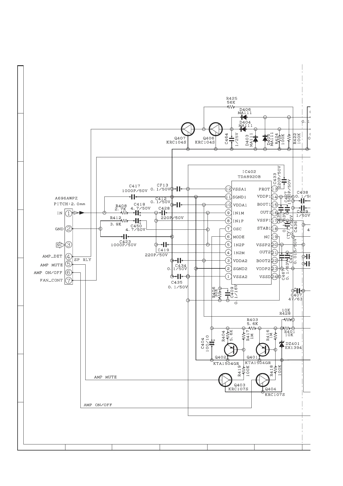
Figure 6-23: SUBWOOFER SCHEMATIC DIAGRAM (1/2)
FROM
MAIN PWB-A
(BI402)
A
B
C
D
E
F
G
H
1
23456

Other manuals for Sharp HT-DV40H

Related product manuals