EasyManua.ls Logo

Sharp HT-DV40H - CD, CD-R and CD-RW Operation; Listening to a CD or MP3;WMA disc

Sharp HT-DV40H
160 pages
Print Icon
To Next Page IconTo Next Page
To Next Page IconTo Next Page
To Previous Page IconTo Previous Page
To Previous Page IconTo Previous Page
Loading...
HT-DV40H
6 – 27
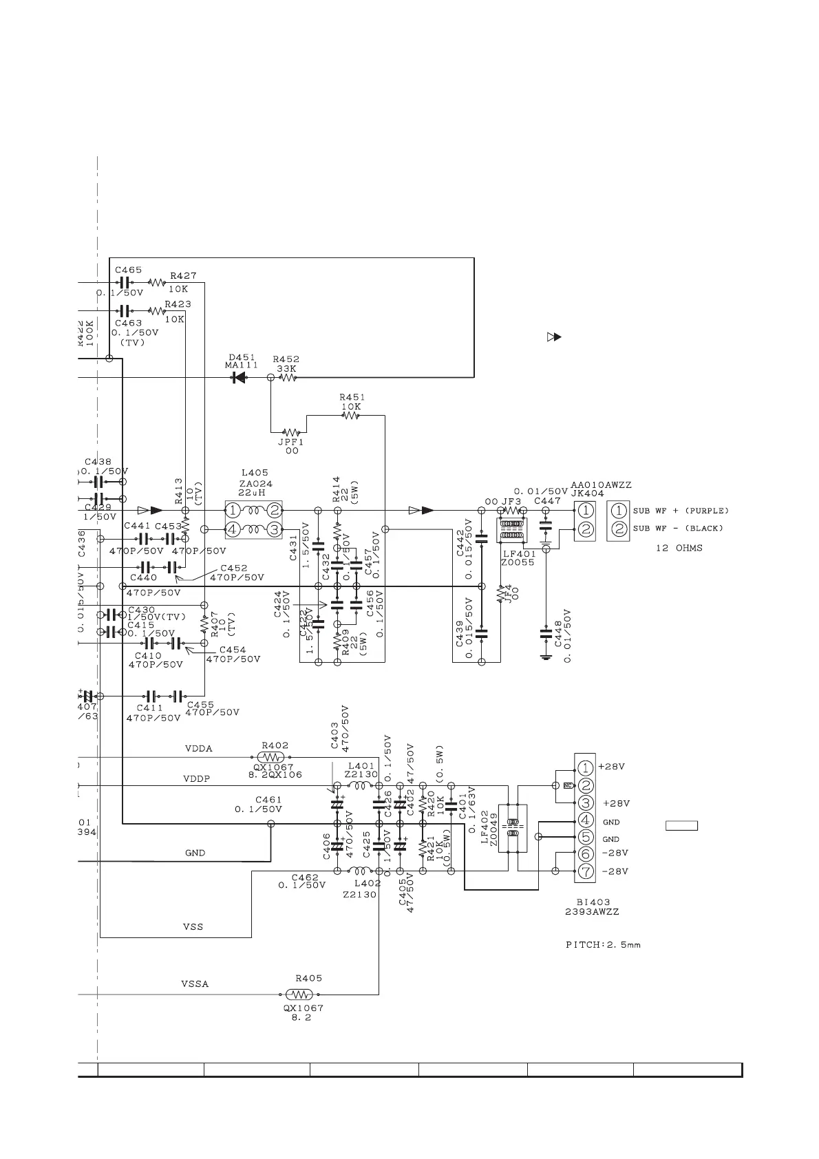
Figure 6-24: SUBWOOFER SCHEMATIC DIAGRAM (2/2)
AUDIO SIGNAL
TO MAIN PWB-A
SUBWOOFER
SPEAKER OUTPUT
CNP801
7
8 9 10 11 12

Other manuals for Sharp HT-DV40H

Related product manuals