EasyManua.ls Logo

Sharp HT-X1H - Remote Control; Remote Control Layout

Sharp HT-X1H
88 pages
Print Icon
To Next Page IconTo Next Page
To Next Page IconTo Next Page
To Previous Page IconTo Previous Page
To Previous Page IconTo Previous Page
Loading...
HT-X1H
4 – 3
RLY402
RLY401
D432
D435
Q447
Q443
D459
D458
D457
D456
D442
D443
D440
D441
D455
D454
D453
D452
BI402
CNP402
TO
AMP.PWB
BI401
2345678910
1
Q455
Q450
Q451
Q452
ZD424
Q453
Q459
Q457
Q454
Q456
D434
Q448
D433
Q446
S102B
13
12
11
10
9
8
7
6
5
4
3
2
1
Q458
IC407
TCD4094B
D216
IC203
AN78L
0
VOLTAGE RE
G
3
2
1
3
2
IC406
NJM4558D
Q412
IC405
NJM4558D
IC404
IC404
BUFFER
IC405
BUFFER
IC406
BUFFER
NJM4558D
Q403
Q407
Q404
Q408
Q409
D426
D425
Q414
D410
Q413
Q434
Q435
ZD423
Q429
D42
2
S101B
S101A
TO
MAIN PWB
13
12
11
10
9
8
7
6
5
4
3
2
1
3
1
2
4 3 2 1
5 6 7 8
4 3 2 1
5 6 7 8
4 3 2 1
5 6 7 8
1716151413 12 1110
1 2 3 4 5 6 7 8
IC2
0
S101A
TO
MAIN PWB
CNP401
TO
AMP.PWB
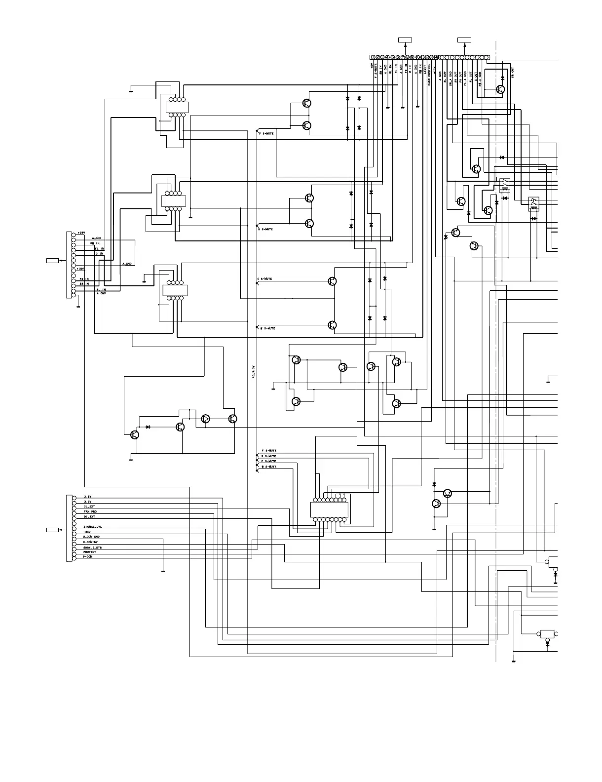
Figure 4-3 BLOCK DIAGRAM (3/8)

Other manuals for Sharp HT-X1H

Related product manuals