EasyManua.ls Logo

Sharp HT-X1H - TV Operation Buttons

Sharp HT-X1H
88 pages
Print Icon
To Next Page IconTo Next Page
To Next Page IconTo Next Page
To Previous Page IconTo Previous Page
To Previous Page IconTo Previous Page
Loading...
HT-X1H
4 – 4
-
-
-
-
+
+
+
+
-
+
AC SOCKET
+
-
+
+
+
+
-
-
-
-
RLY402
RLY401
D432
D435
Q447
Q443
ZD425
D431
Q445
Q444
D429
BI401
2345678910
1
L415
D437
D436
D221
D434
Q448
D433
Q446
T201
POWER TRANSFORMER
CNP203
BI203
CNP201
CNS201
CNP205
3
2
1
D427A
M
M402
M
M401
BI205
3
2
1
Q439A
Q438A
Q437A
Q436A
Q433
Q432
Q437
D427
Q438
Q439
Q436
L410
L414
L413
L412
L411
D216
IC203
AN78L05
VOLTAGE REGULATOR
3
2
1
T202
SUB POWER
TRANSFORMER
D209
LF201
LINE FILTER
S0202
RLY400
Q203
D218
D219
D220
D217
ZD201
CNP204
CNS202
TO
AMP PWB
CNS204
IC201
KIA7805API
VOLTAGE
REGULATOR
3
2
1
IC
2
02
KIA7812API
VOLTAGE
R
E
G
ULATOR
3
2
1
ZD202
D210
D211
Q201
D208
D207
D205
F201
D206
D212
D411
Q416
Q415
SO401
CNP206
D426
D425
D424
1N4004
RLY403
Q413
Q434
Q435
ZD423
D416
D419
D420
D417
D418
D421
Q430
Q429
D422
2
1
3
2
1
3
IC201
CNS202
AC POWER
SUPPLY CORD
AC 230 V,
50 Hz
CNP401
TO
AMP.PWB
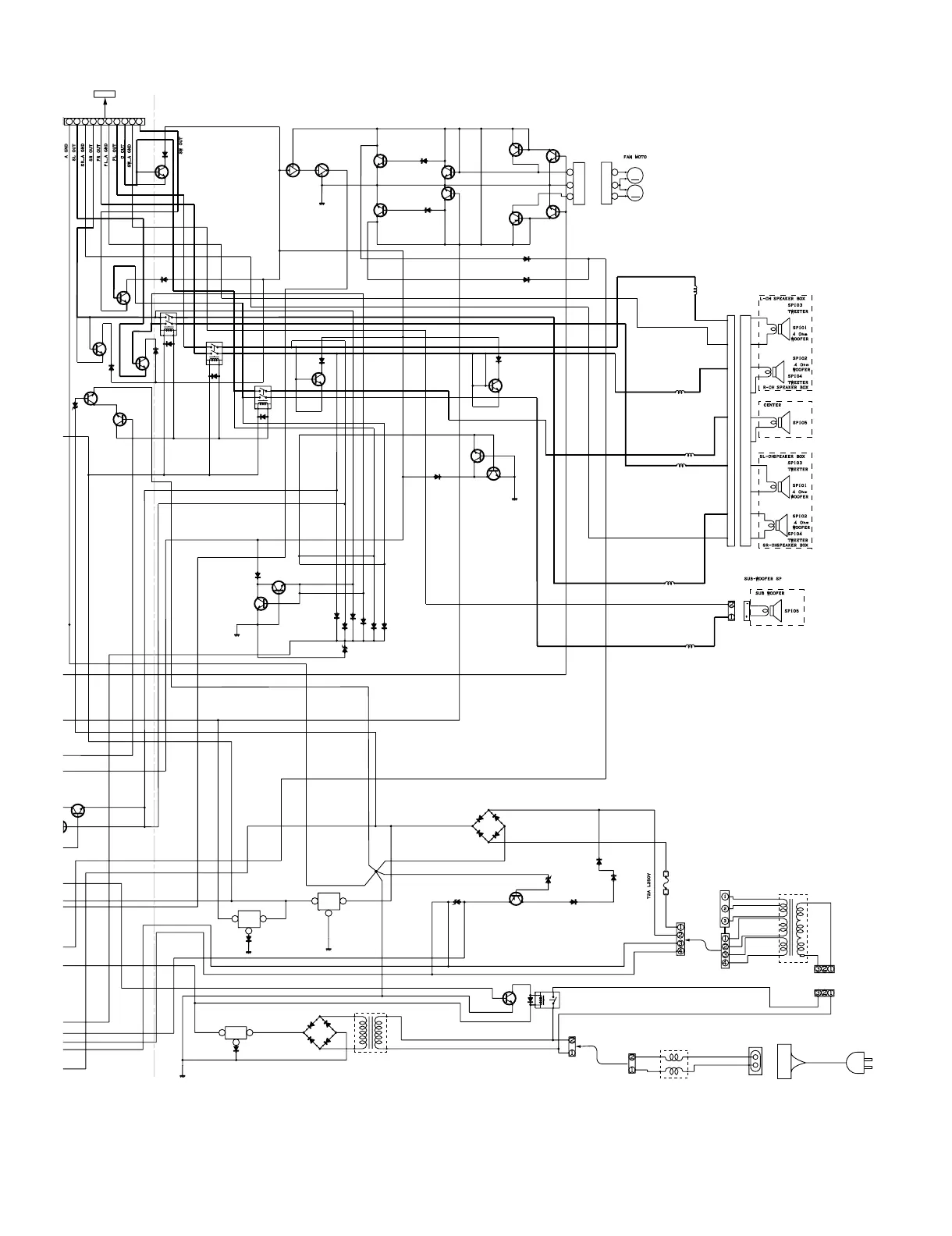
Figure 4-4 BLOCK DIAGRAM (4/8)

Other manuals for Sharp HT-X1H

Related product manuals