EasyManua.ls Logo

Sharp HT-X1H - Description of Discs; Types of Playable Discs; Icons Used in Operation Manual

Sharp HT-X1H
88 pages
Print Icon
To Next Page IconTo Next Page
To Next Page IconTo Next Page
To Previous Page IconTo Previous Page
To Previous Page IconTo Previous Page
Loading...
HT-X1H
4 – 6
CFW6
CFW9
6
B
CNP706
FROM
DVD MECHIANISM
CNP705
CNW705
L706
L701
RX701
GP1UD261
321
CNP609
CNW609
RX702
GP1UD261
3
21
Q506
Q510
Q507
Q509
Q505
Q508
VFD701
FL DISPLAY
Q704
D702
D703
L705
L703
O
MPUTER
ZD701
D704
Q703
Q709
D705
SW701
SW708
SW704 SW707
SW706
SW705
SW703
SW702
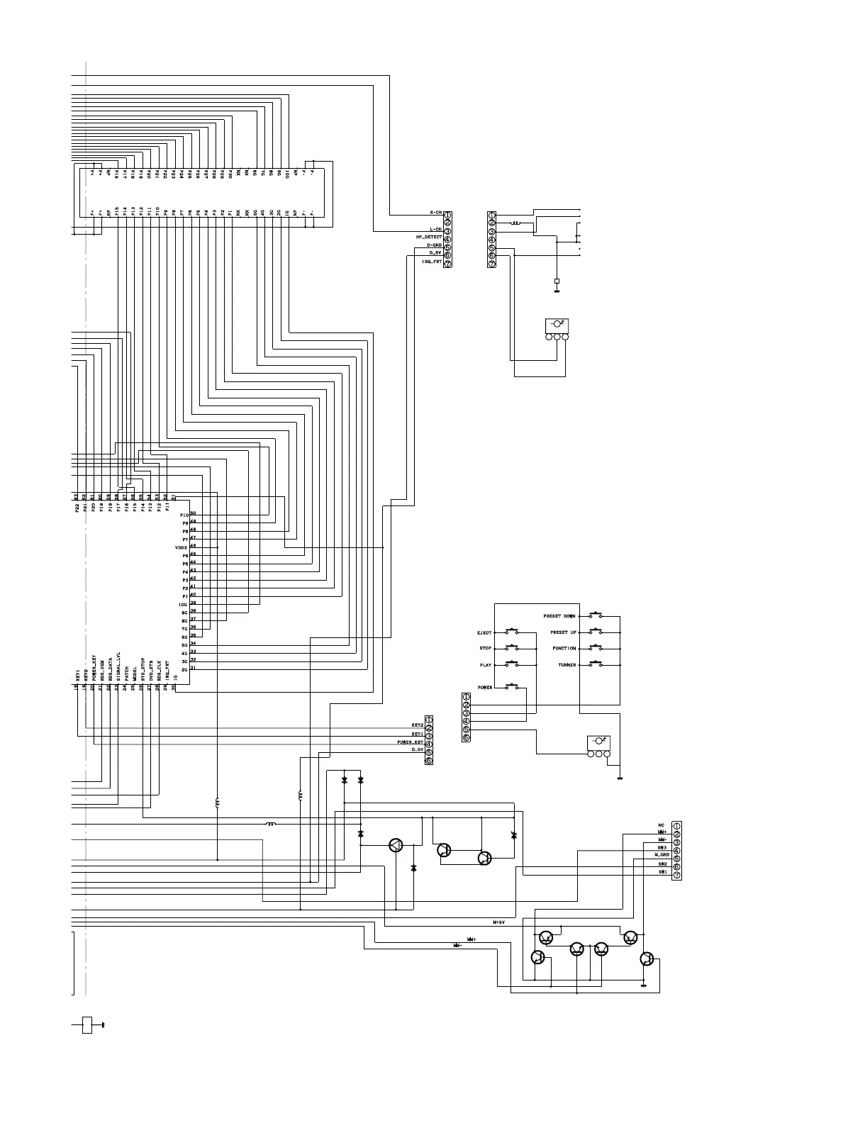
Figure 4-6 BLOCK DIAGRAM (6/8)

Other manuals for Sharp HT-X1H

Related product manuals