EasyManua.ls Logo

Sharp HT-X1H - Disc Formats and Features; DVD-Video and Region Number; Super Video CD, Video CD, Audio CD; MP3, WMA, JPEG Formats

Sharp HT-X1H
88 pages
Print Icon
To Next Page IconTo Next Page
To Next Page IconTo Next Page
To Previous Page IconTo Previous Page
To Previous Page IconTo Previous Page
Loading...
HT-X1H
4 – 7
NC
CL
VDD
VREF
ROUT
RBS
RTRE
RIN
RSL0
R4
R3
R2
R1
L1
L2
L3
L4
LSL0
LIN
LTRE
LOUT
VSS
CE
DI
LBS
AUX L
D509
CNW302
FROM
TUNER PWB
Q501
S101A
TO
POWER1 PWB
13
12
11
10
9
8
7
6
5
4
3
2
1
IC501
KIA7812API
3
3
2
2
1
1
Q502
D508
IC504
NJM4558D
IC512
NJM4558D
IC507
CD4053M
IC505
LC75341M
TO
DVD SERVO PWB
BI501
IC503
LM2576T
D505
IC502
KIA7805API
D506
D507
L501
S102A
13
12
11
10
9
8
7
6
5
4
3
2
1
L502
CNW508A
CNW508B
CNP702
FROM
DISPLAY PWB
TO
POWER1 PWB
IC509
NJM14558
IC508
NJM14558
IC406
NJM14558
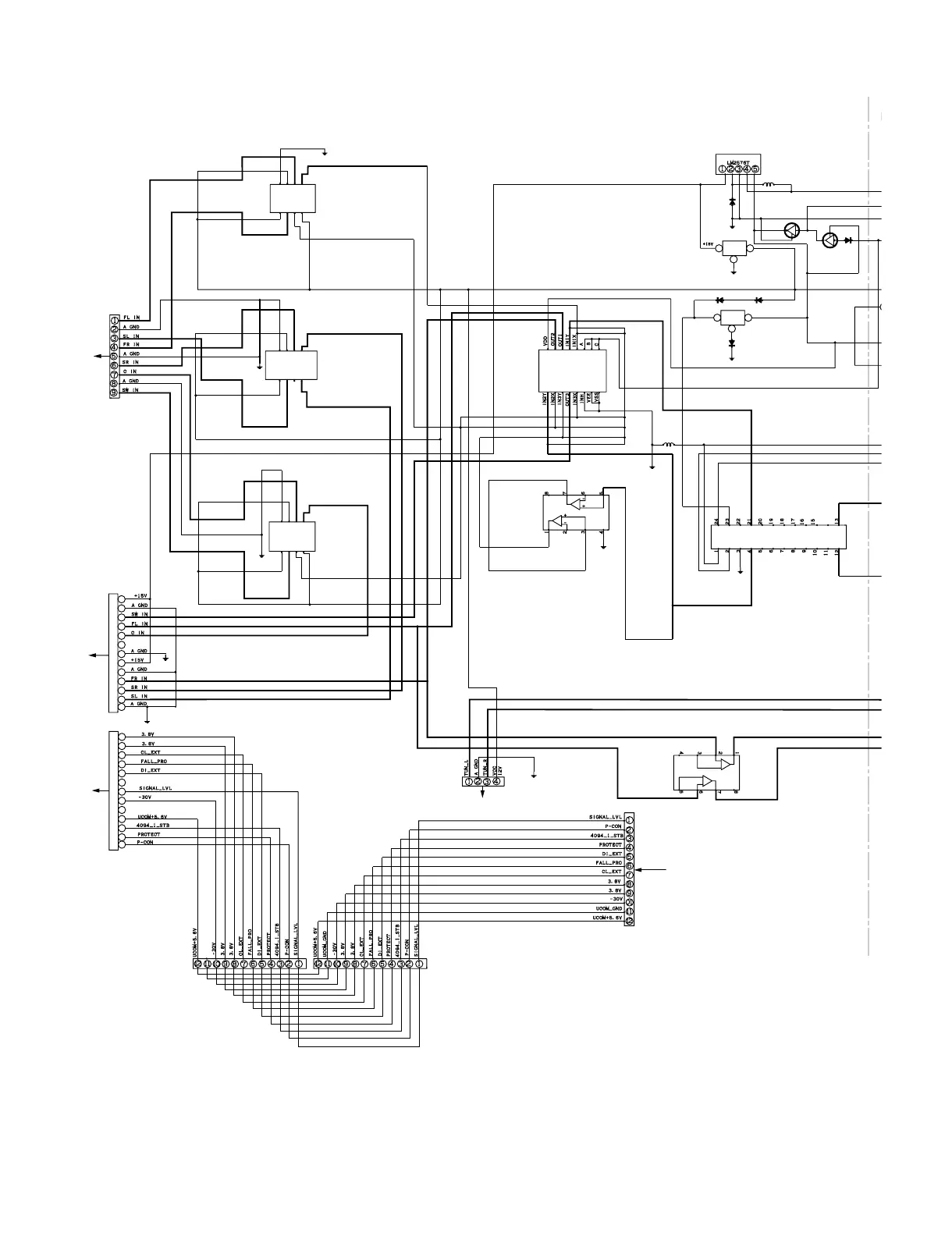
Figure 4-7 BLOCK DIAGRAM (7/8)

Other manuals for Sharp HT-X1H

Related product manuals