EasyManua.ls Logo

Sharp HT-X1H - Basic DVD Operations

Sharp HT-X1H
88 pages
Print Icon
To Next Page IconTo Next Page
To Next Page IconTo Next Page
To Previous Page IconTo Previous Page
To Previous Page IconTo Previous Page
Loading...
HT-X1H
6 – 10
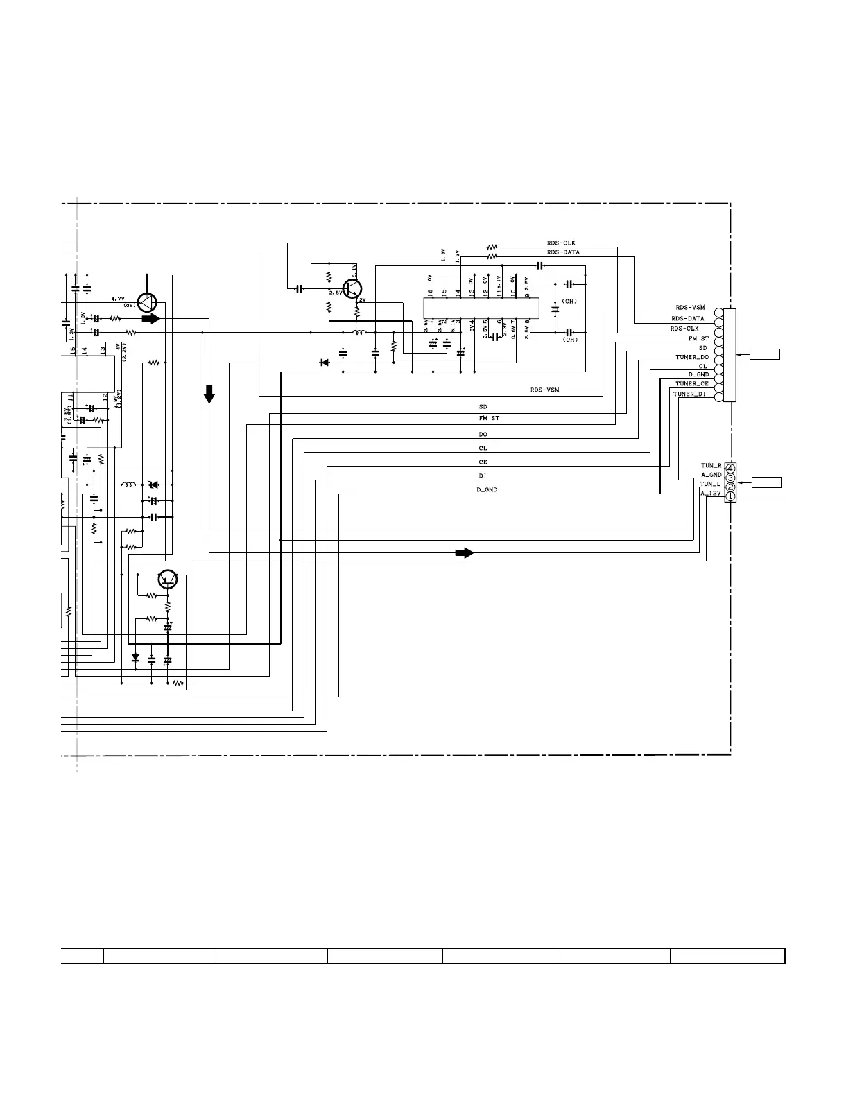
Figure 6-10 SCHEMATIC DIAGRAM (10/10)
(AM/FM)
PHASE
PHASE
IF OUT
OUT
OUT
MO/ST
L-CH
R-CH
C375
0.1
C338
47/16
CNP302
CNS302
P6-7 1-D
FROM
DISPLAY PWB
10
9
8
7
6
5
4
3
2
1
C377
0.022
R394
1K
R396
1K
C359
0.1
C340
22P
C342
22P
IC321
LC72723M
R390
47K
C339
560P
D321
1N4148
C379
0.022
C336
330P
X321
456 KHz
L321
2.2uH
R397
10K
Q321
KTC3199 GR
C333
10/16
R340
56K
R398
56K
C372
1/50
C357
2.2/50
R385
5.6K
R384
6.8K
R383
5.6K
R376
10K
Q351
KRC104 M
C371
1/50
Q360
KTA1266 GR
C369
56P
C374
0.018
R355
3.3K
D308
1N4148
C396
100/10
CNP301
C358
1/50
R391
390
R392
390
C373
0.018
C355
22P
R387
5.6K
C383
0.022
C395
0.022
R365
10K
R366
2.2K
C370
1/50
R361
0
R362
0
C324
0.022
C325
100/16
L352
100uH
ZD351
DZH05C2
330P
C391
47/16
R399
10
10.8V
10.9V
11.7V
CNW301
P6-5 4-F
FROM
MAIN PWB
+B+B
+B
+B
+B
2
1
3
7
8 9 10 11 12

Other manuals for Sharp HT-X1H

Related product manuals