EasyManua.ls Logo

Sharp HT-X1H - MP3, WMA, JPEG Disc Operations; Playing MP3, WMA, JPEG Discs; Folder and File Selection

Sharp HT-X1H
88 pages
Print Icon
To Next Page IconTo Next Page
To Next Page IconTo Next Page
To Previous Page IconTo Previous Page
To Previous Page IconTo Previous Page
Loading...
HT-X1H
6 – 24
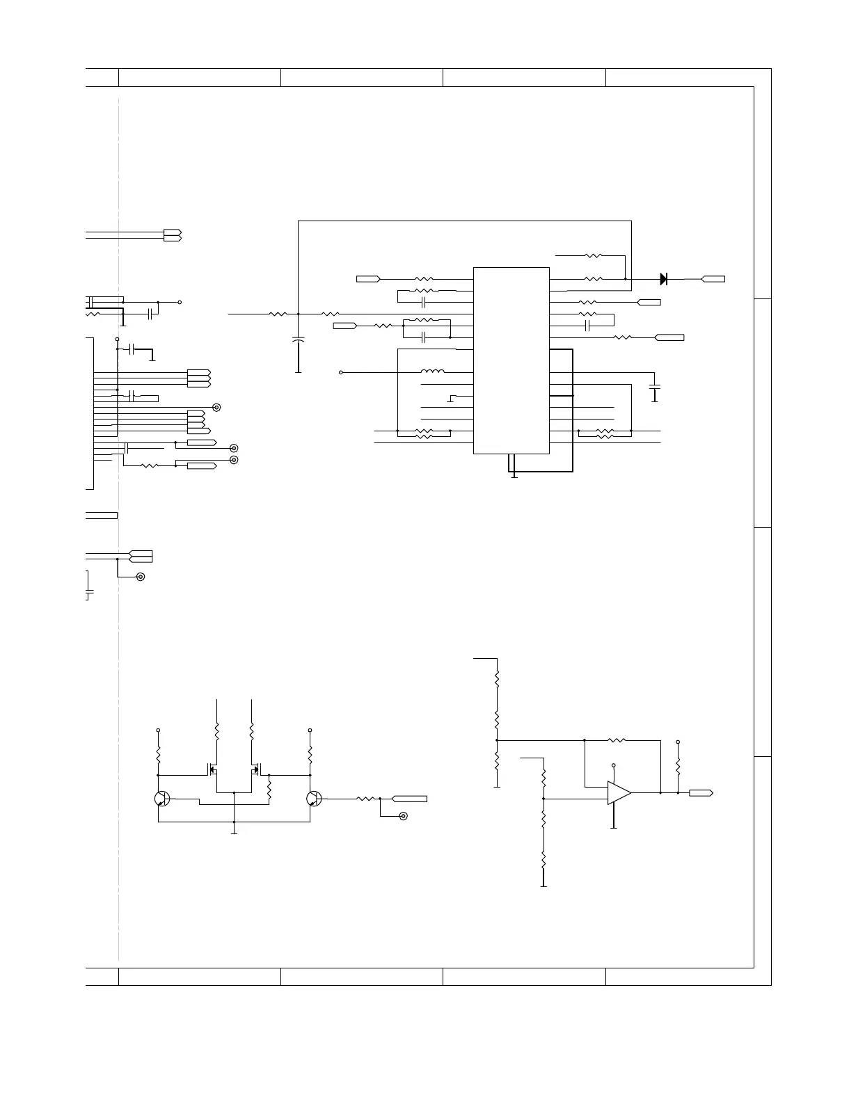
Figure 6-24 DVD PWB UNIT (7/7)
5 6 78
A
B
C
D
8
765
LOAD-/DCMO-
LOAD+/DCMO+
R133
4.7K
R145
22K
R148
1.5K
+
-
3
2
1
84
U6A
TL3472
R120
10K
R146
22K
R149
1.5K
R121
10K
R131
1M
MVCC
MVCC
MGND
MGND
MGND
MOCTL
SDATA
SCSJ
MEVO
FEI
CEI
SVREF15
TEI
RF50V
SBAD
SCLK
RF50V
E
N
48
T
A
47
CL
K
46
V
33
45
C
P
44
C
N
43
T
R
42
C
E
41
FE
40
TE
39
PI
38
V
25
37
1
25
36
P
H
35
D
FT
34
N
K
33
C148
160P
TP4
MNTR
C39
0.1
P
1
2
U
C42
0.1
C143
0.01U
C153
0.047U
R75 0
12K(1%)
TP5
DEFCT
C46
0.1
RFGND
RF33V
RFGND
RF50V
FE I
SDEFCT
SCLK
LDON
MIRR
CE I
TEI
DIN
DIP
SDATA
SBAD
SCSJ
TP9
SVREF15
VRCD
VRDVD
2
31
Q12
2SK3018
R122
10K
2
3
1
Q14
2N3904
R123
10K
R76
100
R97
100K
R108
18K
2
31
Q15
2N3904
R154
100
2
31
Q13
2SK3018
RF50V
RF50V
RFGND
CD-DVD-CTR
B
C
D
S
C
E
S
G
D
B
G
E
TRACK-
FOCUS-
TRACK+
SLED+
LOAD-/DCMO-
MVCC
LOAD+/DCMO+
MVCC
SLED-
MVCC
FOCUS+
SVREF15
R155 1(0805)
C158
0.1
R156
1(0805)
R147 22K
C159
0.0047
R159
47K
C47
0.1
R161 33K
L9 FB(0805)
R77 0
C162
100P
R124 10K
R162 33K
R69
6.8K
D6
RLS4148
R160 47K
C163
100P
R164
12K
VINFC
1
CFCERR1
2
CFCERR2
3
VINSL+
4
VINSL-
5
VOSL
6
VNFFC
7
VCC
8
PVCC1
9
PGND
10
VOSL-
11
VOSL+
12
VOFC-
13
VOFC+
14
STBY
28
BIAS
27
VINTK
26
CTKERR1
25
CTKERR2
24
VINLD
23
PREGND
22
PVCC2
21
VNFTK
20
PGND
19
VOLD-
18
VOLD+
17
VOTK-
16
VOTK+
15
GND
29
GND
30
U8
BA5954FP
R14
33
R157
1(0805)
R86 3.3K
R158 1(0805)
MGND
MGND
MGND
VCC
SPINDLE
SVREF15
FOCUS
TRACK
SLEGN
MGND
TP12
LDON
TP13
CD-DVD-CTR
CD-DVD
SPDON
SPDON

Other manuals for Sharp HT-X1H

Related product manuals