EasyManua.ls Logo

Sharp LC-26SA1E - Page 124

Sharp LC-26SA1E
164 pages
Print Icon
To Next Page IconTo Next Page
To Next Page IconTo Next Page
To Previous Page IconTo Previous Page
To Previous Page IconTo Previous Page
Loading...
LC-26SA1E/RU, LC-32SA1E/RU
10 – 22
1
23
4567 910
8
J
A
B
C
D
E
F
G
H
I
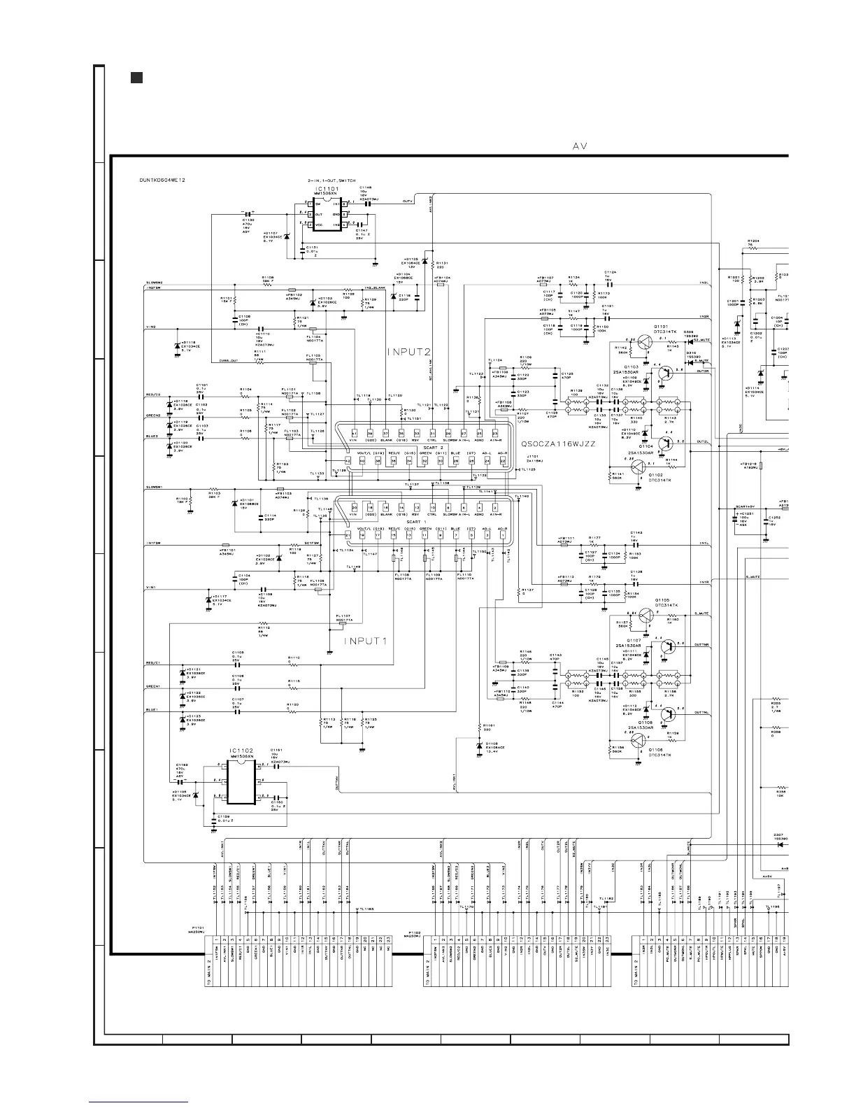
AV Unit (LC-26SA1E/RU)

Table of Contents

Other manuals for Sharp LC-26SA1E

Related product manuals