EasyManua.ls Logo

Sharp LC-37XD1RU - Page 14

Sharp LC-37XD1RU
64 pages
Print Icon
To Next Page IconTo Next Page
To Next Page IconTo Next Page
To Previous Page IconTo Previous Page
To Previous Page IconTo Previous Page
Loading...
LC-37XD1E/RU SUPPLEMENT
3 – 2
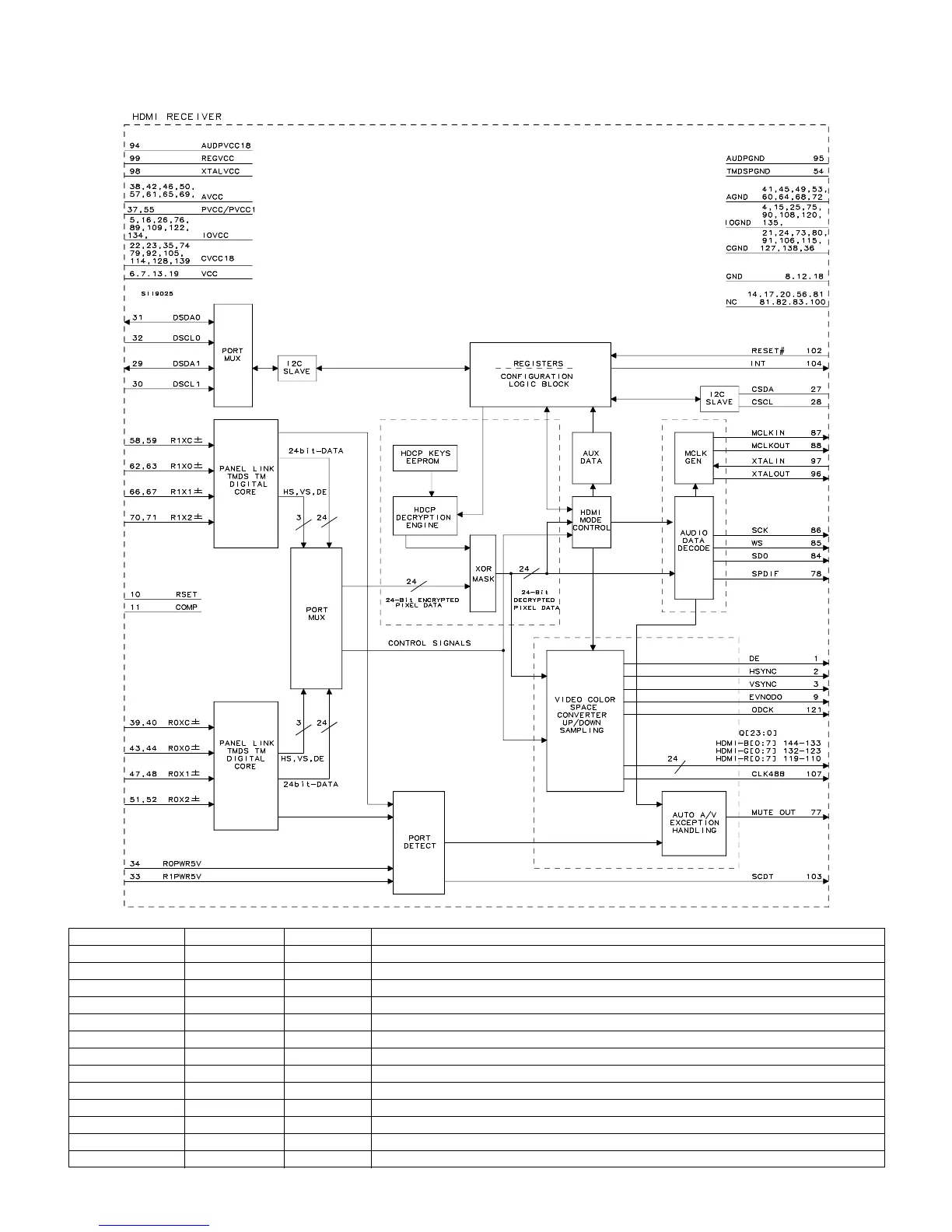
2. IC1905: VHISii9025+-1Q
HDMI RECIEVER
Pin No. Pin Name I/O Pin Function
144 Q0 O 24-bit Output Pixel Data Bus. HDMI-B[0]
143 Q1 O 24-bit Output Pixel Data Bus. HDMI-B[1]
142 Q2 O 24-bit Output Pixel Data Bus. HDMI-B[2]
141 Q3 O 24-bit Output Pixel Data Bus. HDMI-B[3]
140 Q4 O 24-bit Output Pixel Data Bus. HDMI-B[4]
137 Q5 O 24-bit Output Pixel Data Bus. HDMI-B[5]
136 Q6 O 24-bit Output Pixel Data Bus. HDMI-B[6]
133 Q7 O 24-bit Output Pixel Data Bus. HDMI-B[7]
132 Q8 O 24-bit Output Pixel Data Bus. HDMI-G[0]
131 Q9 O 24-bit Output Pixel Data Bus. HDMI-G[1]
130 Q10 O 24-bit Output Pixel Data Bus. HDMI-G[2]
129 Q11 O 24-bit Output Pixel Data Bus. HDMI-G[3]
126 Q12 O 24-bit Output Pixel Data Bus. HDMI-G[4]

Related product manuals