EasyManua.ls Logo

Sharp LC-42XL2E - Page 200

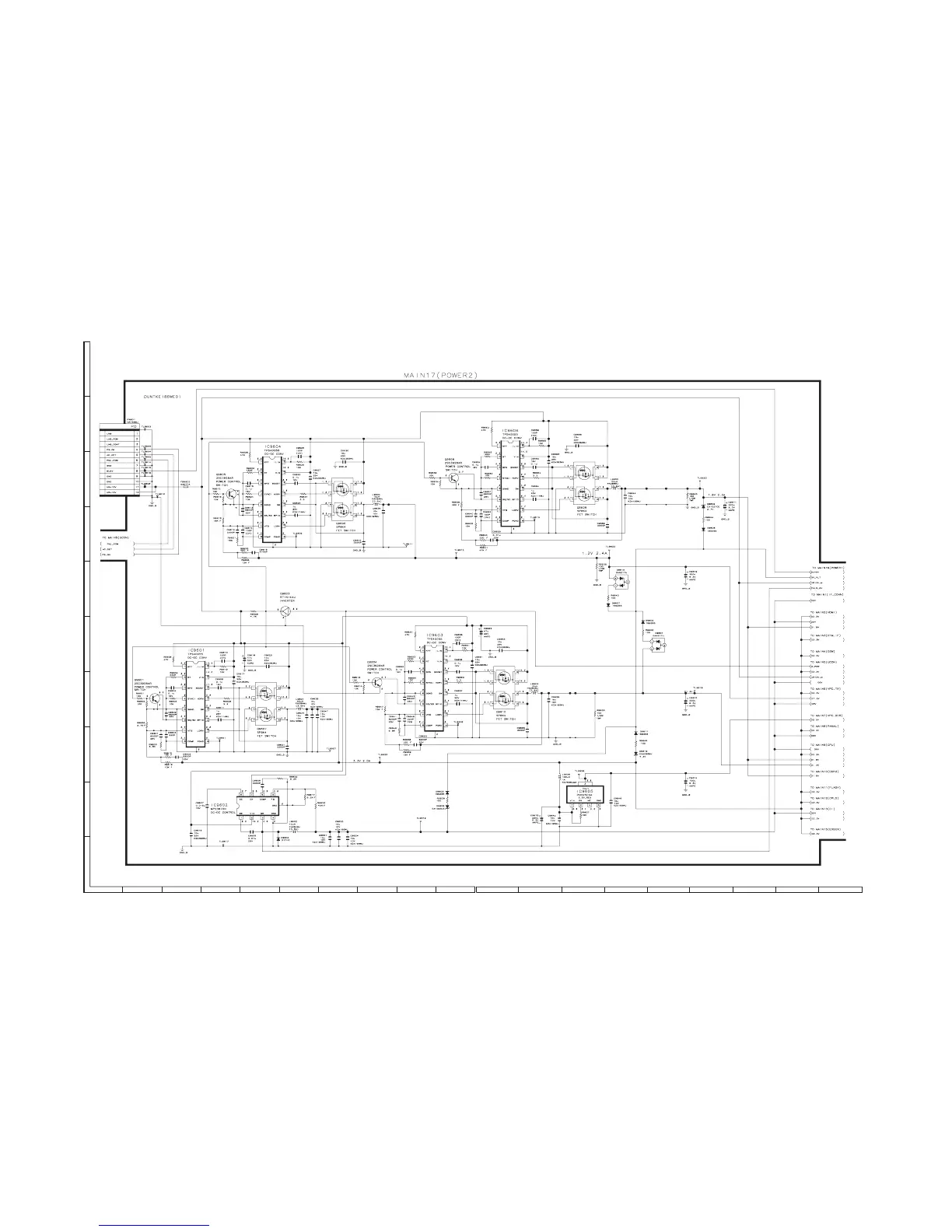
Sharp LC-42XL2E
264 pages
Print Icon
To Next Page IconTo Next Page
To Next Page IconTo Next Page
To Previous Page IconTo Previous Page
To Previous Page IconTo Previous Page
Loading...
LC-42XL2E/S/RU, LC-46XL2E/S/RU, LC-46X20E/S/RU, LC-52XL2E/S/RU, LC-52X20E/S/RU
8 – 16
1
23
4567 910
8
J
A
B
C
D
E
F
G
H
I
MAIN Unit-15
11 1312 14 15 16 18 1917

Table of Contents

Related product manuals