EasyManua.ls Logo

Sharp LC-46D64U - Page 103

Sharp LC-46D64U
160 pages
Print Icon
To Next Page IconTo Next Page
To Next Page IconTo Next Page
To Previous Page IconTo Previous Page
To Previous Page IconTo Previous Page
Loading...
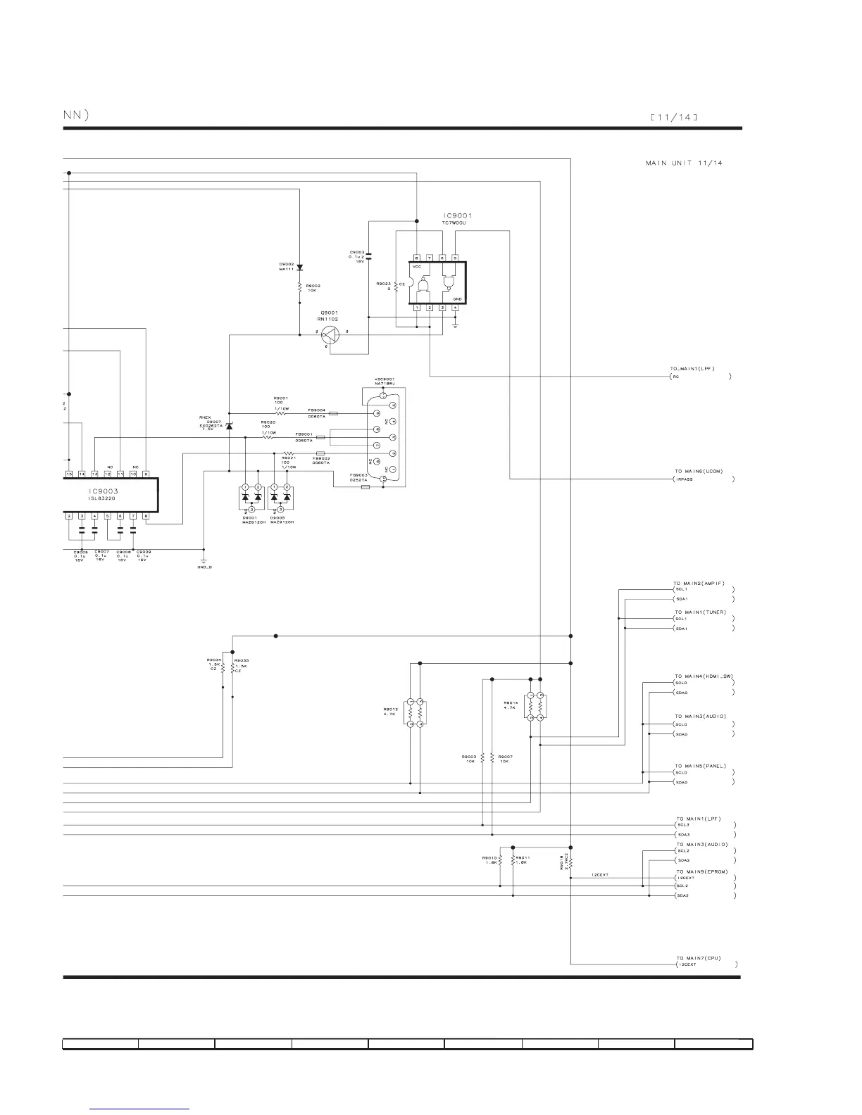
LC-42D64U/46D64U/52D64U
8 – 25
11 1312 14 15 16 18 1917

Table of Contents

Related product manuals