EasyManua.ls Logo

Sharp LC-46D64U - Page 84

Sharp LC-46D64U
160 pages
Print Icon
To Next Page IconTo Next Page
To Next Page IconTo Next Page
To Previous Page IconTo Previous Page
To Previous Page IconTo Previous Page
Loading...
LC-42D64U/46D64U/52D64U
8 – 6
1
23
4567 910
8
J
A
B
C
D
E
F
G
H
I
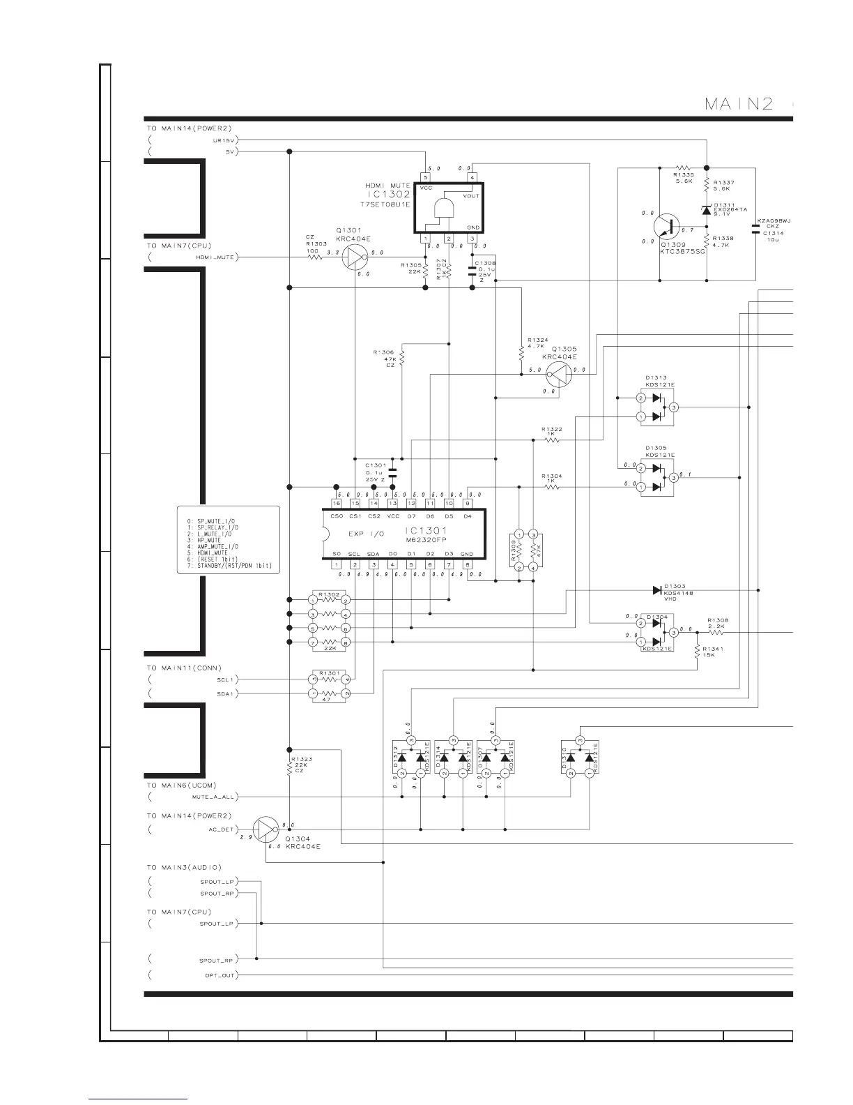
MAIN Unit (2/14)

Table of Contents

Related product manuals