EasyManua.ls Logo

Sharp LC-52LE640U - Page 22

Sharp LC-52LE640U
92 pages
Print Icon
To Next Page IconTo Next Page
To Next Page IconTo Next Page
To Previous Page IconTo Previous Page
To Previous Page IconTo Previous Page
Loading...
LC-52/60/70LE640U,C6400U (1st Edition)
4 – 11
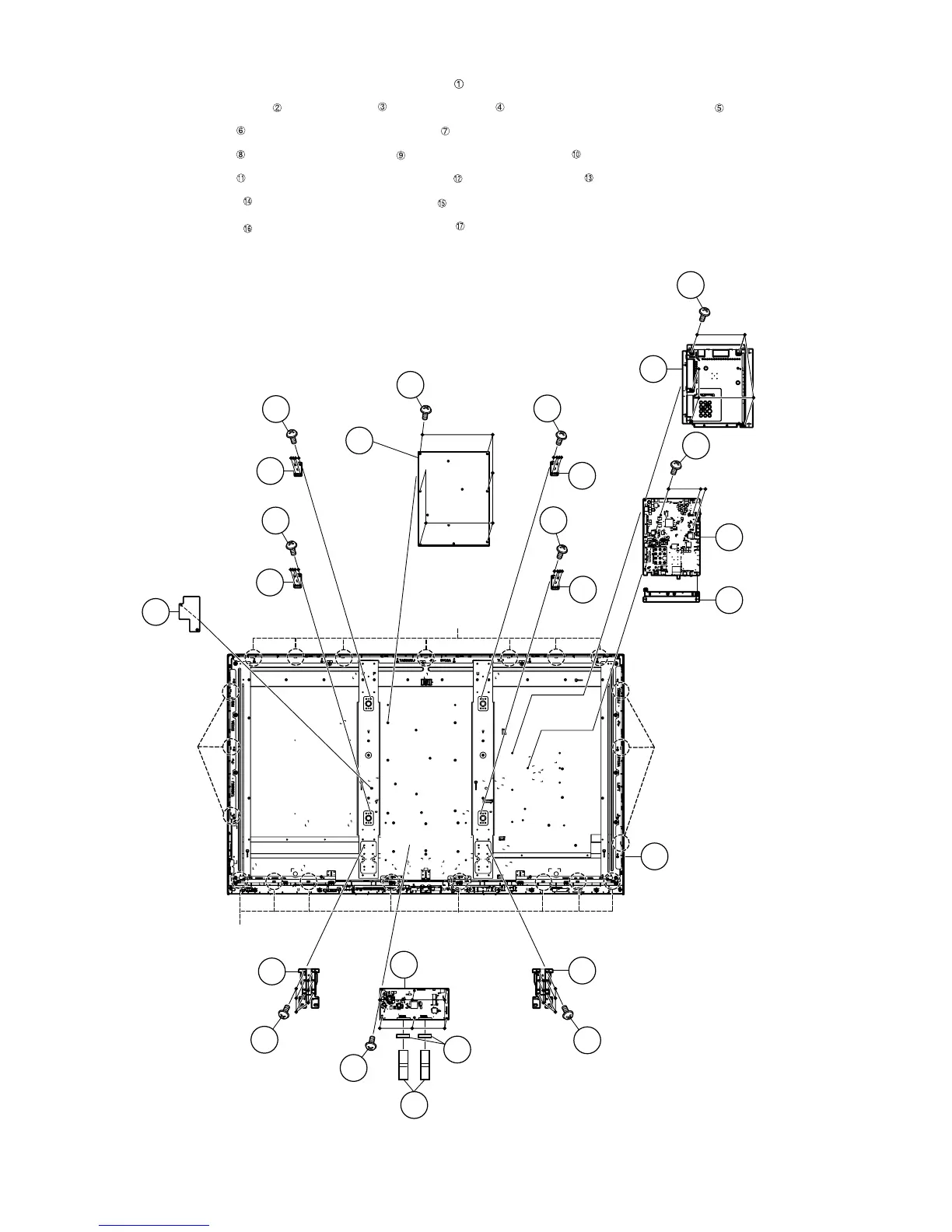
4. Removing of 60” LCD Panel Module Unit, LCD CONTROL Unit, MAIN Unit, POWER/DRIVE Unit.
1. Remove the 21 Hooks and detach the 60” LCD Panel Module Unit .
2. Remove the 2 Connecting Cords , 2 Ferrite Cores and 6 lock screws and detach the LCD CONTROL Unit .
3. Remove the 5 lock screws and detach the MAIN PWB Shield .
4. Remove the 3 lock screws and detach the MAIN Unit and Terminal Angle (Bottom) .
5. Remove the 6 lock screws and detach the POWER/DRIVE Unit and AC Cord Barrier .
6. Remove the 12 lock screws and detach the 2 Support Ass’y .
7. Remove the 16 lock screws and detach the 4 VESA Angle Ass’ .
䎔䎙
䎔䎚
䎔䎕
䎔䎔
䎔䎙
䎔䎓
䎔䎘
䎔䎗
䎔䎗
䎔䎘
䎶䏘䏓䏓䏒䏕䏗䎃䎤䏖䏖䎊䏜
䎯䎦䎧䎃䎦䎲䎱䎷䎵䎲䎯
䎃䎸䏑䏌䏗
䎩䏈䏕䏕䏌䏗䏈䎃䎦䏒䏕䏈
䎦䏒䏑䏑䏈䏗䏌䏑䏊䎃䎦䏒䏕䏇
䎷䏈䏕䏐䏌䏑䏄䏏䎃䎤䏑䏊䏏䏈
䎋䎥䏒䏗䏗䏒䏐䎌
䎰䎤䎬䎱䎃䎸䏑䏌䏗
䎰䎤䎬䎱䎃䎳䎺䎥䎃䎶䏋䏌䏈䏏䏇
䎹䎨䎶䎤䎃
䎤䏑䏊䏏䏈䎃䎤䏖䏖䏃䏜
䎹䎨䎶䎤䎃䎤䏑䏊䏏䏈䎃䎤䏖䏖䏃䏜
䎳䎲䎺䎨䎵䎒䎧䎵䎬䎹䎨
䎃䎸䏑䏌䏗
䎙䎓䎅䎯䎦䎧䎃䎳䏄䏑䏈䏏䎃䎰䏒䏇䏘䏏䏈䎃䎸䏑䏌䏗
䎫䏒䏒䏎
䎫䏒䏒䏎
䎫䏒䏒䏎
䎫䏒䏒䏎
䎔䎙
䎔䎚
䎹䎨䎶䎤䎃䎤䏑䏊䏏䏈䎃䎤䏖䏖䏃䏜
䎔䎙
䎹䎨䎶䎤䎃
䎤䏑䏊䏏䏈
䎤䏖䏖䏃䏜
䎔䎖
䎔䎚
䎔䎚
䎶䏘䏓䏓䏒䏕䏗䎃䎤䏖䏖䎊䏜
䎤䎦䎃䎦䏒䏇䏈䎃
䎥䏄䏕䏕䏌䏈䏕

Table of Contents

Related product manuals