EasyManua.ls Logo

Sharp MD-E9000H - Page 58

Sharp MD-E9000H
104 pages
Print Icon
To Next Page IconTo Next Page
To Next Page IconTo Next Page
To Previous Page IconTo Previous Page
To Previous Page IconTo Previous Page
Loading...
MD-E9000H
– 58 –
A
B
C
D
E
F
G
H
1
23456
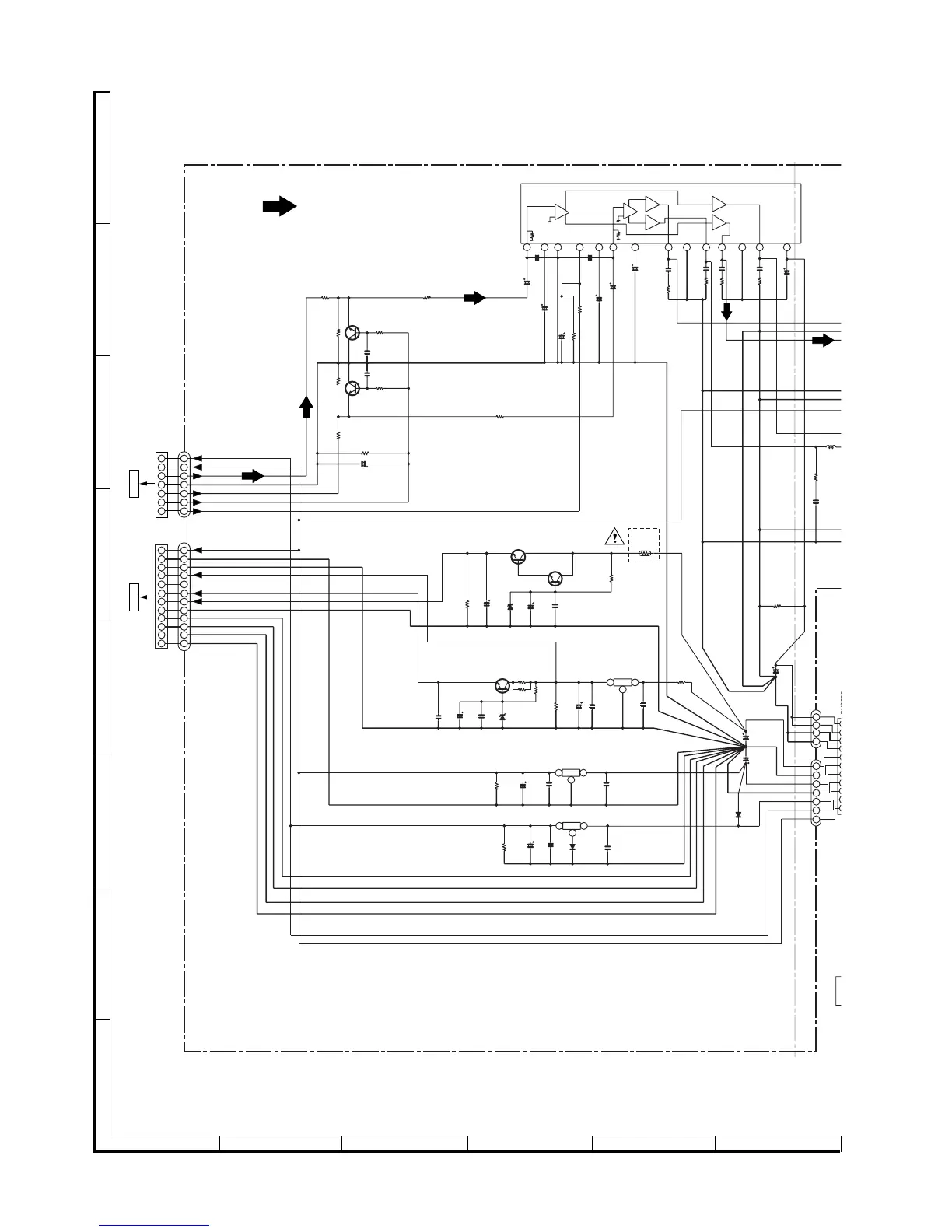
Figure 58 SCHEMATIC DIAGRAM (7/12).
• NOTES ON SCHEMATIC DIAGRAM can be found on page 37.
+3.2V
3
2
1
3
2
1
3
2
1
Vcc
A_GND
(MD)S_GND
(MD)M_GND
(MD)H_GND
A_GND
+B
A_GND
Vcc
D_GND
SW_5V
CD_GND
CD+B
UN-SW_5V
MD_+A3.1V
FAN_CONT
MD_+D5V
(MD) D_GND
+B/2
M_GND
SW_5V
UN-SW_5V
P_CONT
A_GND
R-CH
L-CH
P_MUTE
A_+10V
A_GND
+B
+B
1
1
4
3
1
2
2
4
5
3
6
1
7
8
9
10
11
12
2
4
5
3
6
1
7
8
9
10
11
12
6
5
7
4
3
2
1
23 4 56 7 8 9
10 11 12 13 14
1
7
6
5
4
3
2
1
7
6
5
4
3
2
1
R
R
R
L
L
L
L
L
R
R
R
L
+
+
INP1
INP2
GND
VCC1
+OUT2
–OUT2
PWR
GND2
–OUT1
+OUT1
PWR
GND1
NOISE
PREVENT
STANDBY
+5V
CNP404
P53 8 - H
TO MAIN PWB
CNP403
P53 7 - H
TO MAIN PWB
CNS701
P55 12 - E
TO DISPLAY PWB
+B
+B
+B
+B
+B
+B
+B
+B
+B
+B
+B
+B
+B
+B
+B
+B
+B
+B
+B
+B
+B
+B
+B
+B
+B
+B
+B
+B
+B
VOLTAGE
REGULATOR
VOLTAGE
REGULATOR
VOLTAGE
REGULATOR
VOLTAGE
REGULATOR
VOLTAGE
REGULATOR
VOLTAGE
REGULATOR
MUTING
MUTING
BI901
CNS901
R909
22K
C905
47/50
Q902
KTC3199 GR
R901
15K
R907
1K
R903
2.7K
Q901
KTC3199 GR
C901
0.001
R905
2.2K
C903
2.2/50
R906
2.2K
R902
15K
R908
1K
C902
0.001
R904
2.7K
C986
0.001
C987
0.001
R983
10K
C985
22/16
C912
100/35
R910
3.3K
C911
100/16
C904
2.2/50
C913
0.47/50
C907
0.1(ML)
R911
1K
C914
100/25
R914
1K
C910
0.1(ML)
R913
1K
C909
0.1(ML)
R912
1K
C908
0.1(ML)
IC901
LA4628
POWER AMP.
L902
0.29µH
C918
0.022
R916
6.8
BI903A
BI903B
CNS903
C948
3300/25
C949
6800/16
D961
DS1SS133
UN-SW_REG
R928
2.2K
C947
6800/25
R941
1K
C953
47/25
C952
0.1(ML)
C951
0.1(ML)
R951
3.3
RP941
0.5
Posistor
Q942
KTC3199 GR
Q951
KIA7810AP
Q941
KTC2026
R942
47K
C943
470/10
C942
100/16
ZD941
DZ6.8BSA
C941
0.022
R955 220
R952
22K
ZD951
DZ3.6BSB
C954
0.022
C955
100/10
C956
0.022
R954
220
Q952
KTC3203 Y
R953
1.2K
Q962
AN78L05
C963
47/25
D962
DS1SS133
C964
0.1(ML)
R962
10K
C966
47/25
C965
0.1(ML)
Q961
KIA7805AP
R961
10K
C962
0.1(ML)
C961
0.1(ML)
BI902
CNS902
FM SIGNAL

Other manuals for Sharp MD-E9000H

Related product manuals