EasyManua.ls Logo

Sharp R-211(W)M - Schematic Diagram

Sharp R-211(W)M
23 pages
Print Icon
To Next Page IconTo Next Page
To Next Page IconTo Next Page
To Previous Page IconTo Previous Page
To Previous Page IconTo Previous Page
Loading...
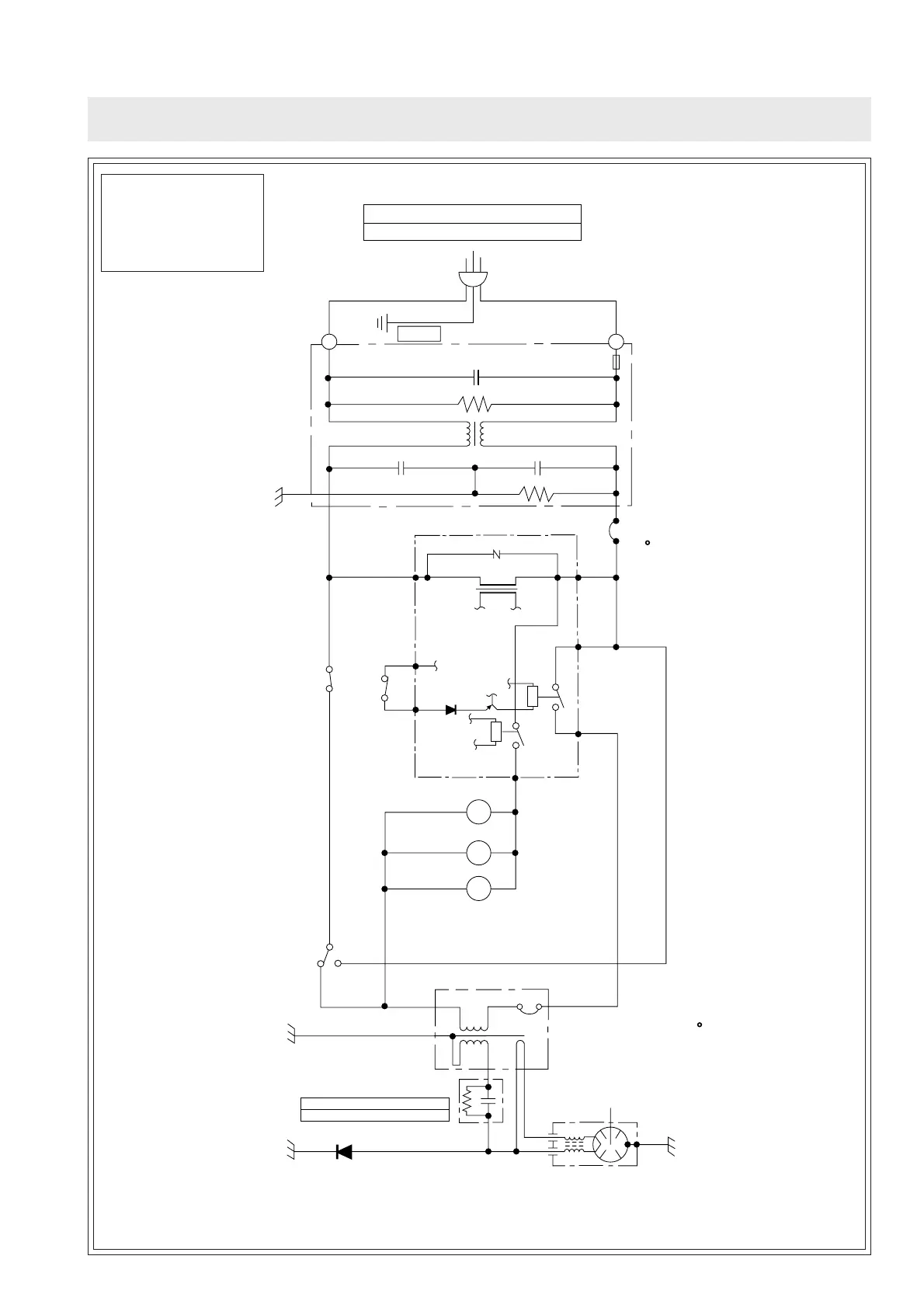
13
211M -
NOTE: INDICATES COMPONENTS
WITH POTENTIALS ABOVE
250V.
*
CIRCUIT SUBJECT TO
CHANGE
WITHOUT NOTICE.
DOOR CLOSED
COOK OFF
MICROWAVE CONDITION
SCHEMATIC DIAGRAM
BLU /18 BRN /18
G-Y /18
0. 22 µF /250V
NOISE FILTER
UNIT
0. 0033 µF /250V 0. 0033 µF /250V
10M/0 .5W
VRS1
RY2
RY2
RY1
A1
FAN
MOTOR
OVEN
LIGHT
TURNTABLE
MOTOR
FM
OL
TTM
B1
B2
COM
NO
COM
POWER TRANSFORMER WITH 150 C
*
THERMOSTAT IN PRIMARY WINDING
MAGNETRON
*H.V. RECTIFIER *
R-211()M 0. 88µF 2100VAC
R-211() 0. 91µF 2100VAC
H.V. CAPACITOR
*
NO NO
STOP
SWITCH
SW3
MONITOR
SWITCH
SW2
MONIT'D
LATCH
SWITCH
SW1
NO
NO
A5
A3
T1
F1
680K/0. 5W
OVEN
THERMAL
CUT-OUT
125 C
NOSIE SUPPRESSION COIL
EARTH
R-211 () M 230-240V~50Hz
R-211 () 230V~50Hz
LN

Related product manuals