EasyManua.ls Logo

Sharp R-2197 - Page 31

Sharp R-2197
40 pages
Print Icon
To Next Page IconTo Next Page
To Next Page IconTo Next Page
To Previous Page IconTo Previous Page
To Previous Page IconTo Previous Page
Loading...
R-2197
29
6
45
1
2
3
6
45
1
2
3
A
B
C
D
E
F
G
H
A
B
C
D
E
F
G
H
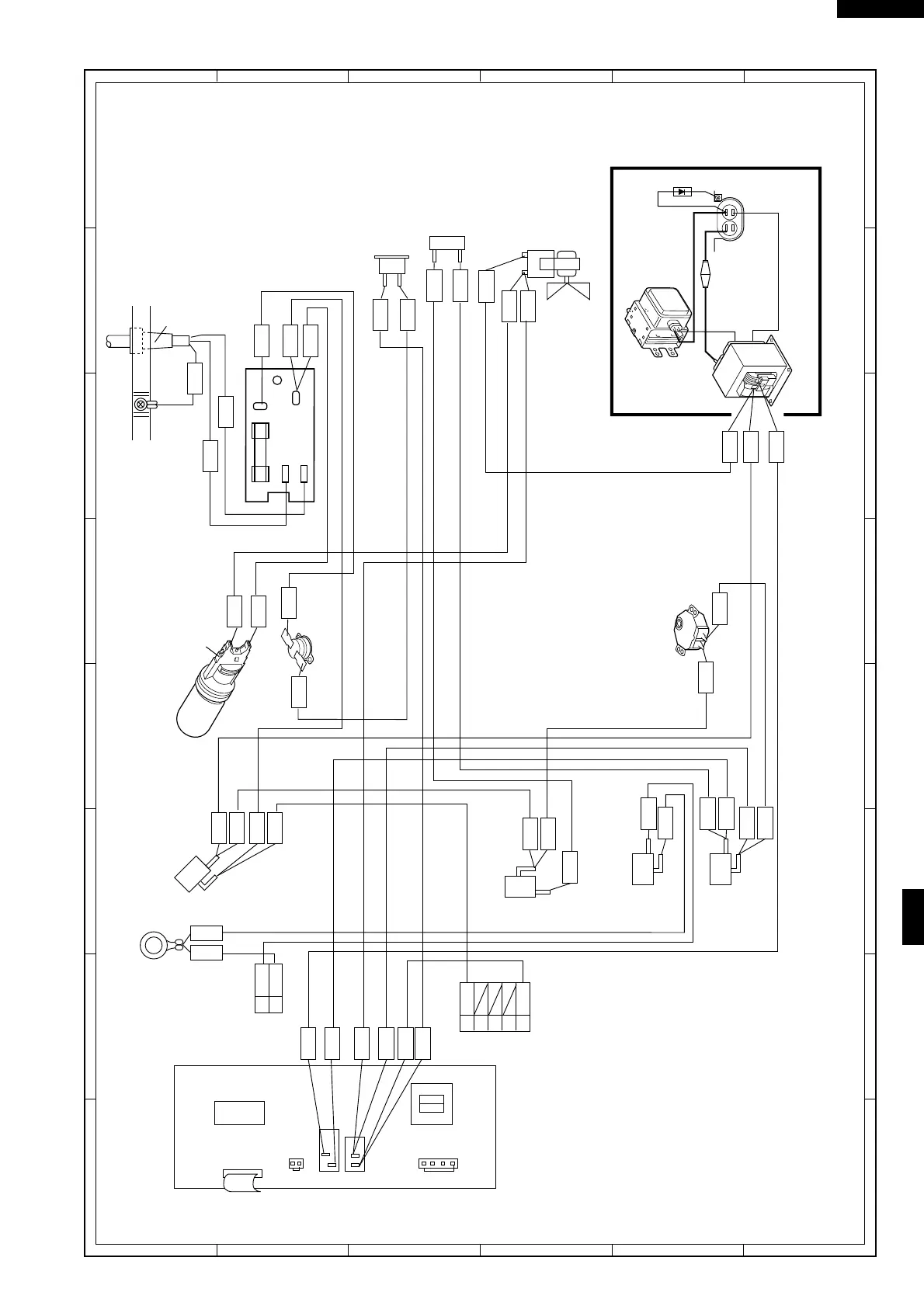
Figure S-1. Pictrorial Diagram
THERMAL CUT-OUT
125˚C(OVEN)
THERMAL
CUT-OUT
145°C(MAG.)
FAN MOTOR
WHT
YLW
GRY
RED
WHT
HIGH VOLTAGE COMPONENTS
MAGNETRON
H.V.
CAPACITOR
H.V. FUSE
H.V.
RECTIFIER
POWER TRANSFORMER
G-Y
POWER SUPPLY
CORD
COM
GRY
WHT
ORG
WHT
WHT
N.C.
N.O.
COM.
ORG
ORG
WHT
WHT
BRN
RED
PNK
ANTENNA
MOTOR
MONITOR
SWITCH
GRY
GRY
RED
YLW
ORG
YLW
PNK
PNK
IC1
RY2
T1
RY3
CN-G
CN-A
71
12
CN-B
2
3
4
5
1
PNK
WHT
CN-A
NEUTRAL
EARTH
GRN
GRY
N.O.
COM.
COM.
YLW
YLW
RED
YLW
N.O.
STOP SWITCH (Oven side)
1ST.
LATCH
SWITCH 
(Cabinet side)
2ND. LATCH
SWITCH
CONTROL UNIT
MONITOR
RESISTOR
2
1
GRN
G
R
N
G
R
N
GRY
CN-B
BRN
RED
ORG
WHT
NOTE:
Neutral (ORG) wire must
be connected to the
terminal with black mark
on the oven light socket.
BLACK MARK
ORG
BRN
BLU
LIVE
OVEN LAMP 
AND SOCKET
WHT
RED
WHT
RED
L
N

Related product manuals