EasyManua.ls Logo

Sharp R-2197 - Page 32

Sharp R-2197
40 pages
Print Icon
To Next Page IconTo Next Page
To Next Page IconTo Next Page
To Previous Page IconTo Previous Page
To Previous Page IconTo Previous Page
Loading...
30
R-2197
6
45
1
2
3
6
45
1
2
3
A
B
C
D
E
F
G
H
A
B
C
D
E
F
G
H
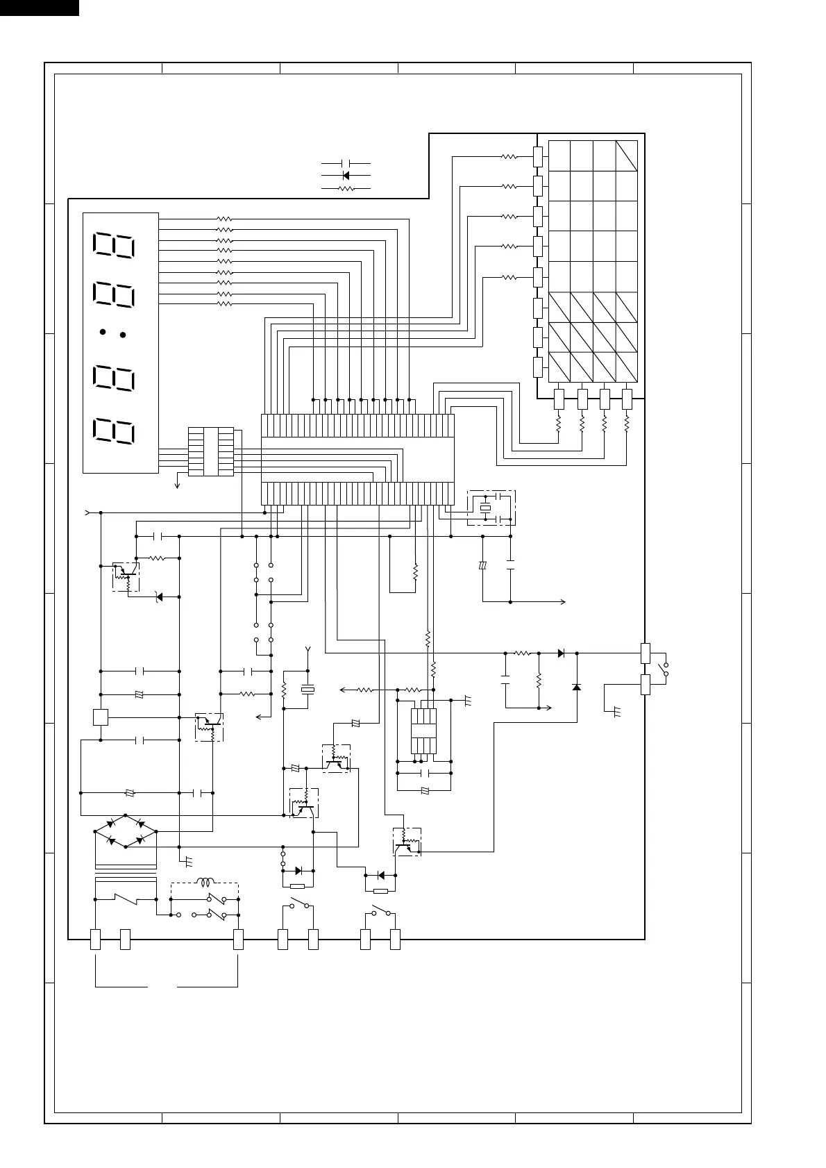
Figure S-2. Control Panel Circuit
+
+
+
+
+
+
A3
A5
A7
NO
NO
COM
COM
B1 B2
G12
G11
G10
G9
G1 G2 G3 G4 G5 G6 G7 G8
(J1)
VRS1
10G471K
T1
a
d
b
c
11ES1 x 4
D1
D2
D3 D4
C1 2200µ/25v
C2 0.1µ/50v
C9
0.1µ/50v
Q1 KIA7805PI
C3 47µ/10v
C4 0.1µ/50v
Q3
DTC143ES
Q2
DTA123ES
VC
C7
R3 4.7k
ZD2
HZ4A2
(J4)
(J6)
(J3)
(J5)
RY3
JA
RY2
D21
D20
Q21
DTC143ES
Q20
DTB143ES
VC
R4 4.7k
R40 2.7k
SP1
VC
R30 100R31 15k
R32 2.7k
C21
10µ/25v
C20 0.1µ/50v
R5 4.7k
(A)
Q22
DTD143ES
C30 47µ/10v
C31
C70
VC
R70 4.7k
R71 4.7k
D70
D23 11ES1
VC
C5
47µ/10v
0.1µ/50v
C6
TEST
VCC
SCL
SDA
A0
A1
A2
VSS
1
4
8
5
VCC
VEE
AVSS
VREF
AN7
AN6
AN5
AN4
AN3
AN2
AN1
AN0
P55
P54
P53
P52
P51
P50
P47
P46
P45
P44
P43
P42
INT1
P40
RESET
P71
P70
XIN
XOUT
VSS
1
5
15
10
20
25
30
33
P30
P31
P32
P33
P34
P35
P36
P37
P00
P01
P02
P03
P04
P05
P06
P07
P10
P11
P12
P13
P14
P15
P16
P17
P20
P21
P22
P23
P24
P25
P26
P27
32
35
40
45
50
55
60
64
IC1
IZA897DR
CF1 CST4.00MGW
R80 4.7k
R81 4.7k
R82 4.7k
R83 4.7k
R88 4.7k
R87 4.7k
R86 4.7k
R85 4.7k
R84 4.7k
R50 100
R51 100
R52 100
R53 100
R54 100
R55 100
R56 100
R57 100
R58 100
GND
17
16
15
14
13
12
11
01
02
03
04
05
06
07
16
98
1
10
11
12
13
1
2
3
4
5
6
7
8
9
(A)
LED1
LIGHT EMITTING DIODE
7
8
9
0
5
6
3
4
1
11
12
13
14
15
16
19
20
17
18
2
DOUBLE
QUANTITY
START SET
SELECT 
TIME
EXPRESS
DEFROST
STOP/
CLEAR
CHECK
SIGNAL
ON DEF. NO. X 2 CHECK
DOOR
SWITCH
NOTE : IF NOT SPECIFIED, 1/4W ± 5%
IF NOT SPECIFIED, 1SS270A
IF NOT SPECIFIED, 0.01µ / 16v
AC230-240V
50Hz
OVEN LAMP
ANTENNA
MOTOR
FAN
MOTOR
MICRO
IC3
IC2
SELECT
POWER
C8 0.1µ/50v
R33
4.7k

Related product manuals