EasyManua.ls Logo

Sharp SD-AT1000H - Page 35

Sharp SD-AT1000H
72 pages
Print Icon
To Next Page IconTo Next Page
To Next Page IconTo Next Page
To Previous Page IconTo Previous Page
To Previous Page IconTo Previous Page
Loading...
– 35 –
SD-AT1000H
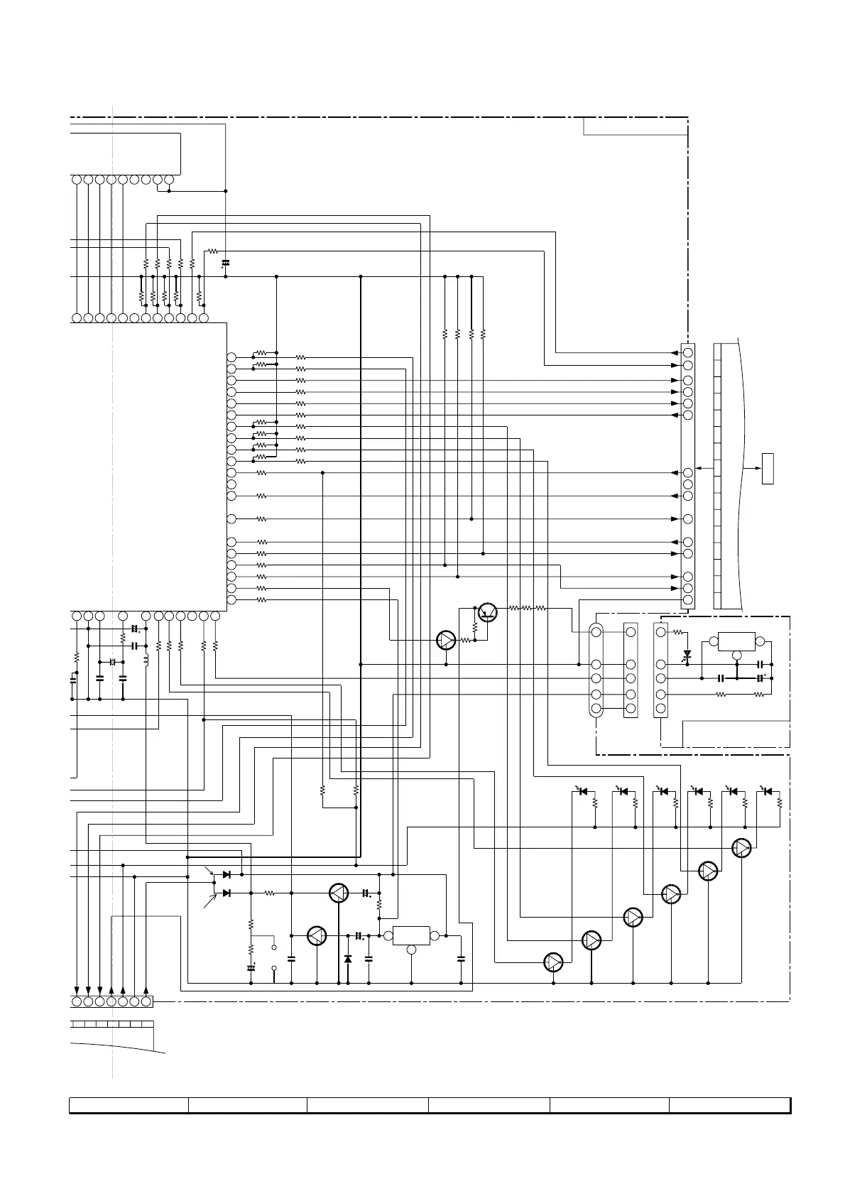
Figure 35 SCHEMATIC DIAGRAM (6/11)
7
8 9 10 11 12
0.01
0.01
82
82
82
50
49
48
47
46
45
44
43
42
41
40
39
38
37
36
35
34
33
32
31
3.3K
1K
47K
10K
2SB709 AR
82
KRC102 S
270
1K
1K
1K
1K
10K
10K
10K
10K
1K
1K
1K
1K
1K
1K
1K
1K
1K
1K
10K
4.7K
10K
4.7K
10K
10K
10K
3.3K
3.3K
3.3K
2.2 µH
10K
10K
220K
0.1
470/10
150
DMA111
4.7/50
150
MA111
MA111
KRC104 M
680
PST9140
21
DTS_LED
SURR_LED
330
330 1.8K
330
1.8K
330
KRC107 S
DD_LED
STEREO_LED
STD_LED
DPL_LED
KRC107 S
KRC107 S
KRC107 S
KRC107 S
KRC107 S
1K
1K
18P
(CH)
12P(CH)
1K
2.2K
2.2K
2.2K
0.1
2.2K
820
1/50
GP1UM271
21
0.022
18
22
BLUE
10/16
KRC104 M
1K
1K
1K
1K
1K
1K
220/16
1K
1K
1K
3
34333231 3938373635
10/16
150P(CH)
606162 515253545556575859
23222120 30292827262524
3
ORANGE
ORANGE
RED
RED
GREEN
GREEN
OE
NP
+5V(UNSWD)
+5V(BACK UP)
BASS SW
CONFIG
RX-IN
H.P_SW
F2
F1
P12
P13
P14
P15
P16
NP
DIG FUNC
RESET
POINT
U
TER
DPL_LED
DD_LED
POWER_KEY
VSS
CCB DI
VCC
DIMMER
DSP_INTREQ
DSP_CS
DSP_SCCLK
DSP_SCDIN
DSP_SCDOUT
DSP_RESET
D.TIME CNT
OVF
STD_LED
DTS_LED
SURR_LED
STEREO_LED
COD_DO
COD_CLK
COD_DI
COD_CSN
VOL_DA
VOL_CL
AC RLY
SP_RLY
NONPCM
SEG16
SEG15
SEG14
SEG13
SEG12
SYS_STOP
X_IN
X_OUT
4
2
1
1
2
4
1
3
5
3
6
5
5
4
3
GND
DSP_SCCLK
COD_CSN
COD_CLK
DSP_RESET
DSP_CS
DSP_SCDIN
DSP_SCDOUT
DSP_INTERQ
OVF
COD_DO
COD_DI
DIG_FUNC_+B
NON_PCM
15
14
13
10
9
8
7
6
5
4
3
2
1
11
12
9V
CONFIG
VOL_CL
D_GND
UN_SW 5.6V
SW 5V
BASS_SW
7245613
1
3
2
REMOTE SENSOR
PWB-A4
1
1
1
23
1
23
1
23
1
23
2
3
23
1
23
1
23
CNP502
P32 1 - C
TO MAIN PWB
1
15
DISPLAY PWB-A2
1
+B
+B
+B
+B
+B
+B
+B
+B
+B
+B
+B
+B
+B
+B
Q703~Q708: LED DRIVER
LED
DRIVER
LED
DRIVER
RESET
RESET
O
30400813)
5
00814~30501208)
6
01209~)
R761
R762
R763
R764
R765
R767
C718
R760
R758
R757
R759
R756
R777
R776
R775
R774
R773
R772
R771
R770
R769
R768
R747
R749
R748
R751
R750
R754
R755
R740
R739
R742
R745
R736
R735
R737
R738
R733
R734
R730
R731
R729
L702
XL701
4.19 MHz
C715
C714
C716
R728
C717
C713
R726
RM702
RM701
RM709
RM711
RM712
RM710
304VT2E2
LED706
304AT2E
LED705
LED704
304GT1U
LED703
304AT2E
RM713
RM714
304VT2E2
LED708
304GT1U
LED707
RM715
RX701
C721
RM703
RM704
LED702
304BC2E9
BI702
CNS702
CNP705
C722
C723
RM732
RM730
RM731
Q710
RM717
Q709
RM718
R779
R782
R781
R780
C752
RM705
C726
C725
RM707
D703
C727
RM706
D702
D701
Q702
RM708
C724
Q701
C751
IC703
RESET
Q707
Q706
Q703
Q704
Q705
CNP702
Q708
CNP701
FFC702
FFC701
REMOTE SENSOR

Related product manuals