EasyManua.ls Logo

Sharp SM-510H - Protection Circuit

Sharp SM-510H
16 pages
Print Icon
To Next Page IconTo Next Page
To Next Page IconTo Next Page
To Previous Page IconTo Previous Page
To Previous Page IconTo Previous Page
Loading...
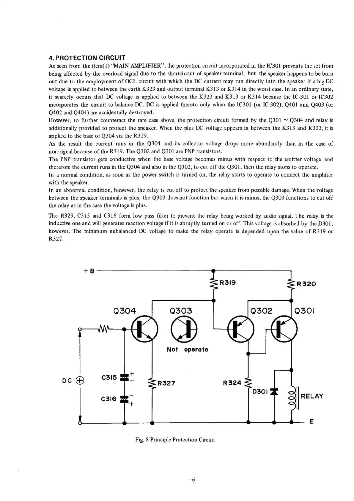
4.
PROTECTION
CIRCUIT
As
seen
from
the
item(1)
“MAIN
AMPLIFIER”,
the
protection
circuit
incorporated
in
the
1¢301
prevents
the
set
from
being
affected
by
the
overload
signal
due
to
the
shortcircuit
of
speaker
terminal,
but
the
speaker
happens
to
be
burn
out
due
to
the
employment
of
OCL
circuit
with
which
the
DC
current
may
run
directly
into
the
speaker
if
a
big
DC
voltage
is
applied
to
between
the
earth
K323
and
output
terminal
K313
or
K314
in
the
worst
case.
In
an
ordinary
state,
it
scarcely
occurs
that
DC
voltage
is
applied
to
between
the
K323
and
K313
or
K314
because
the
IC-301
or
1C302
incorporates
the
circuit
to
balance
DC.
DC
is
applied
thereto
only
when
the
1C301
(or
IC-302),
Q401
and
Q403
(or
Q402
and
Q404)
are
accidentally
destroyed.
However,
to
further
counteract
the
rare
case
above,
the
protection
circuit
formed
by
the
Q301
~
Q304
and
relay
is
additionally
provided
to
protect
the
speaker.
When
the
plus
DC
voltage
appears
in
between
the
K313
and
K323,
it is
applied
to
the
base
of
Q304
via
the
R329.
As
the
result
the
current
runs
in
the
Q304
and
its
collector
voltage
drops
more
abundantly
than
in
the
case
of
non-signal
because
of
the
R319.
The
Q302
and
Q301
are
PNP
transistors.
The
PNP
transistor
gets
conductive
when
the
base
voltage
becomes
minus
with
respect
to
the
emitter
voltage,
and
therefore
the
current
runs
in
the
Q304
and
also
in
the
Q302,
to
cut
off
the
Q301,
then
the
relay
stops
to
operate.
In
a
normal
condition,
as
soon
as
the
power
switch
is
turned
on,
the
relay
starts
to
operate
to
connect
the
amplifier
with
the
speaker.
In
an
abnormal
condition,
however,
the
relay
is
cut
off
to
protect
the
speaker
from
possible
damage.
When
the
voltage
between
the
speaker
terminals
is
plus,
the
Q303
does
not
function
but
when
it
is
minus,
the
Q303
functions
to
cut
off
the
relay
as
in
the
case
the
voltage
is
plus.
The
R329,
C315
and
C316
form
low
pass
filter
to
prevent
the
relay
being
worked
by
audio
signal.
The
relay
is
the
inductive
one
and
will
generates
reaction
voltage
if
it
is
abruptly
turned
on
or
off.
This
voltage
is
absorbed
by
the
D301,
however.
The
minimum
nubalanced
DC
voltage
to
make
the
relay
operate
is
depended
upon
the
value
of
R319
or
R327.
Not
operate
Fig.
8
Principle
Protection
Circuit

Related product manuals